Pomoc se zapojením

grooveshark
Příspěvky: 47
Registrován: 27. 10. 2009, 7:53

6. 2. 2010, 2:37

Ahoj, mám krokové motory 57STH76, k nim jsem pořídil eloktroniku H2-Komplet. Zapojil jsem motory, instaloval a nakonfiguroval Mach z profilu, ale motory se ani nehnou, ani nevydávají žádný zvuk. Při polohování os se červená kontrolka buzení rozsvěcí, ale to je všechno. Čipy na driveru jsou úplně studené. Zkoušel jsem to na dvou různých počítačích se stejným výsledkem. Konzultoval jsem to s výrobcem, ale toho už nic nenapadá, co by to mohlo být. Ještě než pošlu driver zpátky, chtěl bych se zeptat zde, díky.
Přílohy
P1010575.JPG
k
Příspěvky: 814
Registrován: 12. 8. 2008, 12:00
Bydliště: Kosice SK

6. 2. 2010, 3:30

Multimeter . premerrat napetia na clievkach motora, prud zo zdroja, napetie zo zdroja, zkontrolovat volmetrom vsetky riadiace signali z kompu ..
Uživatelský avatar
cncp100
Příspěvky: 572
Registrován: 29. 12. 2006, 8:02
Bydliště: Lovosice
Kontaktovat uživatele:

6. 2. 2010, 3:38

Nevím jak je to u H2, ale není tam svorka "enable". Také jsem se s tím pral, ale u jiného driveru. Musí být zapojená.(log 1)
kdo nic nezkusí, nic nezíská.
grooveshark
Příspěvky: 47
Registrován: 27. 10. 2009, 7:53

6. 2. 2010, 3:50

Multimetr, také mě to už napadlo. Asi to zkusím.
Enable nevím, ale myslím že není. O tom by asi výrobce dal vědět. Na desce nic takového zdá se není.
muros
Příspěvky: 124
Registrován: 29. 6. 2009, 4:11
Bydliště: KE

6. 2. 2010, 6:15

mas k tomu aj navody na nastavenie? alebo pozri nieco na tej stranke
http://www.gravirovanie.sk/H2/h201.htm
grooveshark
Příspěvky: 47
Registrován: 27. 10. 2009, 7:53

6. 2. 2010, 7:12

muros píše:mas k tomu aj navody na nastavenie? alebo pozri nieco na tej stranke
http://www.gravirovanie.sk/H2/h201.htm
Dík, tuhle stránku samozřejmě znám.
P.S.
Příspěvky: 183
Registrován: 26. 11. 2007, 12:55
Bydliště: Praha 11
Kontaktovat uživatele:

6. 2. 2010, 7:16

Elekronika není moje silná stránka, ale když porovnám schema zapojení univerzálních motoů na http://www.gravirovanie.sk/H2/h201.htm a http://www.cncshop.cz/PDF/57STH76.pdf tak se mi zdá že to máš špatně zapojené.
J0hny
Příspěvky: 506
Registrován: 10. 5. 2008, 1:31

6. 2. 2010, 7:40

Asi mas v programe alebo na vstupe drivera zle nastaveny E-Stop ?
Nevzdelany samouk, zo vsetkeho trosku, ziadne konkretne zameranie :)
grooveshark
Příspěvky: 47
Registrován: 27. 10. 2009, 7:53

6. 2. 2010, 7:56

Zapojil jsem to tak, jak mě popsal výrobce. Co tam mám špatně?
Mělo by tam být:
1 = A a C-
2 = A- a C
3 = B a D-
4 = B- a D

Na ten E-Stop jsem se chtěl zeptat, já tam totiž žádný E-Stop zapojený nemám. Tak jestli by tam E-Stop neměl být zapojený?
Uživatelský avatar
cncp100
Příspěvky: 572
Registrován: 29. 12. 2006, 8:02
Bydliště: Lovosice
Kontaktovat uživatele:

6. 2. 2010, 8:01

myslím že e-stop by měl být zapojený. Je to totiž rozpínací kontakt. Pokud ho nemáš, je to jako by byl zmáčklý. Jen proklemuj svorky a uvidíš.
kdo nic nezkusí, nic nezíská.
J0hny
Příspěvky: 506
Registrován: 10. 5. 2008, 1:31

6. 2. 2010, 8:06

No, podobna vec je v nastaveni machu, v pripade potreby treba nastavit ci Estop je aktivny pri log 1 alebo 0, teda estop je aktivovany=program sa nepohne ak je kontakt rozpojeny/spojeny. tazko povedat na dialku, snad nejaky majitel toh driveru pomoze viac.
Nevzdelany samouk, zo vsetkeho trosku, ziadne konkretne zameranie :)
P.S.
Příspěvky: 183
Registrován: 26. 11. 2007, 12:55
Bydliště: Praha 11
Kontaktovat uživatele:

6. 2. 2010, 8:06

No, já vidím na http://www.cncshop.cz/PDF/57STH76.pdf : A = BLU/WHT, C´ = RED/WHT
grooveshark
Příspěvky: 47
Registrován: 27. 10. 2009, 7:53

6. 2. 2010, 8:13

cncp100 píše:myslím že e-stop by měl být zapojený. Je to totiž rozpínací kontakt. Pokud ho nemáš, je to jako by byl zmáčklý. Jen proklemuj svorky a uvidíš.
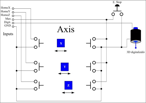
To by mohlo být ono. Abych něco nezvrtal, jsou to tyhle dva vstupy?
Přílohy
veg.jpg
Input.jpg
Uživatelský avatar
cncp100
Příspěvky: 572
Registrován: 29. 12. 2006, 8:02
Bydliště: Lovosice
Kontaktovat uživatele:

6. 2. 2010, 8:30

Podle toho jak je to nakreslené, tak ano, ale jsou tam kreslené spínací a ne rozpínací kontakty. Ale to je kreslené asi jen pro představu kde je ktrý spínač.
Jestli se dá v Machu nastavit jestli má spínat, nebo rozpínat to nevím.
Ale e-stop by měl vždy rozpínat a ne spínat. Kvůli bezpečnosti.

Zkus to klemnout a uvidíš, není co zkazit.
kdo nic nezkusí, nic nezíská.
grooveshark
Příspěvky: 47
Registrován: 27. 10. 2009, 7:53

6. 2. 2010, 8:54

Tak jsem to spojil, ale nic se nezměnilo.

P.S. píše:No, já vidím na http://www.cncshop.cz/PDF/57STH76.pdf : A = BLU/WHT, C´ = RED/WHT
C´= RED
http://www.motioncontrolproducts.co.uk/ ... 808D-1.pdf
Odpovědět

Zpět na „Zacinam stavet a nevim jak na to“