FNG40cnc TOS Čelákovice

Odpovědět
jindraengl
Příspěvky: 4
Registrován: 13. 10. 2009, 6:56

16. 10. 2023, 9:52

Zdravím, chtěl bych požádat o radu jak odstranit závadu na stroji. Problém s najetím ref. bodů. Osa z najede, ale v ose y a X se pohon nerozjede v automatickém najetí, tzn. Y do - a do -. V ručním režimu při vyřazení koncáků jak ref. tak bezpečnostních osy y a jedou jen do+směru. Závada se postupně zhoršovala - pro najetí musel být min. posuv. Pohyb byl jako drhnutí. Teď už jedou jen jedním směrem jak jsem popsal. Na regulátoru svítí tyto diody:
IMG_20231016_194439.jpg
IMG_20231016_194429.jpg
IMG_20231016_194350.jpg
Zapojení je originál, serva odbrždují v obou směrech, posuv jde mechanicky volně ručním kolečkem po odbrždění serva koncákem.
Parametry ;
Heidenhain tnc 155
Serva Siemens 1HU 3078-0AC01-Z G45 (z)
1HU 3076-0AC01-Z G45(X,y)
Siemens simodrive 6RB2101-3
Pravítka LS403. Heidenhain
420-2x a 520-1x
Jsem zaměřením více přes mechanické věci tak budu rád za pomoc. Díky :)
Miki2t
Příspěvky: 507
Registrován: 22. 9. 2010, 9:02
Bydliště: Levice SR

17. 10. 2023, 6:17

Ako prvé by som zmeral (vymenil) všetky elektrolyticke kondenzátory v simodrive
testone
Sponzor fora
Příspěvky: 7555
Registrován: 3. 12. 2010, 5:56
Bydliště: Slaný

17. 10. 2023, 8:24

z tvého popisu jsem nějak nepochopil zda je problém na obou osách X a Y
upřesni to prosím
píšeš že osa Z referuje správně
TNC 155 (neznám, mám všechny stroje s TNC 4..) referuje automaticky, tj. po nahození pohonů a po stisknutí tlačítka start programu jede až k referenčnímu bodu?
Mašina referovala pouze na jednom místě někde v koutě nebo po ujetí cca 20 mm kdekoli v pracovním prostoru?
TNC 4.. referují podle referenční značky v pravítku, nikoli podle samostatného referenčního koncáku, předpokládám že u TNC 155 je to taky tak
...
před tím než začneš hrabat v plošňácích je třeba vyzkoušet, zda je problém v pohonech (drivery, motory) nebo v řs (TNC, pravítka)
řs (TNC 4.., předpokládám že TNC 155 taky) má mezi pohonama (Siemens) a řs (TNC...) analogový signál +-10V, polarita řídí směr pohybu, vel. napětí rychlost
tj. při odpojení pohonů od řs můžeš jezdit osami samostatně pro vyzkoušení
řídící signál +- 10V mezi řs a pohony je na svorkách 14 a 56 desky pohonů
pokud na tyhle vstupy pohonů připojíš třeba tužkovou baterku 1,5 V, příslušná osa se rozjede pomalu jedním nebo druhým směrem
POZOR - aby tohle fungovalo, musíš dát pohonům signál ready a uvolnění, (+24 V, jsou to svorky tuším 64 a 73, z hlavy si to nepamatuju)
tyhle signály dává za normálního provozu řs pomocí nějaké reréové logiky, opálené kontakty a mechanické opotřebení relé a stykačů dokážou taky pěkný brikule
pokud bys je při rozpojení 14 a 56 dával ze systému, řs by ti to okamžitě při pohybu shodil
zároveň musíš zajistit, aby zůstal zabržděný šroub osy Z aby ti stůl nespadl vlastní vahou dolů, např. odpojením brzdy (???, netuším jak je to na té mašině uděláno), pro jistotu sjet stolem dolů a podložit ho dřevěným špalkem
...
pokud blbne jen jedna osa X nebo Y, můžeš prohodit drivery těch os, tj prohodit signály 14 a 56 a současně na výstupech driverů prohodit dráty od příslušných motorů
tím potvrdíš nebo vyloučíš závadu v driveru (servozesilovači, 1/3 té desky) příslušné osy
....
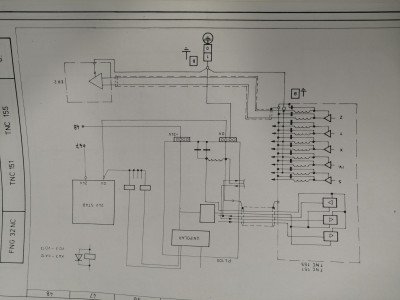
hoď sem schema
Obvykle se dějí věci obvyklé. Méně často se dějí věci neobvyklé a zcela vyjímečně se dějí věci vyjímečné...
Masturn 40 CNC, Hermle UWF1200H CNC a pár klasik
http://www.radialengine.cz" onclick="window.open(this.href);return false;
http://www.autopejsek.cz" onclick="window.open(this.href);return false;
jindraengl
Příspěvky: 4
Registrován: 13. 10. 2009, 6:56

17. 10. 2023, 9:15

Osa z najiždí dobře problém je y a X. Reference je na koncácích jsou zdvojený a predsunutý. V automatickém najetí referenčních bodů z najede a při y se nehne.
To je pro ruční najetí.
IMG_20231017_095102.jpg
Při tom se X a y pohybují jen jedním směrem. Při změně polarity na servu a tachu jdou zase opačně a na druhou ne.
Z ose dělá protiváhu hydraulický plunžr +dusíkový kondenzátor.
IMG_20231017_095903.jpg
IMG_20231017_095857.jpg
IMG_20231017_095850.jpg
IMG_20231017_095845.jpg
IMG_20231017_095839.jpg
IMG_20231017_095834.jpg
IMG_20231017_095828.jpg
IMG_20231017_095821.jpg
IMG_20231017_095814.jpg
IMG_20231017_095807.jpg
IMG_20231017_095800.jpg
IMG_20231017_095752.jpg
testone
Sponzor fora
Příspěvky: 7555
Registrován: 3. 12. 2010, 5:56
Bydliště: Slaný

17. 10. 2023, 10:09

podle schematu jsem pochopil, že každá osa má svoji brzdu, tj. prvky YB1, YB2, YB3
Je to pravda? Nebo co to je?

pokud ano, tak při požadavku na pohyb některé osy dá TNC signál 24V na příslušný z výstupů A0, A1 nebo A2, ten přes relé KA 4,5,6 uvolní brzdu (strana 10 pozice 66 a 67 schema) a zároveň driver příslušné osy na svorce 65 a dále dá TNC řídící napětí do svorek 14 a 56
při referování pak čeká na signál ze spínače
tj. začal bych tím, že bych odpojil TNC od driveru Y osy, (svorky 14, 56 a 65 Simodrive) odemkl brzdu Y (pustit do ní +24V) uvolnil driver Y (+24V na svorku 65 Simo), nahodil pohony - tj zkontroloval sepnutí stykače KM2 (silové napájení pohonů) a uvolnění ( přítomnost +24V na svorce 64 Simo)
pak po připojení tužkové baterky (1,5V) mezi svorky - vstupy 14 a 56 Simodrive se osa Y musí rozjet nižší rychlostí jedním směrem, při změně polarity baterky druhým
bacha v tomhle režimu to nehlídají koncáky, abys to nenaboural
bacha, může to i bez připojené baterky pomaličku popojíždět (ofset vstupního zesilovače driveru)
tím ověříš funkčnost sestavy driver - kabely - motor - tacho příslušné osy nezávisle na řs a referenčních spínačích
pro jistotu můžeš shodit řemen mezi příslušným motorem (servem) a jeho šroubem aby ti to nejezdilo
pokud osa v tomhle režimu bude jezdit, hledal bych chybu (vakl, uhnilé kontakty.....) přímo v referenčních spínačích, příslušné kabeláži atd
....
předpokládám že mašina referuje v pořadí Z, Y, X
proto pokud nezreferuje v Y, nepokračuje řs na X
...
předpokládám, že i v TNC 155 je vestavěný tzv. monitor PLC
tj režim, kde je vidět stav jednotlivých vstupů a výstupů, vstup do něj by byl přes nějaký kod podobně jako v popisu ruční referování výše
tam by byly přímo vidět signály tlačítko pro pohyb - výstup do osy - vstup od referáku
ten kod a příslušný postup bude popsán v servisním nebo technickém manuálu TNC
ty se pro tyhle staré systémy ještě před asi 2 lety daly stáhnout na webu Heidenhain.de, pak ten web nějak překopali a teď nevím
.....
snad jsem to celé pochopil správně (neručím za to !!!) a pomůže ti to
Obvykle se dějí věci obvyklé. Méně často se dějí věci neobvyklé a zcela vyjímečně se dějí věci vyjímečné...
Masturn 40 CNC, Hermle UWF1200H CNC a pár klasik
http://www.radialengine.cz" onclick="window.open(this.href);return false;
http://www.autopejsek.cz" onclick="window.open(this.href);return false;
jindraengl
Příspěvky: 4
Registrován: 13. 10. 2009, 6:56

17. 10. 2023, 10:50

Zdravím, jo ty brzdy souhlasí. Při stisku tl. start pro přejetí na ref. koncák se brzda přes relé odbrzdí a to je vše. Pořadí při nájezdu je jak jsi psal z-y-x. Ale při tom nájezdu ručním {viz popis foto manuál} může být zvoleno pořadí jakékoliv i jakýkoliv směr, takže osa y jede jen jedním směrem a osa x také jen jedním směrem. Brzdy se vždy odbrzdí, ale v tom jednom směru to spadne. Ještě jedna věc. Tato závada se postupně zhoršovala. Než došlo k úplné nemožnosti najetí, tak při nekolikerém restartovani a popojetí vždy o několik cm se povedlo dojet na koncák a stroj pak běžel. I když prvních několik desítek minut v těch problémových směrech os y a x s drhnoucim zvukem. Pak běžel normálně i v rychloposuvech.
Zítra vyzkouším co jsi mi poradil.
Prozatím moc díky.
t.o.m.m
Příspěvky: 6
Registrován: 4. 12. 2020, 6:14

2. 11. 2023, 2:44

Dobrý den, můžu mít na Vás prosím dotaz. Koupil jsem FNG40cnc bez jakéhokoliv nástroje a návod mám pouze v italštině. Nemáte prosím manuál naskenovaný? A druhý dotaz, jaký je upínací systém? Našel jsem, že je tam Iso 40 ale nevím ten šroub na upínači. Děkuji a omlouvám se, není to v Vašemu tématu.
Přílohy
386449116_3697965570490318_8306190857127027719_n.jpg
jindraengl
Příspěvky: 4
Registrován: 13. 10. 2009, 6:56

2. 11. 2023, 4:50

Zdravím, shodou okolností jsem stroj koupil taky z Itálie. Manuál mám tištěný z tos Žebrák. Upínání je odjišťované přes hydrauliku, takže kužele mají ISO koncovky.
t.o.m.m
Příspěvky: 6
Registrován: 4. 12. 2020, 6:14

6. 11. 2025, 9:15

Dobrý den, jak to dopadlo. Mám se strojem stejný problém. Děkuji
Odpovědět

Zpět na „CNC frézky“