Frézování platle

Požadavky na výrobu dílů - poptávkové fórum
Pravidla fóra
Toto forum vyzaduje schvaleni prispevku moderatorem.
PeS-turn1
Příspěvky: 12
Registrován: 28. 4. 2023, 9:49

13. 7. 2025, 8:33

Ahoj

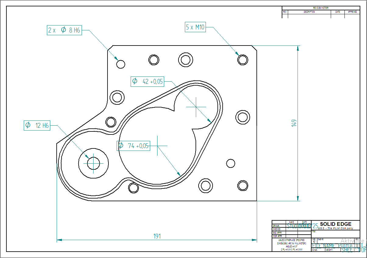
Poptávám výrobu platle viz přiložené obrázky. Rozměry jsou jen pro představu a po dohodě dodám kompletní výkres. Síla desky by byla 13 mm s přídavkem na brus. Materiál co seženu, nejlépe třeba 15 142.
Pokud by byl pro usnadnění frézování vhodný polotovar výpalek, tak bych to nechal vypálit. Vnější tvar na hotovo, velké díry s přídavkem. Šířka drážky pro O-kroužek je 2,5 mm a tvar může být přibližný, aby se to dobře programovalo.

Případní zájemci napište na mejl PeSturn@centrum.cz,
nejlépe s hrubým odhadem ceny.

Díky
Přílohy
Snímek obrazovky 2025-07-13 202324.png
Snímek obrazovky 2025-07-13 210739.png
PeS-turn1
Příspěvky: 12
Registrován: 28. 4. 2023, 9:49

16. 7. 2025, 9:40

Vážně zatím nikdo? Jsou problém tolerance nebo spíš vytíženost? Je mi jasné, že se do kusovky nikdo moc nepohrne, ale jsem samozřejmě připraven adekvátně zaplatit.
Narex
Příspěvky: 262
Registrován: 11. 2. 2018, 11:18

16. 7. 2025, 11:10

Ahoj.
Aká je hrúbka platne po obrobení?
Uživatelský avatar
robokop
Site Admin
Příspěvky: 23274
Registrován: 10. 7. 2006, 12:12
Bydliště: Praha
Kontaktovat uživatele:

17. 7. 2025, 5:10

Jestli na to nespechas asi by jsme to mohli freznout.
Vsechna prava na chyby vyhrazena (E)
PeS-turn1
Příspěvky: 12
Registrován: 28. 4. 2023, 9:49

17. 7. 2025, 7:44

Hrúbka načisto je 13, takže frézovat s přídavkem na 13,2. Pokud by to bylo z toho výpalku a kroutilo se to, tak i víc. Ideálně bych to potřeboval během příštího týdne. Chtěl jsem to napřed zkusit poptat tady, protože když to poptám u zavedených firem, kde maji všude najetý série, lidí jak do mariáše a dávno po termínech, tak to nacení tak nereálně aby to nemuseli dělat. Ale třeba se pletu.
testone
Sponzor fora
Příspěvky: 7534
Registrován: 3. 12. 2010, 5:56
Bydliště: Slaný

17. 7. 2025, 11:55

jen pár drobných poznámek
podle obrázku je to víko nějaké převodovky ???
Opravdu je nutné to dělat z 15142?
ta bude ve formě plechu nebo desky hodně blbě dostupná, pokud vůbec
je to díl který si vyloženě říká o obrobení z výpalku, já bych volil běžný plech S235 nebo S355
Musí být obrobený obvod?
Nestačil by tam jen z laseru pálený povrch?
Je nutná ta tolerance a obráběný povrch u té vnirřní "osmičky"?
....
dělat to nebudu, nestíhám
Obvykle se dějí věci obvyklé. Méně často se dějí věci neobvyklé a zcela vyjímečně se dějí věci vyjímečné...
Masturn 40 CNC, Hermle UWF1200H CNC a pár klasik
http://www.radialengine.cz" onclick="window.open(this.href);return false;
http://www.autopejsek.cz" onclick="window.open(this.href);return false;
PeS-turn1
Příspěvky: 12
Registrován: 28. 4. 2023, 9:49

17. 7. 2025, 1:12

Je to mezipříruba převodovky. Při použití výpalku by venek samozřejmě zůstal neobroben. 15 142 můžu mít v plechu 15mm, ale netrvám na něm. Chtěl jsem něco, aby se co nejmíň vymačkávala díra 12, kde je uložení převodu, takže jsem se chtěl vyhnout 11 3.. . Dvě díry 8 jsou na kolíky.
ovi-ivo
Příspěvky: 1297
Registrován: 12. 4. 2015, 9:41
Bydliště: kůsek od Hodonína

17. 7. 2025, 2:43

Já teda osobně nevím, ale obrábět výpalek z 15142 bych teda nechtěl vono se to umí aj zakalit...
testone
Sponzor fora
Příspěvky: 7534
Registrován: 3. 12. 2010, 5:56
Bydliště: Slaný

17. 7. 2025, 3:26

PeS-turn1 píše: 17. 7. 2025, 1:12 Je to mezipříruba převodovky. Při použití výpalku by venek samozřejmě zůstal neobroben. 15 142 můžu mít v plechu 15mm, ale netrvám na něm. Chtěl jsem něco, aby se co nejmíň vymačkávala díra 12, kde je uložení převodu, takže jsem se chtěl vyhnout 11 3.. . Dvě díry 8 jsou na kolíky.
no tak to udělat z toho běžného S235 a na ten pr. 12 dát pouzdro, ložisko......
ta 15142 se v řezu zakalí přesně jak píše kolega výše, pnutí atd
Obvykle se dějí věci obvyklé. Méně často se dějí věci neobvyklé a zcela vyjímečně se dějí věci vyjímečné...
Masturn 40 CNC, Hermle UWF1200H CNC a pár klasik
http://www.radialengine.cz" onclick="window.open(this.href);return false;
http://www.autopejsek.cz" onclick="window.open(this.href);return false;
PeS-turn1
Příspěvky: 12
Registrován: 28. 4. 2023, 9:49

17. 7. 2025, 4:10

Na té 15-ce vyloženě netrvám. Jenom, že jsem na náročnější díly i bez zušlechťování používal právě tohle. A byl by ten plech k mání. Zítra poptám z čeho by mi to mohli vypálit, když se teda shodnem, že by to byl nejvhodnější polotovar... Asi to ale dopadne na tu 11 523.
Sancho Panza
Příspěvky: 1218
Registrován: 6. 3. 2021, 12:50

17. 7. 2025, 10:50

testone píše: 17. 7. 2025, 11:55 jen pár drobných poznámek
podle obrázku je to víko nějaké převodovky ???
Opravdu je nutné to dělat z 15142?
ta bude ve formě plechu nebo desky hodně blbě dostupná, pokud vůbec
je to díl který si vyloženě říká o obrobení z výpalku, já bych volil běžný plech S235 nebo S355
Musí být obrobený obvod?
Nestačil by tam jen z laseru pálený povrch?
Je nutná ta tolerance a obráběný povrch u té vnirřní "osmičky"?
....
dělat to nebudu, nestíhám
Přesně - na první pohled dílec kterému je nejdůležitejší se vyhnout, na první pohled - jasný průser. Kolega to obvykle řeší tak, že dílec ani nepočítá, pouze nastřelí cenu (s dostatečnou rezervou) a pak vynásobí pěti.
Potom obvykle nastávají dvě typické varianty vývoje - k realizaci naštěstí nedojde (velké vítězství), a nebo jde opravdu o náhradní díl do OV-101, pak stejně s mírně vyšší cenou zákazník počítá (prohra, ale lze vydržet).
PeS-turn1
Příspěvky: 12
Registrován: 28. 4. 2023, 9:49

22. 7. 2025, 7:34

Jeden adept z časových důvodů odmítl, proto stále aktuální.
Ale slevil jsem z materiálu a dohrabal s k výpalku. Tedy 11 523.
Vnějšek načisto, díry s přídavkem 5mm na stěnu. síla 15mm, takže frézovat
i plochu. A oprava oproti původnímu náčrtu, závity jsou 5 x M8.
Případně pošlu model.
Přílohy
Výpalek ODT-N.jpg
testone
Sponzor fora
Příspěvky: 7534
Registrován: 3. 12. 2010, 5:56
Bydliště: Slaný

22. 7. 2025, 11:14

ještě dva přípodotky pro zjednodušení
1) už jsem se ptal - Je opravdu nutné mít u vnitřní plochy té "8" toleranci 0,05?
2) je nutné to těsnit 2,5 mm O kroužkem?
frézovat takovouhle drážku 2,5 mm frézou zásadně zužuje počet strojů na kterých to lze udělat, je nutné vřeteno co točí hoodně otáček a i tak to bude očistec
Nešlo by to prostě jen slepit silikonem naplocho jako se takové věci běžně dělají?
Obvykle se dějí věci obvyklé. Méně často se dějí věci neobvyklé a zcela vyjímečně se dějí věci vyjímečné...
Masturn 40 CNC, Hermle UWF1200H CNC a pár klasik
http://www.radialengine.cz" onclick="window.open(this.href);return false;
http://www.autopejsek.cz" onclick="window.open(this.href);return false;
PeS-turn1
Příspěvky: 12
Registrován: 28. 4. 2023, 9:49

22. 7. 2025, 12:03

1) Už mi došla příčina našeho nedorozumění. "8" myslíte ty dvě velké díry v siluetě sněhuláka. Ta větší o O 74 vystřeďuje platli z jedné strany na převodovku a kolíky z druhé strany na další platli. Původně je tato díra možná jen stovku dvě do plusu a docela na přesno spasovaná, tak bych to chtěl v rámci možností zachovat. Díry na kolíky (2x8H) bych asi zredukoval na jednu a druhou bych svrtal krz původní plech nebo protikus.

2) Nejsem frézař, ale myslím, že 6t. ot. běžných mašin na tk frézičku může stačit. Nejde o žádnou produktivitu.
PeS-turn1
Příspěvky: 12
Registrován: 28. 4. 2023, 9:49

22. 7. 2025, 12:15

k 1) U menší díry (o 42) je přesná tolerance asi bytečná. Ale určitě do +. 0,1.
k 2) Silikon až pokud by nebylo zbytí. U oblouku kolem díry 12H je hodně úzká plocha a skoro určitě by se tam potkal silikon s ozubeným kolečkem.
Odpovědět

Zpět na „Potřebuji vyrobit - vypomoc pri vyrobe“