Galvanicke oddelenie LPT
Zdravím všetkých, mám takúto otázku chcem si postaviť oddelovaciu dosku LPT podľa návrhu od MODEMA.Má tam opticky oddelené vstupy aj výstupy do PC je možné potom na túto oddelovaciu dosku pripojiť driver krokových motorov z opticky oddelenými vstupmi?
jistě že je to možný. pak ale nevidim výhodu použít oddělovací desku, když už to maj v sobě samotný drajvry.
www.tc-pipa.wz.cz
- Krutor
- Sponzor fora
- Příspěvky: 1080
- Registrován: 2. 12. 2008, 8:58
- Bydliště: Moravské Bránice
- Kontaktovat uživatele:
Poté co jsem vyzkoušel oddělovací desku z CNC shopu za nějakých 650 Kč k plné spokojenosti, tak bych nic nebastlil i kdybych to uměl. Kromě optického oddělení to má navíc budiče, protože proud co dá LPT není dostatečný pro signály Step/Dir u většiny driverů. Dále jsou tam 2 relátka na spínání čehokoliv, což se vždycky hodí.
Petr Spáčil
Nemám rovnaký názor. Oddelovacia doska od Modema je prinajmenšom rovnako kvalitná , ak nie kvalitnejšia ako z cnc shopu .
http://www.c-n-c.cz/viewtopic.php?t=138 ... e&start=30
http://www.c-n-c.cz/viewtopic.php?t=138 ... e&start=30
Nemáš CNC - nič neznamenáš.
30.01.10 pokusne spustené CNC. Neviem, ako som mohol doteraz bez neho žiť. ><((((º>
http://www.fishpol.sk
30.01.10 pokusne spustené CNC. Neviem, ako som mohol doteraz bez neho žiť. ><((((º>
http://www.fishpol.sk
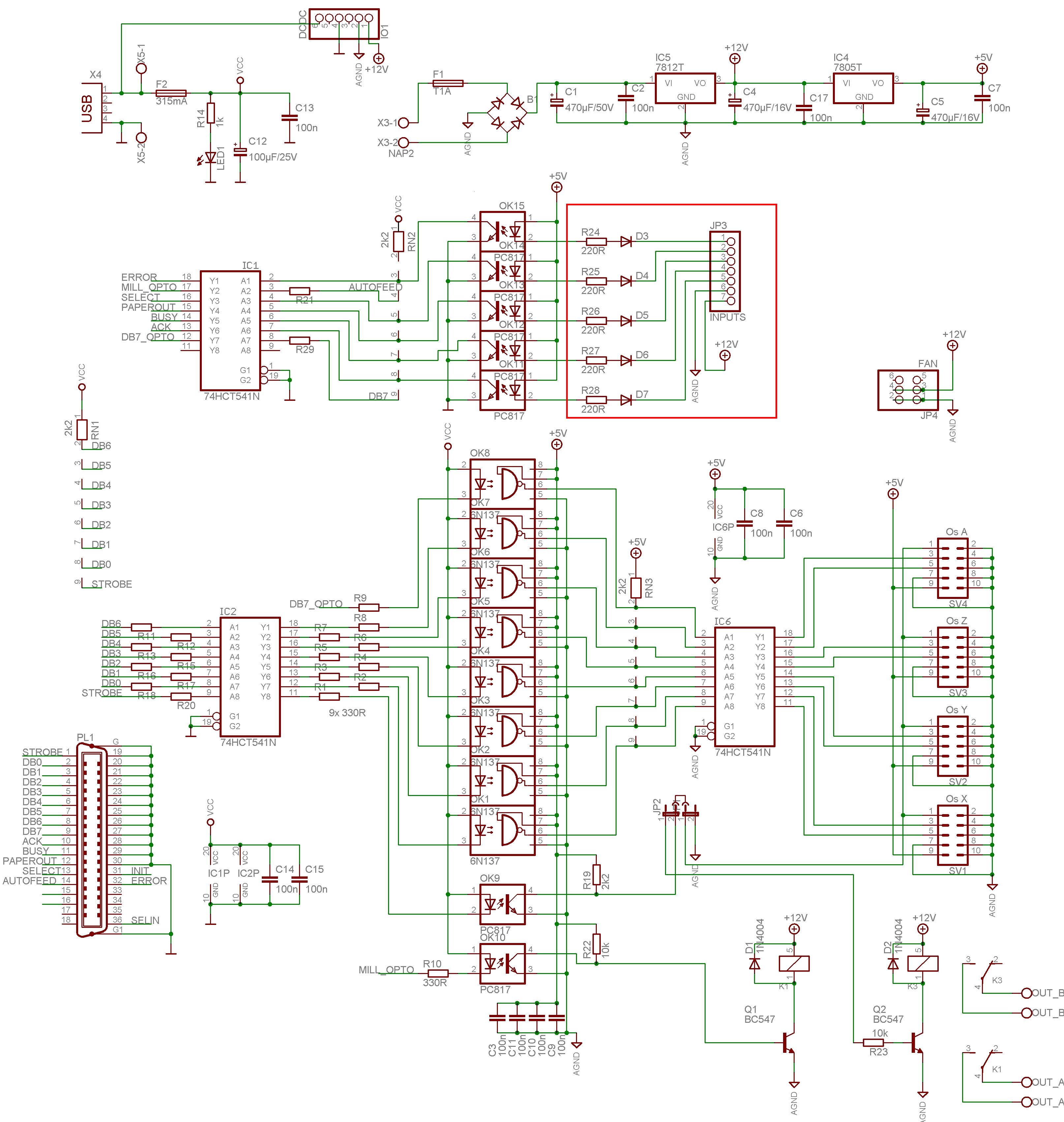
Vstupy JP3 pin 1-5 sa pripájajú na zem - pin 6 , pin 7 je na externé napájanie snímačov. Ja som vyviedol na pin 7 +5V a napájam priamo optozávoru.
Nemáš CNC - nič neznamenáš.
30.01.10 pokusne spustené CNC. Neviem, ako som mohol doteraz bez neho žiť. ><((((º>
http://www.fishpol.sk
30.01.10 pokusne spustené CNC. Neviem, ako som mohol doteraz bez neho žiť. ><((((º>
http://www.fishpol.sk
