OT: ejektor
-
- Sponzor fora
- Příspěvky: 8404
- Registrován: 16. 7. 2006, 12:33
- Bydliště: Praha Bohnice + Roudnice nad Labem
- Kontaktovat uživatele:
Omlouvám se za OT, není to zrovna k CNC - neuměl by tady někdo navrhnout ejektor nebo aspoň zkontrolovat návrh? Jsou tady machři přes parní stroje a podobné, tak to zkouším... Děkuji.
Aleš Procháska
-
- Sponzor fora
- Příspěvky: 8404
- Registrován: 16. 7. 2006, 12:33
- Bydliště: Praha Bohnice + Roudnice nad Labem
- Kontaktovat uživatele:
Je to samozřejmě specialitka
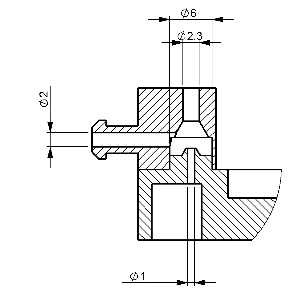
Miniaturní ejektor jako součást analyzátoru plynů. Má být poháněný přiváděným plynem a vytvářet při tom podtlak několik cm vodního sloupce v jednom ze senzorů. Ale doufám, že u těchto rozměrů (celková délka max. 13 mm) budou platit stejná pravidla návrhu jako u velkého ejektoru 


Aleš Procháska
-
- Sponzor fora
- Příspěvky: 8404
- Registrován: 16. 7. 2006, 12:33
- Bydliště: Praha Bohnice + Roudnice nad Labem
- Kontaktovat uživatele:
Aha, dík, to zkusím. Já zatím hledal nějaké principy, jaké mají být tlakové poměry, co se má chtít od profilu trysky a nic co bych chápal jsem nenašel 

Aleš Procháska
-
- Sponzor fora
- Příspěvky: 8404
- Registrován: 16. 7. 2006, 12:33
- Bydliště: Praha Bohnice + Roudnice nad Labem
- Kontaktovat uživatele:
Tak jsem nakonec zvolil čínskou metodu: zkonstruovat něco co vypadá jako ejektor a on to při troše štěstí bude ejektor 
Pro zajímavost to teď vypadá takhle a dělá mi to podtlak 10 cm vodního sloupce což s rezervou stačí. Plyn jde zespoda nahoru, přetlak rámcově 1 bar, přisává to z boku.

Pro zajímavost to teď vypadá takhle a dělá mi to podtlak 10 cm vodního sloupce což s rezervou stačí. Plyn jde zespoda nahoru, přetlak rámcově 1 bar, přisává to z boku.
Aleš Procháska