Spojeni dvou trubek - rotacni pohyb
-
- Příspěvky: 221
- Registrován: 21. 5. 2009, 9:17
- Bydliště: Brno
- Kontaktovat uživatele:
Ahoj vsem,
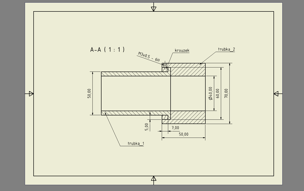
potreboval bych pomoci se spojenim 2 trubek. Potrebuji aby se trubka_1 otacela vuci trubka_2. Uvnitr trubek je otvor 40mm. Zatizeni trubky_1 nebude velke. Navrzene reseni tet funguje tak, ze trubka_1 se nasadi do trubka_2 a pote se nasadi krouzek, ktery se zajisti nekolika cerviky M3 s trubkou_2. Vyhodou je, ze by se dalo nastavit jak lehce pujde trubkou_1 otacet. Nenapada vas nejake lepsi reseni ? Trubka se bude otacet o cca 180 stupnu tam a zpet pomoci krokoveho motorku. Napadlo me jeste reseni ze bych udelal do trubka_2 drazku a misto krouzku dal pojistny krouzek. Taky potrebuji aby to bylo jednoduche na vyrobu. Diky
potreboval bych pomoci se spojenim 2 trubek. Potrebuji aby se trubka_1 otacela vuci trubka_2. Uvnitr trubek je otvor 40mm. Zatizeni trubky_1 nebude velke. Navrzene reseni tet funguje tak, ze trubka_1 se nasadi do trubka_2 a pote se nasadi krouzek, ktery se zajisti nekolika cerviky M3 s trubkou_2. Vyhodou je, ze by se dalo nastavit jak lehce pujde trubkou_1 otacet. Nenapada vas nejake lepsi reseni ? Trubka se bude otacet o cca 180 stupnu tam a zpet pomoci krokoveho motorku. Napadlo me jeste reseni ze bych udelal do trubka_2 drazku a misto krouzku dal pojistny krouzek. Taky potrebuji aby to bylo jednoduche na vyrobu. Diky
-
- Sponzor fora
- Příspěvky: 8404
- Registrován: 16. 7. 2006, 12:33
- Bydliště: Praha Bohnice + Roudnice nad Labem
- Kontaktovat uživatele:
Tohle se dá řešit na víc způsobů (napadá mě segerovka, převlečná matka, valivé ložisko, kluzné ložisko z plastu nebo bronzu, ...), spíš ještě napiš, co od toho čekáš a kolik je kolem místa.
Aleš Procháska
-
- Příspěvky: 221
- Registrován: 21. 5. 2009, 9:17
- Bydliště: Brno
- Kontaktovat uživatele:
ahoj,
okolo je spousta mista. na tu trubku ktera se bude otacet prijdou na konec jeste 2 motory, tak potrebuji aby tloustka steny byla alespon 4mm aby se do ni dal udelat zavit. Jeste se na ni da ozubene kolo a dalsi motor s ni bude otacet. Klidne to muze byt plastové. Potrebuji udelat neco jako je tento robot: http://www.fareastsports.com/pictures/n ... 895752.gif" onclick="window.open(this.href);return false; Jinak tou trubkou 2 jeste budu muset pohybovat nahoru a dolu.
okolo je spousta mista. na tu trubku ktera se bude otacet prijdou na konec jeste 2 motory, tak potrebuji aby tloustka steny byla alespon 4mm aby se do ni dal udelat zavit. Jeste se na ni da ozubene kolo a dalsi motor s ni bude otacet. Klidne to muze byt plastové. Potrebuji udelat neco jako je tento robot: http://www.fareastsports.com/pictures/n ... 895752.gif" onclick="window.open(this.href);return false; Jinak tou trubkou 2 jeste budu muset pohybovat nahoru a dolu.
-
- Příspěvky: 221
- Registrován: 21. 5. 2009, 9:17
- Bydliště: Brno
- Kontaktovat uživatele:
nikdo neporadi ?
-
- Sponzor fora
- Příspěvky: 8404
- Registrován: 16. 7. 2006, 12:33
- Bydliště: Praha Bohnice + Roudnice nad Labem
- Kontaktovat uživatele:
Přemýšlel jsem o tom, ale jak uvádíš, že to bude poháněné přes ozubené kolečko motorkem, tak se rázem z triviální úlohy stala obtížná, protože tam se každé nepatrné tření dost projeví. Co mě napadá je vrazit tam nějaké tenké kuličkové ložisko, třeba 61810. Při pečlivé práci by pro tohle zatížení stačilo nalisovat bez dalších upevňovacích prvků. Zřejmě ta tenčí trubka nemůže být protažená v celé délce skrz tu silnější, aby se tam daly dva teflonové nebo silonové kluzné kroužky?
Aleš Procháska
-
- Příspěvky: 221
- Registrován: 21. 5. 2009, 9:17
- Bydliště: Brno
- Kontaktovat uživatele:
S tim loziskem je to zajimavy napad. Ta mala trubka by nemela byt protazena tou vetsi trubkou. Ta mala se ma pouze otacet podel osy, ta vetsi by se potom mela pohybovat nahoru a dolu, a nakonec tam bude jeste jedna trubka ktera bude temi dvema otacet kolem dokola. nejhorsi je asi ta prvni cast, to nataceni nahoru a dolu vyresim tim, ze dam po stranach te vetsi trubky loziska. Uvnitr trubek je otvor cca 40mm pro pinpongove micky. Mimochodem to lozisko vyjde docela draze.
-
- Příspěvky: 221
- Registrován: 21. 5. 2009, 9:17
- Bydliště: Brno
- Kontaktovat uživatele:
koukam ze ty loziska se daji sehnat i levneji nez za 1000 

A nebylo by nejsnazsi ty trubky spojit zavitem? Mozna ten zavit udelat do nejakeho kluzneho materialu.
Pri pul otaccce te nejspis posun v ose nebude trapit a cele se to celkem dost zjednodusi. A pri sestavovani se to jen nasroubuje.
Pri pul otaccce te nejspis posun v ose nebude trapit a cele se to celkem dost zjednodusi. A pri sestavovani se to jen nasroubuje.
-
- Příspěvky: 221
- Registrován: 21. 5. 2009, 9:17
- Bydliště: Brno
- Kontaktovat uživatele:
to s tim loziskem mi pripada vcelku jednoduche. Proste bych to nalisoval a bylo by 

-
- Příspěvky: 221
- Registrován: 21. 5. 2009, 9:17
- Bydliště: Brno
- Kontaktovat uživatele:
spojeni zavitem je jednoduche ale bohuzel sam ten zavit neudelam. na soustruhu zvladnu pouze jednoduche veci. navic pri otaceni by se menila pozice vystrelovacich motoru a strilelo by to v ruzne okamziky v zavislosti na stoupani zavitu. ale napad je to dobry !!!
Já myslel že o to tam jde aby se měnila pozice těch gumových válců tak aby to měnilo osu rotace míčku nebo ne?
XpertMill, Gravos, Ninos, Galaad
IQ156
-1500Kč, -520Kč, -1čokoláda, - 28000Kč
www.freeair.cz www.rotexelectric.eu www.retrofitcnc.cz
IQ156
-1500Kč, -520Kč, -1čokoláda, - 28000Kč
www.freeair.cz www.rotexelectric.eu www.retrofitcnc.cz
-
- Příspěvky: 221
- Registrován: 21. 5. 2009, 9:17
- Bydliště: Brno
- Kontaktovat uživatele:
natoceni valcu ano, ale ne jejich vzdalenost. skrz ty valce pujde hromada micku, a kdyby se valce oddalili tak by dochazelo k vystreleni mice v jinou chvili, protoze na konci valce jsou vystrelovací motory. Rotací válce ale dojde k rotaci vystrelovacich motorů, tudiz ke zmene rotace. Pokud by vsak bylo stoupani male, tak by to pouzitelne urcite bylo. Problem je, ze se mi asi nepodari to vyriznout. Pouziti loziska bych ale asi zvladl. Spise jde o to, zda staci tloustka loziska 7mm. Tady prikladam video robotu. Bohuzel na videu se hlava nepohybuje. Jde ale videt ta vystrelovaci trubka s motory. Ta se ma otacet podle osy, a potom cele nahoru/dolu. http://www.youtube.com/watch?v=artfgfm_f8M
Možná najdu nějaké jeté ložiško s vnitřním průměrem 50mm, zkusím se zítra podívat.
XpertMill, Gravos, Ninos, Galaad
IQ156
-1500Kč, -520Kč, -1čokoláda, - 28000Kč
www.freeair.cz www.rotexelectric.eu www.retrofitcnc.cz
IQ156
-1500Kč, -520Kč, -1čokoláda, - 28000Kč
www.freeair.cz www.rotexelectric.eu www.retrofitcnc.cz
-
- Příspěvky: 221
- Registrován: 21. 5. 2009, 9:17
- Bydliště: Brno
- Kontaktovat uživatele:
dneska se to pokusim namodelovat, aby bylo videt jak to chci udelat.