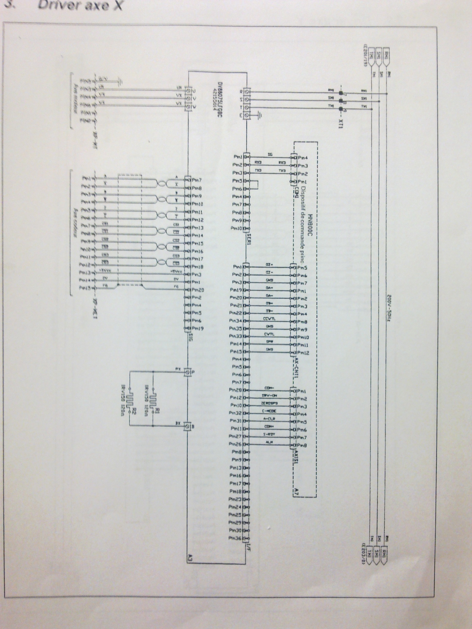
právě sem dostal toho řízení a chtěl bych se zeptat jestli náhodou někdo neznáte tyto drivery na AC SERVO jedá se mi o to jak to vůbec zapojit nikde na netu jsem nenašel žádné schéma
Panasonic AC servo driver
Trafo k tomu sa da doriesit 
Ja som si prednedavnom daval robit ponuky na take iste trafo o vykone 2.5kVA, vychadzalo to do 200eur.
Otazka ci sa ti to oplati pre teba...
Ja som si prednedavnom daval robit ponuky na take iste trafo o vykone 2.5kVA, vychadzalo to do 200eur.
Otazka ci sa ti to oplati pre teba...