ATC na soustruh

o systemech automaticke vymeny nastroje
Kvako1
Sponzor fora
Příspěvky: 1687
Registrován: 5. 4. 2011, 7:29
Bydliště: Praha, Čadca

15. 3. 2013, 1:30

děkuju za odkaz. vyživné vlákno , snad jsem to už pochopil :)
skusím něco nakreslit:)
pokud by někdo někde našel ještě nějaké odkazy, nakresy... sem stím :)
děkuji :)
RaS
Příspěvky: 8842
Registrován: 26. 3. 2009, 9:12
Bydliště: Úvaly

15. 3. 2013, 6:07

kdysi tady byl odkaz s výkresama od nějakýho myslím němce, kde to bylo řešené KM který otáčel nástrojovým tělesem a myslím pneupíst který to vysouval ze zubové spojky teď to nemůžu najít.. ale třeba někdo hodí odkaz..
věčný rýpal,který musí mít poslední slovo, odpůrce low-cost zařízení končících v naprosté většině případů v hromadě šrotu
uživatelé hýbátek, kteří mají z mých příspěvků celoživotní trauma nechť si mé příspěvky VYPNOU
Pepa Žhář
Příspěvky: 432
Registrován: 23. 1. 2011, 5:16

16. 3. 2013, 9:45

Ahoj já jí onehdá někde našel na netu a pomalu jí tvořím.
je to od toho němce jak píše RaS nějaké soubory jsem i upravoval, ale už nevím proč asi kvuli těm názvům.
revolverová hlava.rar
(5.06 MiB) Staženo 557 x
Kvako1
Sponzor fora
Příspěvky: 1687
Registrován: 5. 4. 2011, 7:29
Bydliště: Praha, Čadca

16. 3. 2013, 4:46

dikes , kouknu na to.
tvoříš? to vyrábíš? nebo překresluješ?
Kvako1
Sponzor fora
Příspěvky: 1687
Registrován: 5. 4. 2011, 7:29
Bydliště: Praha, Čadca

16. 3. 2013, 4:55

vtěch souborech sat je to same co maš převedono do těch eps ?
ty sat nemam čím otevřít :(
Pepa Žhář
Příspěvky: 432
Registrován: 23. 1. 2011, 5:16

16. 3. 2013, 5:09

Ano vyrábím ,tak ze 70% ji mám hotovou
jinak v těch sat souborech nevím co je ,já používal jen ty dxf
RaS
Příspěvky: 8842
Registrován: 26. 3. 2009, 9:12
Bydliště: Úvaly

16. 3. 2013, 5:34

nemáš to nakreslený v nějakým jiným měřítku? schválně jsem otevřel ten tvůj upravenej výkres na pálení a tam to máš asi v palcích místo mm, takže 25x větší ..
věčný rýpal,který musí mít poslední slovo, odpůrce low-cost zařízení končících v naprosté většině případů v hromadě šrotu
uživatelé hýbátek, kteří mají z mých příspěvků celoživotní trauma nechť si mé příspěvky VYPNOU
Pepa Žhář
Příspěvky: 432
Registrován: 23. 1. 2011, 5:16

16. 3. 2013, 6:03

Je to v kreslené mm zřejmě si to musíš přepnout
Výpalky .PNG
zítra to nafotím je to pálené z 8mm plechu a "slepené" tigem kvuli deformacím
originál je vyhlodaný z kusu AL
Kvako1
Sponzor fora
Příspěvky: 1687
Registrován: 5. 4. 2011, 7:29
Bydliště: Praha, Čadca

16. 3. 2013, 6:28

ja skoro všechno otevřel v Gravostáru :)
jenom ukazka. zobrazilo mi to normálně 1:1 v mm pohodka.
jenom jsem byl zvědavý co vtěch zbylých souborech je.
jinak, budeš dělat i ten vzduchový píst ? nebo použiješ komerční ?
Přílohy
1.png
2.png
Pepa Žhář
Příspěvky: 432
Registrován: 23. 1. 2011, 5:16

16. 3. 2013, 7:04

Ten mám již hotov, udělal jsem to přesně podle plánku
Kvako1
Sponzor fora
Příspěvky: 1687
Registrován: 5. 4. 2011, 7:29
Bydliště: Praha, Čadca

16. 3. 2013, 7:59

a co jsi na to použil za gumu?
jinak na tom dilu toho věnce na aretaci je tam uhel 20 stupňu jak si to udělal . frezoval ? ja mám doma jenom 14 stupňu frezy , je ten uhel nějak zásadní ? ještě jednou moc děkuju za ty plánky a pomoc :wink:
Pepa Žhář
Příspěvky: 432
Registrován: 23. 1. 2011, 5:16

17. 3. 2013, 6:53

Použil jsem 5 vrtev bazénové folie ,ale pokud mi ti praskne tak mám v záloze takové plátno s povrchovou upravou ,zřejmě poplastované
Jinak ten uhel bych řekl je dost zásadí , není ani velký to aby držel při obrábění a ani malý při zaklapávání do sebe.výroba byla vopruz použil jsem 6mm frézu a pak natočil hlavu o těch20st.
ale přemýšlel jem jestli by to nešlo udělat z věnců co jsou v hlavičkách na soustruh
Pepa Žhář
Příspěvky: 432
Registrován: 23. 1. 2011, 5:16

17. 3. 2013, 11:15

Tady jsou ty fotky
Hlava foto.rar
(3.34 MiB) Staženo 505 x
snad už bude počasí a čas to dodělat
Kvako1
Sponzor fora
Příspěvky: 1687
Registrován: 5. 4. 2011, 7:29
Bydliště: Praha, Čadca

17. 3. 2013, 2:46

pěkná práce.
včera jsem to věčer skoumal a asi mi tam bude zavazet ta čast z motorem. potřeboval bych to dát zepředu suportu.
napadlo mne dat to buď nastojato, nebo to zrcadlově otočit.
další možnost je zvedšit tu upínací desku na nože, ale pak se tam asi zvědší zatížení a nemuselo by to udržet pozici. myslíš že pokud bych to dal nastojato nevadilo by to ?
taky se peru z časem , nějak nestíham v práci a na tohle mám malo času. tak abych se zbytečně nedostal do nějaké slepé uličky.na tu gumu je tam jaký prostor ? myslím tím s jakou se tam počíta tloušťkou?
dík za fotky :)
Kvako1
Sponzor fora
Příspěvky: 1687
Registrován: 5. 4. 2011, 7:29
Bydliště: Praha, Čadca

17. 3. 2013, 3:16

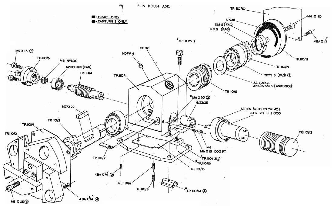
tohle jsem ukradl Gralusovi z vlákna, snad se nebude zlobit :)
další pěkný nákres
Přílohy
Toolpost.png
Odpovědět

Zpět na „Automaticka vymena“