menič alebo prepínač
- jova
- Příspěvky: 2561
- Registrován: 2. 11. 2007, 1:40
- Bydliště: Chýnov to je kousek od Tábora
- Kontaktovat uživatele:
Obdobnou hydrauliku co zdvihá radlici a sklápí káru máme na traktůrku. Zubové čerpadlo je poháněno od motoru 15kW a na volnoběh to tu káru nevyklopí.. A na bagříku, když pořádně hrábnu, tak kolikrát ani 8mi koňový motor na plný výkon pomalu nestíhá. Ale jak píšeš, vše je o správném poměru výkonu čerpadla respektive jeho ploch a ploch pístu. A těch vstupních údajů je skutečně málo na to, aby jsme se tu nad něčím dohadovali 
-
nevedkosenior
- Příspěvky: 120
- Registrován: 13. 1. 2009, 8:31
- Bydliště: Stará Ľubovna
Idem laborovať. Pozháňam najskôr dostupné údaje a začnem s meraním parametrov. Budem informovať o priebehu. 
...nikto učený z neba nespadol, keď spadol tak sa zabil ...
pro zajímavost - v padesátých (šedesátých) letech se vyráběl vlek 3,5 t za Zetor 30 který se sklápěl ručně, pomocí kliky a ozubeného hřebene.....
Obvykle se dějí věci obvyklé. Méně často se dějí věci neobvyklé a zcela vyjímečně se dějí věci vyjímečné...
Masturn 40 CNC, Hermle UWF1200H CNC a pár klasik
http://www.radialengine.cz" onclick="window.open(this.href);return false;
http://www.autopejsek.cz" onclick="window.open(this.href);return false;
Masturn 40 CNC, Hermle UWF1200H CNC a pár klasik
http://www.radialengine.cz" onclick="window.open(this.href);return false;
http://www.autopejsek.cz" onclick="window.open(this.href);return false;
-
nevedkosenior
- Příspěvky: 120
- Registrován: 13. 1. 2009, 8:31
- Bydliště: Stará Ľubovna
začal som s obhliadkou štviorkolky. Alternátor taký mrňavý, že som ho skoro nenašiel. Akumulátor 12V/ 16Ah. z toho plynie, že nabíjací prúd 1/10 je cca 1,6 A. takže žiadné 100A zazraky sa nekonajú. Výsledok na pohon čerpadla je potrebné použiť dve veľké baterky. Našťastie mám dva 12V/ 88 Ah akumulátory. Nabíjací prúd udržiavací pri 24V/ 8,8 A teda cca 220W . Na dobíjanie je treba minimálne menič 12/24 - 250W a viac. Okrem toho bude potrebné v dokovacej stanici dobiť na plnú kapacitu obidve baterky.
Prvý pokus: hydraulika bude ako samostatná jednotka priebežne dobíjana z pôvodnej elektroinštalácie čo by malo stačiť pri bežnej prevádzke na radlicu a kiper.
ide sa skúšačť

Prvý pokus: hydraulika bude ako samostatná jednotka priebežne dobíjana z pôvodnej elektroinštalácie čo by malo stačiť pri bežnej prevádzke na radlicu a kiper.
ide sa skúšačť
...nikto učený z neba nespadol, keď spadol tak sa zabil ...
Zrovna řeším stejný problém, ale je to na profesiolnální zařízení.
12V diesel a 24V hydraulika a servoklapky. Padlo rozhodnutí na bateriový přepínač z PV3S, ten mi vyřeší tento problém. A alternátoru se nebojím. Připojím ho natvrdo na "ukostřebou" baterku a tím eliminuji přepínací mezidobu a možné poškození alternátoru, bude stále připojen. Systém napájení 12V palubní sítě je zachovaný a to chvilkové přepnutí a odběr 24V z baterií se srovná po přepnutí zpět na 12V.
Ideální a jednoduché řešení. Kapacitu baterií ani řešit nemusím, Alternátor je stejně dobije na nominál cca 14V.
12V diesel a 24V hydraulika a servoklapky. Padlo rozhodnutí na bateriový přepínač z PV3S, ten mi vyřeší tento problém. A alternátoru se nebojím. Připojím ho natvrdo na "ukostřebou" baterku a tím eliminuji přepínací mezidobu a možné poškození alternátoru, bude stále připojen. Systém napájení 12V palubní sítě je zachovaný a to chvilkové přepnutí a odběr 24V z baterií se srovná po přepnutí zpět na 12V.
Ideální a jednoduché řešení. Kapacitu baterií ani řešit nemusím, Alternátor je stejně dobije na nominál cca 14V.
bednar.dk@seznam.cz
SolidWorks 2011
Zakázková výroba jednoúčelových strojů
konstrukce strojů, automatizace,
http://www.indops.cz" onclick="window.open(this.href);return false;
SolidWorks 2011
Zakázková výroba jednoúčelových strojů
konstrukce strojů, automatizace,
http://www.indops.cz" onclick="window.open(this.href);return false;
-
nevedkosenior
- Příspěvky: 120
- Registrován: 13. 1. 2009, 8:31
- Bydliště: Stará Ľubovna
Som rád, že sa to rieši viacerými spôsobmi. Mohol by si dať nejakú schému aspoň blokovú. Prípadne vypozorovať schému zapojenia bateriového spínača. Ako riešiš paralerné spojenie dvoch akumulatorov?Mad_BOXs píše:Zrovna řeším stejný problém, ale je to na profesiolnální zařízení.
12V diesel a 24V hydraulika a servoklapky. Padlo rozhodnutí na bateriový přepínač z PV3S, ten mi vyřeší tento problém. A alternátoru se nebojím. Připojím ho natvrdo na "ukostřebou" baterku a tím eliminuji přepínací mezidobu a možné poškození alternátoru, bude stále připojen. Systém napájení 12V palubní sítě je zachovaný a to chvilkové přepnutí a odběr 24V z baterií se srovná po přepnutí zpět na 12V.
Ideální a jednoduché řešení. Kapacitu baterií ani řešit nemusím, Alternátor je stejně dobije na nominál cca 14V.
...nikto učený z neba nespadol, keď spadol tak sa zabil ...
-
nevedkosenior
- Příspěvky: 120
- Registrován: 13. 1. 2009, 8:31
- Bydliště: Stará Ľubovna
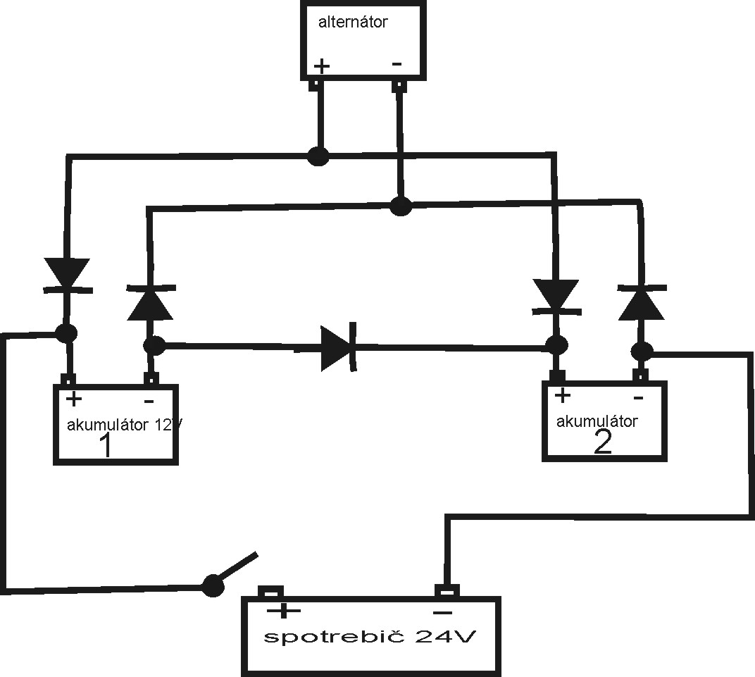
čo myslite fungovalo by to?
Naposledy upravil(a) nevedkosenior dne 28. 5. 2013, 5:47, celkem upraveno 1 x.
...nikto učený z neba nespadol, keď spadol tak sa zabil ...
Ne, nefungovalo.nevedkosenior píše:čo myslite fungovalo by to?
Ta dioda mezi baterkama bude znamenat rozpojeny spoj.
Cim bys ji chtel otevrit? Kde by se na ni vzalo napeti nejakych 0.7V v pruchozim smeru?
Obavam se, ze bez menice nebo nejakeho mechanickeho vexlu to nepujde.
PS. Mozna zkus priste posilat obrazky treba v JPG a ne v BMP. Ten stejny obrazek ma po konverzi do JPG 33 kB, v BMP ma pres 1 MB.
-
nevedkosenior
- Příspěvky: 120
- Registrován: 13. 1. 2009, 8:31
- Bydliště: Stará Ľubovna
budem sa snažiť nejak to prekonvertovať do JPG.rollfree píše:Ne, nefungovalo.nevedkosenior píše:čo myslite fungovalo by to?
Ta dioda mezi baterkama bude znamenat rozpojeny spoj.
Cim bys ji chtel otevrit? Kde by se na ni vzalo napeti nejakych 0.7V v pruchozim smeru?
Obavam se, ze bez menice nebo nejakeho mechanickeho vexlu to nepujde.
PS. Mozna zkus priste posilat obrazky treba v JPG a ne v BMP. Ten stejny obrazek ma po konverzi do JPG 33 kB, v BMP ma pres 1 MB.
Skúšal som spojiť takto dva akumulatory a ku podivu som nameral napätie znížene o cca 1 volt. Žiarovla však zasvietila normálne
...nikto učený z neba nespadol, keď spadol tak sa zabil ...
Samozřejmě je tam další stykač, který se spíná současně s bateriákem, protože k tomu je potřeba ještě spínat solenoid 1 OR 2. Je to asi nejjednodušší a nejlevnější řešení.jova píše:A jak jsi se popral s tím, že na 24V hydrauliku jde při vypnutém bateriáku 12V? Nebo tam máš další spínač?
Ten stykač na hydrauliku, by tam musel být stejně.
Razím základní pravidlo, "Nevymýšlej vymyšlené a léty ověřené"
Stykače se dají najít různě http://eskutr.cz/cs/45-jistice-kontaktory-odpojovace" onclick="window.open(this.href);return false;
bednar.dk@seznam.cz
SolidWorks 2011
Zakázková výroba jednoúčelových strojů
konstrukce strojů, automatizace,
http://www.indops.cz" onclick="window.open(this.href);return false;
SolidWorks 2011
Zakázková výroba jednoúčelových strojů
konstrukce strojů, automatizace,
http://www.indops.cz" onclick="window.open(this.href);return false;
Ten stykač na tom schématu PV3S je, jenom není vidět. Je schovaný v tom startéru.

Svorka 50 spíná cívku stykače a dělá další mech. funkce.
Svorka 50 spíná cívku stykače a dělá další mech. funkce.
Naposledy upravil(a) Mad_BOXs dne 28. 5. 2013, 10:09, celkem upraveno 1 x.
bednar.dk@seznam.cz
SolidWorks 2011
Zakázková výroba jednoúčelových strojů
konstrukce strojů, automatizace,
http://www.indops.cz" onclick="window.open(this.href);return false;
SolidWorks 2011
Zakázková výroba jednoúčelových strojů
konstrukce strojů, automatizace,
http://www.indops.cz" onclick="window.open(this.href);return false;