Frézky z aukra - Magma + VF 25 vario
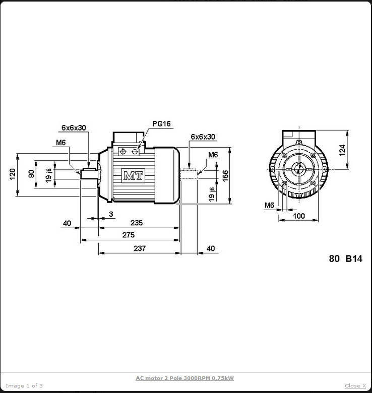
No, objavil som stránku na AC motor 220V alebo 380V 0,75kW 3000/1500n/min. pre BF 20/30 cena 135/126,-Euro tj. cca 3400/3260,-Kč. aj s náčrtkom rozmerov motora
http://damencnc.com/en/components/motor ... /ac-motors" onclick="window.open(this.href);return false;
Frekvenčné meniče VFD majú trochu pridrahé.
hotový vzor je tu napr:
http://www.ebay.com/itm/350819348754?ss ... 1438.l2649" onclick="window.open(this.href);return false;
otáčky špindlu dolný rozsah 150 -650 U/min. (+/- 10 %)
Otáčky špindlu horný rozsah 650 - 2.250 U/min. (+/- 10 %)
Výkon motora 950 Watt / 230 Volt
http://damencnc.com/en/components/motor ... /ac-motors" onclick="window.open(this.href);return false;
Frekvenčné meniče VFD majú trochu pridrahé.
hotový vzor je tu napr:
http://www.ebay.com/itm/350819348754?ss ... 1438.l2649" onclick="window.open(this.href);return false;
otáčky špindlu dolný rozsah 150 -650 U/min. (+/- 10 %)
Otáčky špindlu horný rozsah 650 - 2.250 U/min. (+/- 10 %)
Výkon motora 950 Watt / 230 Volt