Problém se zdroji
Poslední dobou se mi stalo že několikrát cca 3x mi odešel zdroj pro trubici od co2 laseru ( 2x něco v ovládací části a 1x to odneslo VF trafo). Vždy k tomu došlo za divných okolností. Večer jsem stroj vypnul a ráno bud něšel ( tuším ve dvou případech) a nebo vyhodil pojistky a nešel. Také mi 2x odešel spínaný zdroj u PC čka. ( jiné než to co je u laseru ale oba přístroje jsou na jedné fázi už několik let). Takže mi to začíná připadat divné ( a taky mi došli náhradní zdroje pro co2 laser) tak přemýšlím jestli tam nemám nějakou neplechu ( přepětí, podpětí - jak to změřit nebo preventivně ochránit), nebo hold poslední dobou zdroje nestojí za nic. U toho pcčka je taková ta přepěťový pes pro asi 6 zásuvek. Nějaká rada?
XpertMill, Gravos, Ninos, Galaad
IQ156
-1500Kč, -520Kč, -1čokoláda, - 28000Kč
www.freeair.cz www.rotexelectric.eu www.retrofitcnc.cz
IQ156
-1500Kč, -520Kč, -1čokoláda, - 28000Kč
www.freeair.cz www.rotexelectric.eu www.retrofitcnc.cz
nedávno jsem náhodou asi v 10 večer naměřil v síti 252V ...
Obvykle se dějí věci obvyklé. Méně často se dějí věci neobvyklé a zcela vyjímečně se dějí věci vyjímečné...
Masturn 40 CNC, Hermle UWF1200H CNC a pár klasik
http://www.radialengine.cz" onclick="window.open(this.href);return false;
http://www.autopejsek.cz" onclick="window.open(this.href);return false;
Masturn 40 CNC, Hermle UWF1200H CNC a pár klasik
http://www.radialengine.cz" onclick="window.open(this.href);return false;
http://www.autopejsek.cz" onclick="window.open(this.href);return false;
- Kilovolt
- Sponzor fora
- Příspěvky: 829
- Registrován: 21. 10. 2009, 9:59
- Bydliště: Podřipák jak vyšitej!
To seš ještě v toleranci
, tuším ČSN EN 50 160 uvádí toleranci 10% nahorudolu tj. od 207 V do 253 V . Otázka je, co na to spotřebiče
.Pro Luboše: možná máš špičky v síti, ale od nich ti ta "chráněná" prodlužka nepomůže -ochrana se navrhuje obvykle třístupňová a bohužel stojí docela balík.
Elektrika je potvora-nejni vidět a kope jak divoká mula.
"Učíme se po celý život. Až na školní léta" - Gabriel Laub
"Učíme se po celý život. Až na školní léta" - Gabriel Laub
Tak mi odešel i druhý náhradní zdroj a musel jsem přistoupit k opravě.
Je zajímavé na že 3 zdrojích , které nejdou vždy odešel tento šváb
http://cz.mouser.com/ProductDetail/Fair ... 7w4fkPg%3d" onclick="window.open(this.href);return false;
a následně i optron co na něj vede.
U jednoho zdoje který má pravděpodobně v háji trafo jsem ho vyndal a dal do zdroje co odešel včera a chodí to.
Úplně nevím co ten brouk dělá ale předpokládám že jde o nějaký regulátor nebo spíš spínač vstupního napětí?
Netušíte někdo jaká by mohla být příčina že mi to odešlo už 3x
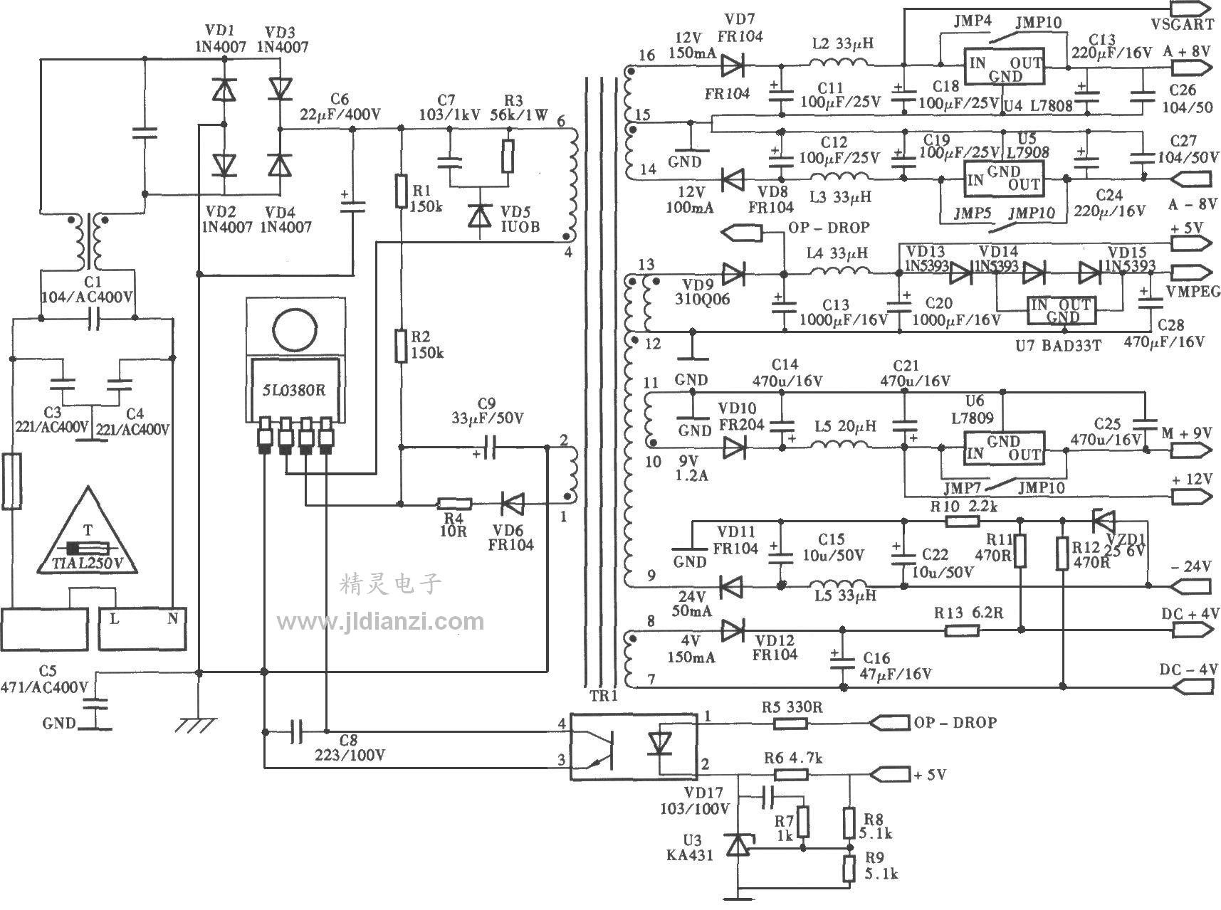
Přikládám přibližné zapojení ( jde o jinou věc ale celý primár je v podstatě stejný)
Je zajímavé na že 3 zdrojích , které nejdou vždy odešel tento šváb
http://cz.mouser.com/ProductDetail/Fair ... 7w4fkPg%3d" onclick="window.open(this.href);return false;
a následně i optron co na něj vede.
U jednoho zdoje který má pravděpodobně v háji trafo jsem ho vyndal a dal do zdroje co odešel včera a chodí to.
Úplně nevím co ten brouk dělá ale předpokládám že jde o nějaký regulátor nebo spíš spínač vstupního napětí?
Netušíte někdo jaká by mohla být příčina že mi to odešlo už 3x
Přikládám přibližné zapojení ( jde o jinou věc ale celý primár je v podstatě stejný)
XpertMill, Gravos, Ninos, Galaad
IQ156
-1500Kč, -520Kč, -1čokoláda, - 28000Kč
www.freeair.cz www.rotexelectric.eu www.retrofitcnc.cz
IQ156
-1500Kč, -520Kč, -1čokoláda, - 28000Kč
www.freeair.cz www.rotexelectric.eu www.retrofitcnc.cz
Mas kliku, ze je ten zdroj asi docela snadno opravitelny (samozrejme krome trafa). Zacal bych tim, ze bych koupil 10ks tech spinacakovych integracu, pak bude cena jen 1.38E za kus. 
Pokud tam odesel opakovane i PC zdroj, tak bude zrada asi nekde mimo vlastni zdroj laseru. Nicmene i tak bych jako prvni krok zmeril teplotu toho spinaciho integraze po delsi dobe chodu, a zmeril spotrebu celeho zdroje.
Predpokladam, ze mas doma (nebo kde to provozujes) privedeny 3-fazovy privod. Pak dobre zkontroluj dotazeni zemniho privodu (N). Jde o to, ze kdyz mas doma velmi silne nesymetrickou zatez na jednotlivych fazich (napr. na jedne je bojler nebo pracka atd.), tak ten velky odber v nektere (nekterych) fazi pri vyssim prechodovem odporu na svorce N zvedne napeti na ostatnich fazich. A to casto i velmi vyrazne. Podle zasady "kovarova kobyla" se to stalo i u rodicu, a pak jsem jim opravoval pulku domacich spotrebicu.
Pokud budes merit napeti v siti, tak to zkus udelat prave v okamziku nesymetrickeho zatizeni ostatnich fazi.
Pokud tam odesel opakovane i PC zdroj, tak bude zrada asi nekde mimo vlastni zdroj laseru. Nicmene i tak bych jako prvni krok zmeril teplotu toho spinaciho integraze po delsi dobe chodu, a zmeril spotrebu celeho zdroje.
Predpokladam, ze mas doma (nebo kde to provozujes) privedeny 3-fazovy privod. Pak dobre zkontroluj dotazeni zemniho privodu (N). Jde o to, ze kdyz mas doma velmi silne nesymetrickou zatez na jednotlivych fazich (napr. na jedne je bojler nebo pracka atd.), tak ten velky odber v nektere (nekterych) fazi pri vyssim prechodovem odporu na svorce N zvedne napeti na ostatnich fazich. A to casto i velmi vyrazne. Podle zasady "kovarova kobyla" se to stalo i u rodicu, a pak jsem jim opravoval pulku domacich spotrebicu.
Pokud budes merit napeti v siti, tak to zkus udelat prave v okamziku nesymetrickeho zatizeni ostatnich fazi.
Soustruh Noell E0177 (Sandra), jenom kličky
Frézka 3040z (Fiona), LinuxCNC
Frézka 3040z (Fiona), LinuxCNC
No na stejné fázi mám i pc 2 ks, UV tiskárnu.
U jednoho z pc odešel zdroj 2x ale je to taková placatá potvora s malým zdrojem a PC v podstatě nevypínám.
Blbé je že to odchází divně.
mimo jiné se na konetoru přívodu mezi fází a zemí udělal výboj ( mohl to být prach) a ten přepálil i zem na tištáku ( zem je na tištáku po obvodu takže jsem to nepoznal).
Odhází to tak, že celý den v pohodě večer vypnu a druhý den ráno, když stroj pustím tak nic ( při odejití zdroje odejde i zábleskem pojitka jen asi 2x zdroj zachránila). Stroj většinou pouštím jako první věc tedy v dílně běží jen počítače.
Těch švábů jsem objednal 10 tak uvidím. blbé je že ten zdroj do laseru je o dost složitější než je to na tom obráku ( z obráku mají stejný jen primár). Já elektrice moc nehovím, vyměnuje jen ohořelé součástky
, navíc když je tam 35Kv tak už si dávám bacha někam něco strkat a na oscil asi ani nemám takovou sondu.
Jediné co jsem ted ještě udělal je to že jsem prohodil AC vstup na zdroji tak aby fáze šla na pojistku, i když by to mělo být jedno a na bedně to nerozlišujou je tam jen AC AC a FG. Tak uvidíme ted mi jeden zdroj chodí, druhý snad rozchodím jak přijde šváb a třetí ze kterého jsem ten šváb vzal má asi někde v háji diody. Když šel tak najel max na 1000V a nic víc.
Na fázi jsem naměřil 230V ale je otázka co se tam kde děje.
U jednoho z pc odešel zdroj 2x ale je to taková placatá potvora s malým zdrojem a PC v podstatě nevypínám.
Blbé je že to odchází divně.
mimo jiné se na konetoru přívodu mezi fází a zemí udělal výboj ( mohl to být prach) a ten přepálil i zem na tištáku ( zem je na tištáku po obvodu takže jsem to nepoznal).
Odhází to tak, že celý den v pohodě večer vypnu a druhý den ráno, když stroj pustím tak nic ( při odejití zdroje odejde i zábleskem pojitka jen asi 2x zdroj zachránila). Stroj většinou pouštím jako první věc tedy v dílně běží jen počítače.
Těch švábů jsem objednal 10 tak uvidím. blbé je že ten zdroj do laseru je o dost složitější než je to na tom obráku ( z obráku mají stejný jen primár). Já elektrice moc nehovím, vyměnuje jen ohořelé součástky
Jediné co jsem ted ještě udělal je to že jsem prohodil AC vstup na zdroji tak aby fáze šla na pojistku, i když by to mělo být jedno a na bedně to nerozlišujou je tam jen AC AC a FG. Tak uvidíme ted mi jeden zdroj chodí, druhý snad rozchodím jak přijde šváb a třetí ze kterého jsem ten šváb vzal má asi někde v háji diody. Když šel tak najel max na 1000V a nic víc.
Na fázi jsem naměřil 230V ale je otázka co se tam kde děje.
XpertMill, Gravos, Ninos, Galaad
IQ156
-1500Kč, -520Kč, -1čokoláda, - 28000Kč
www.freeair.cz www.rotexelectric.eu www.retrofitcnc.cz
IQ156
-1500Kč, -520Kč, -1čokoláda, - 28000Kč
www.freeair.cz www.rotexelectric.eu www.retrofitcnc.cz
No a nejsou na stejnem 3-f privodu pripojene i nejake dalsi spotrebice, ktere jedou prave v noci? To by nahravalo tomu, ze na te Tve fazi v noci zatez neni, ale na tech zbybajicich ano, a ty vytahnou napeti na te Tve. Pokud je to PC vypnute jen elaktronicky a ne poradnym mechanickym vypinacem, tak je sitova cast stale pod napatim a je zatezovana pripadnym prepetim.
To poradne zemneni musi byt provedeno (zkontrolovano) na vstupu do objektu. Kdyz si namalujes obrazek 3 fazoveho pripojeni a pak nahradis zatez ve 2 fazich zkratem (tj. simulace velkeho odberu), tak v pripade dobreho pripojeni zeme se nic nestane - vylitnou jistice a jedeme dal. Ale kdyz spolecnou zmenici svorku odpojis od zeme (simulace spatneho kontaktu), tak ty 2 zkraty udelaji neco jako napetovy delic a vytahnou napeti na odpojene spolecne zemni svorce nahoru. No a chudak maly spotrebic na zbyvajici fazi se pak nestaci divit, kde se na nem najedou vzalo treba 350V.
To poradne zemneni musi byt provedeno (zkontrolovano) na vstupu do objektu. Kdyz si namalujes obrazek 3 fazoveho pripojeni a pak nahradis zatez ve 2 fazich zkratem (tj. simulace velkeho odberu), tak v pripade dobreho pripojeni zeme se nic nestane - vylitnou jistice a jedeme dal. Ale kdyz spolecnou zmenici svorku odpojis od zeme (simulace spatneho kontaktu), tak ty 2 zkraty udelaji neco jako napetovy delic a vytahnou napeti na odpojene spolecne zemni svorce nahoru. No a chudak maly spotrebic na zbyvajici fazi se pak nestaci divit, kde se na nem najedou vzalo treba 350V.
Soustruh Noell E0177 (Sandra), jenom kličky
Frézka 3040z (Fiona), LinuxCNC
Frézka 3040z (Fiona), LinuxCNC