řízení frekvenčního měniče LENZE esmd371x2sfa pwm

Diskuze o softvéru MACH od tvůrců Artsoft všech verzí: dotazy, programování, skripty, poznatky atd...
Odpovědět
g.ges.hc
Příspěvky: 152
Registrován: 2. 1. 2008, 11:24

22. 2. 2014, 8:39

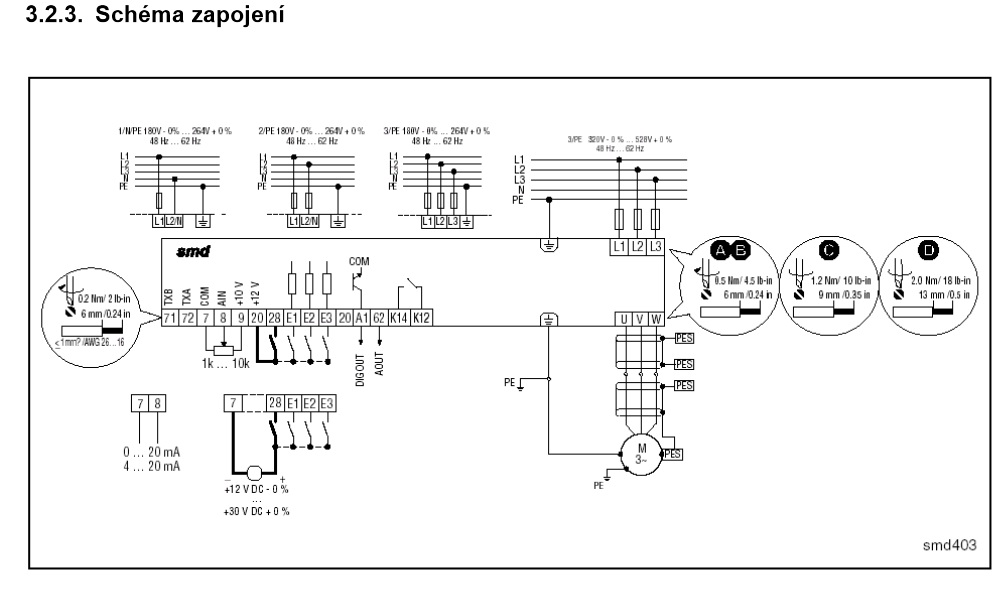
zdravím vás pánové
chtěl bych se zeptat jestli by šlo nějak řídit tento frekvenční měnič v machu přes PWM ??? VIZ. zapojení níže jedná se mi o to jestli budu muset k tomu něco dostavět nebo to půjde propojit rovnou mezi sebou??děkuji moc
Přílohy
a.jpg
2.jpg
Uživatelský avatar
packa
Příspěvky: 7076
Registrován: 7. 2. 2007, 6:42
Bydliště: Královehradecký kraj

22. 2. 2014, 9:49

vzhledem k tomu že ten měnič podporuje řízení analog 0-10V kde se standartně připojuje potenciometr tak ano půjde , ale místo potenciometru se musí připojit převodník PWM/0-10V , prodává se na cnc shopu
: http://www.cncshop.cz/prevodnik-pwm-na-0-10v" onclick="window.open(this.href);return false;
g.ges.hc
Příspěvky: 152
Registrován: 2. 1. 2008, 11:24

23. 2. 2014, 3:23

dík moc za radu a jak se to potom připojuje k pc ???
Uživatelský avatar
packa
Příspěvky: 7076
Registrován: 7. 2. 2007, 6:42
Bydliště: Královehradecký kraj

23. 2. 2014, 5:13

pak připojíš jeden pin pro aktivaci vřetene / měniče a na druhý naliunkuješ PWM signál kde určité frekvenci odpovídají nastavené otáčky na měniči
mechy22
Příspěvky: 9
Registrován: 17. 6. 2009, 12:06
Bydliště: Louka 219

24. 8. 2014, 7:05

zdravím,
řeším něco podobného s nevalným výsledkem. Jak nastavit mach když mám zapnutí vřetene pin 14 a pwm pin 16. Vřeteno max otáčky 12tis. min 3tis.
Díky za radu
Sender
Příspěvky: 33
Registrován: 18. 10. 2007, 8:16

24. 8. 2014, 9:37

Převodním PWM na napětí prodávají i Číňani s možností nastavení výstupního napětí 0-5V,0-10V
http://www.ebay.com/itm/PWM-to-Voltage- ... 4ad52a5c1a
Uživatelský avatar
Thomeeque
Příspěvky: 9384
Registrován: 30. 1. 2012, 10:20
Bydliště: Mimo ČR

24. 8. 2014, 10:49

Hodně jednoduchý interface pro řízení invertoru viz. pravý dolní roh na schematu zde, o převod PWM se stará obvod kolem optronů OK3 a OK4. Teď bych to ještě pojal malinko jinak, R18 a R19 bych dal mnohem menší (jsou takto jen jako pojistka, aby nedošlo ke zkratu napětí z invertoru, pokud by nějaký zvláštní stav způsobil otevření obou optronů), něco jako 470R a před C4 předřadil víceotáčkový odporový trimr (cca 10k) pro možnost doladění maximálního výstupního napětí (je závislé na vstupním odporu invertoru).
mimooborová naplavenina • kolowratský zázrak™ • NPS • GCU • HirthCalc • ncDP.ino
Odpovědět

Zpět na „MACH všech verzí“