polotovar (Proxxon @ Mazel) *HOTOVO*

Požadavky na výrobu dílů - poptávkové fórum
Pravidla fóra
Toto forum vyzaduje schvaleni prispevku moderatorem.
Odpovědět
Uživatelský avatar
Thomeeque
Příspěvky: 9521
Registrován: 30. 1. 2012, 10:20
Bydliště: Mimo ČR

27. 8. 2014, 10:23

Ahoj,

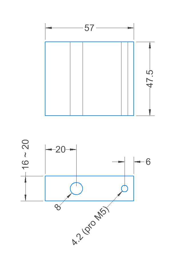
potřeboval bych vyrobit takovýto hranolek se dvěma vývrty, materiál asi buď tvrdej hliník nebo automatová ocel nebo něco takového, tloušťka od těch 16 do 20mm, raději více. Díry v ose.
Thmq_polotovar.png
chtěl by si to opracovat do takovéhoto jednoduchého držáku na Proxxon frézku, který by se dával na Mazla místo nožovky, trochu jako tady (to už bych dělal sám, jen aby bylo jasno, k čemu to je):
Thmq_celotovar.png
Thmq_celotovar.png (5.34 KiB) Zobrazeno 4918 x
"M5" díra by nutně skrz bejt nemusela, ale preferoval bych to. Opravdu rovná musí být spodní hrana, pokud by mohla být i horní, mohl bych to montovat i obráceně a využít třeba ještě jinak. Bral bych dva kousky, možná i více.

Dík za případné nabídky, T.

PS: proč to proboha každý ten obrázek zobrazuje jinak?
Naposledy upravil(a) Thomeeque dne 26. 9. 2014, 11:52, celkem upraveno 2 x.
mimooborová naplavenina • kolowratský zázrak™ • NPS • GCU • HirthCalc • ncDP.ino
Uživatelský avatar
Thomeeque
Příspěvky: 9521
Registrován: 30. 1. 2012, 10:20
Bydliště: Mimo ČR

28. 8. 2014, 10:29

Moje poptávka je asi hodně nezajímavá (nuda, málo) - s nudou nic nenadělám, ale napadá mě, že bych podobných hranolků vlastně bral více, na různé experimenty se švýcarským uspořádáním atp., už by tam nebyla ta M5 díra atp., ale imho by to šlo jet celkem pohromadě..
mimooborová naplavenina • kolowratský zázrak™ • NPS • GCU • HirthCalc • ncDP.ino
oscar
Příspěvky: 1249
Registrován: 2. 5. 2010, 8:50
Bydliště: Perníkovice

28. 8. 2014, 11:23

sakrys, a proc si to na zazraku neudelas sam?
kdyz pojedes nejakou 1/8"-4kou po desetine tak to z hliny nakrouhas.....
Uživatelský avatar
Thomeeque
Příspěvky: 9521
Registrován: 30. 1. 2012, 10:20
Bydliště: Mimo ČR

28. 8. 2014, 12:00

Smutná pravda je taková, že já nemám ani matroš :( Ale už jsem dostal moc pěknou nabídku, Zázraku™ zkusim dát zabrat někdy příště :) T.
mimooborová naplavenina • kolowratský zázrak™ • NPS • GCU • HirthCalc • ncDP.ino
sisi
Příspěvky: 345
Registrován: 11. 10. 2013, 7:49

28. 8. 2014, 12:15

A což použít origo držák proxxon do nožové hlavy :)
Krása pomíjí, blbost je věčná
Uživatelský avatar
Thomeeque
Příspěvky: 9521
Registrován: 30. 1. 2012, 10:20
Bydliště: Mimo ČR

28. 8. 2014, 12:28

Myslíš něco takovýhodle? Tam mě kromě poměrně bláznivé cenovky odrazuje zbytečně velká páka na support a vlastně i rychlost upínání, nožovku vyměnim rychlejc než nože v ní. Taky by to byla nuda koupit rovnou hotový.. :)
mimooborová naplavenina • kolowratský zázrak™ • NPS • GCU • HirthCalc • ncDP.ino
sisi
Příspěvky: 345
Registrován: 11. 10. 2013, 7:49

28. 8. 2014, 1:48

Jj ale přímo proxxon ."Držák z oceli 30 x 10 x 65 mm je vhodný k přesnému a pevnému upnutí např.vrtací brusky LBS/E nebo IBS/E do soustruhu.Možné upnutí ø 20 mm. Dřík držáku 8 x 10mm. Použití se soustruhem PD 230 a PD 400.
Obj.č. 24 098". Je pravda, že není nejlevnější asi 450,-Kč ale je hned. Máš pravdu není to pak zábava. :D
Krása pomíjí, blbost je věčná
Uživatelský avatar
Zdenek Valter
Příspěvky: 5459
Registrován: 9. 1. 2009, 5:16
Bydliště: Ústí n. L.

30. 8. 2014, 6:24

Thomeeque píše:Myslíš něco takovýhodle? Tam mě kromě poměrně bláznivé cenovky odrazuje zbytečně velká páka na support a vlastně i rychlost upínání, nožovku vyměnim rychlejc než nože v ní. Taky by to byla nuda koupit rovnou hotový.. :)
Já si to kdysi nechal vypálit z 10 mm oceli. Pokud chceš mohu Ti to přespříštítýden dovézt ;-)
Hobbík - obráběč i 3D tiskař začátečník - strojní park je konečně instalován
potraviny
Příspěvky: 1965
Registrován: 17. 9. 2009, 10:05
Bydliště: Most
Kontaktovat uživatele:

30. 8. 2014, 8:37

Jestli po tom hodně toužíš, pošli nějakej skic, něco ti v tejdnu fiknu.
Osobně to vkládám přímo do nožovky.
Přílohy
IMAG0392.jpg
IMAG0393.jpg
Uživatelský avatar
Thomeeque
Příspěvky: 9521
Registrován: 30. 1. 2012, 10:20
Bydliště: Mimo ČR

30. 8. 2014, 10:52

Díky pánové, už mám něco rozjednaného, kdyby to neklaplo, tak bych se případně ozval :)
mimooborová naplavenina • kolowratský zázrak™ • NPS • GCU • HirthCalc • ncDP.ino
Odpovědět

Zpět na „Potřebuji vyrobit - vypomoc pri vyrobe“