Dobrý den
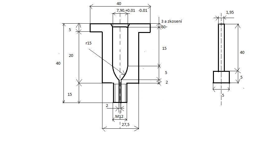
Poptávám výrobu 1ks matrice. Materiál ocel, kalená a vnitřní dutina leštěná. Je mi jasné že 2mm díra leštit moc nejde tak stačí vystružit. Posílám v příloze nákres s rozměry. Vnější rozměry stačí s přesností na 0,1mm. Důležitá je pouze dutina a její vyleštění. Do dutiny se bude lisovat mosazná dutinka s olovem. Jedná se matrici na výrobu střely 7,62 TT. Dokázali by jste tuto matrici vyrobit a napsat mi přibližnou cenu?
Pokud jde o vyrážecí čep ten by měl být vyroben z "pevnější" oceli.
matrice
Pravidla fóra
Toto forum vyzaduje schvaleni prispevku moderatorem.
Toto forum vyzaduje schvaleni prispevku moderatorem.
a proč si nekoupíš výstružník 7,9? u Hoffmana stojí cca 400,- když vezmeš 8ku pošleš ho nějakému brusičovi on Tobě zpátky tak to vyjde asi dráž..
věčný rýpal,který musí mít poslední slovo, odpůrce low-cost zařízení končících v naprosté většině případů v hromadě šrotu
uživatelé hýbátek, kteří mají z mých příspěvků celoživotní trauma nechť si mé příspěvky VYPNOU
uživatelé hýbátek, kteří mají z mých příspěvků celoživotní trauma nechť si mé příspěvky VYPNOU