Vodorovná obrážečka

kdyz nebudes vedet kam to dat tak to napis sem, admin to za tebe umisti nebo vytvori novou sekci
Uživatelský avatar
Thomeeque
Příspěvky: 9565
Registrován: 30. 1. 2012, 10:20
Bydliště: Mimo ČR

19. 11. 2015, 11:30

MišoS píše:Neviem, či to tu už nebolo, ale radšej dvakrát, ako ani raz
Ahoj, smaž tu přílohu, plz, video je tady: https://youtu.be/QxysfTM95t4" onclick="window.open(this.href);return false; (tady je to škoda místa, nemluvě o kvalitě)
mimooborová naplavenina • kolowratský zázrak™ • NPS • GCU • HirthCalc • ncDP.ino
p.mus
Příspěvky: 169
Registrován: 15. 1. 2007, 6:54
Bydliště: vysočina

19. 11. 2015, 2:40

Dobrá stránka
http://www.chipmaker.ru/topic/104176/page__st__20" onclick="window.open(this.href);return false;
Grad
Příspěvky: 2088
Registrován: 13. 7. 2014, 9:32

20. 11. 2015, 7:41

Francotirador píše:A ta velikost respektive palce reprezentují co? Max. dráhu smykadla?
Nepřekreslil někdo tu Gingeryho konstrukci na šroubovanou? S litím nemám zkušenosti a hliník jako konstrukční materiál obráběcích strojů mi nějak "nejde pod fousy".
I když mám obavu, že jestli ano, tak to bude stejně kótovaný v palcích a bez tolerancí. :?
Také jsem to tak pochopil, že údaj v palcích reprezentuje dráhu smykadla.
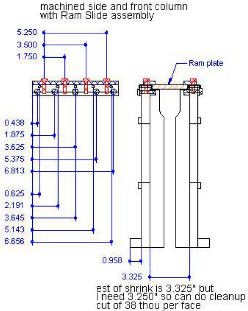
Ta konstrukce v podstatě šroubavanou je viz. například konstrukce sloupu tady:
zdroj: http://rick.sparber.org/Articles/CD/CDM/umsd.pdf
zdroj: http://rick.sparber.org/Articles/CD/CDM/umsd.pdf
nebo se pak inspirovat tady:
http://www.metalworkingfun.com/thread-935.html" onclick="window.open(this.href);return false;

Odhadují hmotnost mašinky v litině tak na 50-80 kg, takže by to nemuselo stát majlant :wink:
Možná by se dalo něco (asi i většina) předělat na výpalky a ty pak ofrézovat? Chtělo by to ale pak další nadšence, překreslit to všechno a dohodnout co kdo je schopen zajistit... :D
Uživatelský avatar
fmodel
Příspěvky: 10258
Registrován: 26. 10. 2011, 10:37
Kontaktovat uživatele:

20. 11. 2015, 7:45

výpalek tak za třetinu co litina ALE k tomu slušný sváření a dvakrát žíhat tak seš na 2/3 litiny .
Odlitek má lepší opakovatelnost a když někdo spáchá modely tak pak už to není problém.
Jo a ještě kluzný vlastnosti litiny versus ocel.
http://www.rm-reznicek.cz" onclick="window.open(this.href);return false;
Uživatelský avatar
filla
Příspěvky: 3523
Registrován: 1. 12. 2013, 12:55
Bydliště: Brno
Kontaktovat uživatele:

21. 11. 2015, 11:40

ma cenu to vyrabet?

http://www.sbazar.cz/dspraha/detail/139 ... 25-vyrobce" onclick="window.open(this.href);return false;

bonus:

http://www.sbazar.cz/stuchlikovakaterin ... ka-funkcni" onclick="window.open(this.href);return false;
"do řiti se řítíme, ani o tom nevíme.."
Uživatelský avatar
bobik
Příspěvky: 4556
Registrován: 11. 12. 2007, 7:48
Bydliště: Okres Klatovy

21. 11. 2015, 12:51

Ach jo, místo na takovou krávu není a když se objeví nějaká poloviční, tak bude mít cenu pětinásobnou.
Grad
Příspěvky: 2088
Registrován: 13. 7. 2014, 9:32

21. 11. 2015, 8:24

fmodel píše:výpalek tak za třetinu co litina ALE k tomu slušný sváření a dvakrát žíhat tak seš na 2/3 litiny .
Odlitek má lepší opakovatelnost a když někdo spáchá modely tak pak už to není problém.
Jo a ještě kluzný vlastnosti litiny versus ocel.
Pokud by to nebylo svařováno z těch výpalku, ale pouze sešroubované i tak by se to muselo žíhat?
Pro tu litinu zas mluví ještě dobrá obrobitelnost.
Nedalo mne to a před chvilkou jsem horkou jehlou spíchnul 3D model sloupu.
sloup Gingery šepingu.jpg
sloup Gingery šepingu.jpg (45.36 KiB) Zobrazeno 7889 x
V litině by to nemělo být více než 15 kg...
Grad
Příspěvky: 2088
Registrován: 13. 7. 2014, 9:32

25. 11. 2015, 8:45

Chtěl jsem si připravit nějaké čtení o modelování a modelech pro liti-metalurgii (řekněme základy řemesla modelář), ale nějak v té terminologii asi tápu, protože jsem nic kloudného nebyl schopen najít. Joo mám spoustu zajímavých zdrojů o lití, kdyby někdo chtěl..., třeba něco jako je toto.
Poradíte prosím někdo jak-co hledat, nebo dokonce nějakou konkrétní literaturu?
Uživatelský avatar
fmodel
Příspěvky: 10258
Registrován: 26. 10. 2011, 10:37
Kontaktovat uživatele:

25. 11. 2015, 10:08

Grad píše:
fmodel píše:výpalek tak za třetinu co litina ALE k tomu slušný sváření a dvakrát žíhat tak seš na 2/3 litiny .
Odlitek má lepší opakovatelnost a když někdo spáchá modely tak pak už to není problém.
Jo a ještě kluzný vlastnosti litiny versus ocel.
Pokud by to nebylo svařováno z těch výpalku, ale pouze sešroubované i tak by se to muselo žíhat?
Pro tu litinu zas mluví ještě dobrá obrobitelnost.
Nedalo mne to a před chvilkou jsem horkou jehlou spíchnul 3D model sloupu.
sloup Gingery šepingu.jpg
V litině by to nemělo být více než 15 kg...
řeknu to asi takhle buť litina nebo se na to vykašlat, protože polovičaté řešení -polovičatý výsledek.A až to doděláš najde se další co to bude chtít a u lití je ta opakovatelnost základ.
http://www.rm-reznicek.cz" onclick="window.open(this.href);return false;
Uživatelský avatar
fmodel
Příspěvky: 10258
Registrován: 26. 10. 2011, 10:37
Kontaktovat uživatele:

25. 11. 2015, 10:20

Grad píše:Chtěl jsem si připravit nějaké čtení o modelování a modelech pro liti-metalurgii (řekněme základy řemesla modelář), ale nějak v té terminologii asi tápu, protože jsem nic kloudného nebyl schopen najít. Joo mám spoustu zajímavých zdrojů o lití, kdyby někdo chtěl..., třeba něco jako je toto.
Poradíte prosím někdo jak-co hledat, nebo dokonce nějakou konkrétní literaturu?
protože každej blbec má maturitu, a já to musím vědět protože mě za totáče zaměstnavatel donutil jí dálkově dodělat :lol: tak se odborné knížky pro učně netisknou ,prostě je to škoda papíru a stát potřebuje středo a vysokoškolsky vzdělané nezaměstnané.Tak že těch pár knížek co zbylo nikdo neprodá.A ani já ne.
http://www.rm-reznicek.cz" onclick="window.open(this.href);return false;
Uživatelský avatar
Kratus
Příspěvky: 526
Registrován: 1. 5. 2015, 2:36
Bydliště: Příbram

25. 11. 2015, 10:31

fmodel píše:
Grad píše:Chtěl jsem si připravit nějaké čtení o modelování a modelech pro liti-metalurgii (řekněme základy řemesla modelář), ale nějak v té terminologii asi tápu, protože jsem nic kloudného nebyl schopen najít. Joo mám spoustu zajímavých zdrojů o lití, kdyby někdo chtěl..., třeba něco jako je toto.
Poradíte prosím někdo jak-co hledat, nebo dokonce nějakou konkrétní literaturu?
protože každej blbec má maturitu, a já to musím vědět protože mě za totáče zaměstnavatel donutil jí dálkově dodělat :lol: tak se odborné knížky pro učně netisknou ,prostě je to škoda papíru a stát potřebuje středo a vysokoškolsky vzdělané nezaměstnané.Tak že těch pár knížek co zbylo nikdo neprodá.A ani já ne.
Napíšeš mi prosím autory ? Kouknu se do NTK, zda nemají nějaká skripta adpod. k výpůjčce.
Uživatelský avatar
fmodel
Příspěvky: 10258
Registrován: 26. 10. 2011, 10:37
Kontaktovat uživatele:

25. 11. 2015, 10:33

dobře když tak se připomeň.
http://www.rm-reznicek.cz" onclick="window.open(this.href);return false;
Uživatelský avatar
fmodel
Příspěvky: 10258
Registrován: 26. 10. 2011, 10:37
Kontaktovat uživatele:

25. 11. 2015, 10:40

tady máš jednu za 200 http://www.technickyantikvariat.cz/www- ... Jegorenkov" onclick="window.open(this.href);return false;
http://www.rm-reznicek.cz" onclick="window.open(this.href);return false;
Uživatelský avatar
fmodel
Příspěvky: 10258
Registrován: 26. 10. 2011, 10:37
Kontaktovat uživatele:

25. 11. 2015, 10:43

tady ještě jedna je http://antikvariat-brno.cz/kniha/kropac ... 2-a-4-1965" onclick="window.open(this.href);return false;

tu už nekoupíš
http://antikvariat-brno.cz/kniha/malek- ... odelu-1956" onclick="window.open(this.href);return false;
http://www.rm-reznicek.cz" onclick="window.open(this.href);return false;
Uživatelský avatar
fmodel
Příspěvky: 10258
Registrován: 26. 10. 2011, 10:37
Kontaktovat uživatele:

25. 11. 2015, 10:47

no a dál už sami :wink: https://www.google.cz/search?q=d%C5%99e ... nstv%C3%AD" onclick="window.open(this.href);return false;
http://www.rm-reznicek.cz" onclick="window.open(this.href);return false;
Odpovědět

Zpět na „kdyz nebudes vedet kam“