Tlačítko E-stop

Odpovědět
rawen
Sponzor fora
Příspěvky: 1586
Registrován: 15. 3. 2008, 12:22
Bydliště: Prostějov

28. 1. 2009, 8:39

Nazdar,
pracuju na elektrice pro Tron, mám řešení z cncshopu a uvažuju nad Hlavním vypínačem a tlačítkem Nouzového zastavení.
Na přiloženém obrázku (ze schématu od frézky fy Přidal, tady z fóra) vidíme hl. dvoupolový otočný vypínač Q1, pojistka je v mém případě ve zdroji a E-stop část. Spínač SB1A nahodí relé K1 a jeho pól K1.1 napájí silové členy. Po stisku nouzového tlačítka SB2 relé odpadne a tím i silové členy.
Schéma jsem si adaptoval pro svoji potřebu, např. relé ještě spíná 230V pro vřeteno a chlazení a nouzové tlačítko sepne i logický signál ESTOP pro Mach.

Otázka zní: Má toto smysl? Má smysl hrát si s releovým nahazováním anebo E-stop vyřešit jen dvoupolovým přepínačem, který na jednom pólu shodí napájení driverů KM a na druhém vřetena?

Radek
Přílohy
Estop_modul.gif
soustruh Bernardo 500, frézka Proxxon
(CNC Tron, CNC Proxxon MF70)
Uživatelský avatar
cncp100
Příspěvky: 572
Registrován: 29. 12. 2006, 8:02
Bydliště: Lovosice
Kontaktovat uživatele:

28. 1. 2009, 8:51

Já bych to řešil tak, že hlavním vypínačem přeruším silovou část (230V)
a tlačítkem STOP enable vstupy driverů a relé vřetena.
kdo nic nezkusí, nic nezíská.
Uživatelský avatar
robokop
Site Admin
Příspěvky: 23216
Registrován: 10. 7. 2006, 12:12
Bydliště: Praha
Kontaktovat uživatele:

28. 1. 2009, 8:53

cim jednodussi tim lepsi
idealne estop dvoupolovej

rele muzou vnest nespolehlivost
Vsechna prava na chyby vyhrazena (E)
Mad_BOXs
Příspěvky: 1420
Registrován: 14. 1. 2008, 4:30
Bydliště: Dvůr Kálové n.Labem

28. 1. 2009, 9:05

Pokud máš na vřetenu fr. měnič, tak jakmile mu přerušíš napájení, tak se to dotáčí samovolně - setrvačností, pokud mu dáš stop tak to zastaví přednastavenou rampou - brždění ( decelerace ) jde o tzv. řízený E- stop.
Není vždy výhodné vše OFFnout.
bednar.dk@seznam.cz
SolidWorks 2011
Zakázková výroba jednoúčelových strojů
konstrukce strojů, automatizace,
http://www.indops.cz" onclick="window.open(this.href);return false;
rawen
Sponzor fora
Příspěvky: 1586
Registrován: 15. 3. 2008, 12:22
Bydliště: Prostějov

28. 1. 2009, 9:19

Fr. měnič nemám. Na bedně s elektrikou budou zásuvky 230V, spínané relátky z Machu. V jedné vřeteno v druhé vysavač.

Co takhle 3 pól vypínač - na jednom pólu 230V pro vřeteno a chlazení, na druhém 45V pro drivery KM a na třetím logický EStop, aby se o zastavení dozvěděl Mach?
Tzv. oddělovací deska LPT je napájena samostatnou větví 12V od zdroje, takže by zůstala funkční a logický EStop by měl dojít do počítače a z Macha potom nazpět signály k odstavení driverů (které tou dobou budou už bez proudu).

Radek
soustruh Bernardo 500, frézka Proxxon
(CNC Tron, CNC Proxxon MF70)
Mad_BOXs
Příspěvky: 1420
Registrován: 14. 1. 2008, 4:30
Bydliště: Dvůr Kálové n.Labem

28. 1. 2009, 9:30

Tak doporučuji - start-stop relé s tlačítkem start a EStop v serii se stop tlačítkem na napájecím ovládacím napětí, např 24V DC. Na kontakty tohoto relé tři samostatné relé na ovládání ostatních napětí. Doporučuji samostatně - oddělené relé pro různá napětí. A možnost OFF vypínače na vřeteno a chlazení, jinak si nepohneš s mašinou aniž bys točil s vřetenem.
bednar.dk@seznam.cz
SolidWorks 2011
Zakázková výroba jednoúčelových strojů
konstrukce strojů, automatizace,
http://www.indops.cz" onclick="window.open(this.href);return false;
MiRi
Příspěvky: 28
Registrován: 29. 3. 2007, 11:57

29. 1. 2009, 5:22

V původním zapojení má tlačítko SB1 dva kontakty. SB1A nahazuje bezpečnostní relé K1 a SB1B je zapojeno do Estop vstupu na I/O kartě. Po zapnutí napájení (výpadku sitě a náběhu sítě!!!!!) jsou výkonové části bez napájení. Aktivace proběhne stiskem SB1, a pokud je stroj v chodu dalším stiskem se aktivuje Estop. Relé K1 je nadřazeno nad celé řízení a v sérii s CENTRAL STOPEM SB2 mohou být zařazeny havarijní přejezdové koncáky.
rawen
Sponzor fora
Příspěvky: 1586
Registrován: 15. 3. 2008, 12:22
Bydliště: Prostějov

29. 1. 2009, 6:20

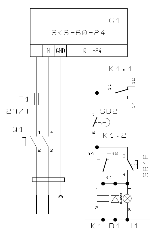
Tady je schéma, abychom psali o tom samém. Představuju si to nějak takhle:
Přílohy
elektrika_moje_2.gif
soustruh Bernardo 500, frézka Proxxon
(CNC Tron, CNC Proxxon MF70)
MiRi
Příspěvky: 28
Registrován: 29. 3. 2007, 11:57

29. 1. 2009, 11:45

Myslel jsem zapojení CNC3. CENTRAL STOP není totožný se STOP tlačítkem.
Přílohy
CNC3.pdf
(43.47 KiB) Staženo 522 x
Odpovědět

Zpět na „Ostatní elektronika“