Elektronický regulátor otáček minisoustruhu
Nema nekdo potuchy o nahrade k U211B ci TDA1085C. Ja vim, jdou jeste sehnat, ale potreboval bych neco co je a bude jeste chvili v produkci. Nemusi byt pinove kompatibilni. Okolo pracek a motoru se moc nemotam takze jsem v tehle oblasti trochu mimo.
Pokud to máš pro sebe, tedy pro nějaký 1 nebo 2 motory, tak si prostě kup za pár korun do zásoby z Číny balíček 10ks obvodů a máš to na celý zbytek života.turbyho píše:Nema nekdo potuchy o nahrade k U211B ci TDA1085C. Ja vim, jdou jeste sehnat, ale potreboval bych neco co je a bude jeste chvili v produkci. Nemusi byt pinove kompatibilni. Okolo pracek a motoru se moc nemotam takze jsem v tehle oblasti trochu mimo.
Pokud s tím chceš dělat něco ve velkém na kšeft a nechceš si zatěžovat sklad velkým počtem kusů, tak si skutečně udělej nebo nechej udělat nějaký regulátor s procesorem na míru.
Ale ono se to ještě chvíli bude dodávat, kupodivu i velcí výrobci to třeba ve spotřební bílé elektronice pořád používají, a to i v dost nových výrobcích. Zrovna nedávno jsem to viděl v nějakém novém kuchyňském robotovi/mixéru od Bosche.
to uz nikdo integrovane regulatory mptoru se zpetnou vazbou nedela? ja teda nemuzu nikde nic najit. resit to pres mcu se mi teda fakt moc nechce, ale asi mi nic jineho nezbyde 

Naposledy upravil(a) turbyho dne 17. 8. 2016, 8:28, celkem upraveno 1 x.
Dnes už máš v pračkách běžně motory + frekvenční měnič. Triaková regulace byť se zpětnou vazbou je pase. Ale ty pračkové motory můžeš regulovat i PWM regulátoram + IGBT.
Je to daleko lepší regulace, než fázová regulace + triak. Osobně vyzkoušeno.
Je to daleko lepší regulace, než fázová regulace + triak. Osobně vyzkoušeno.
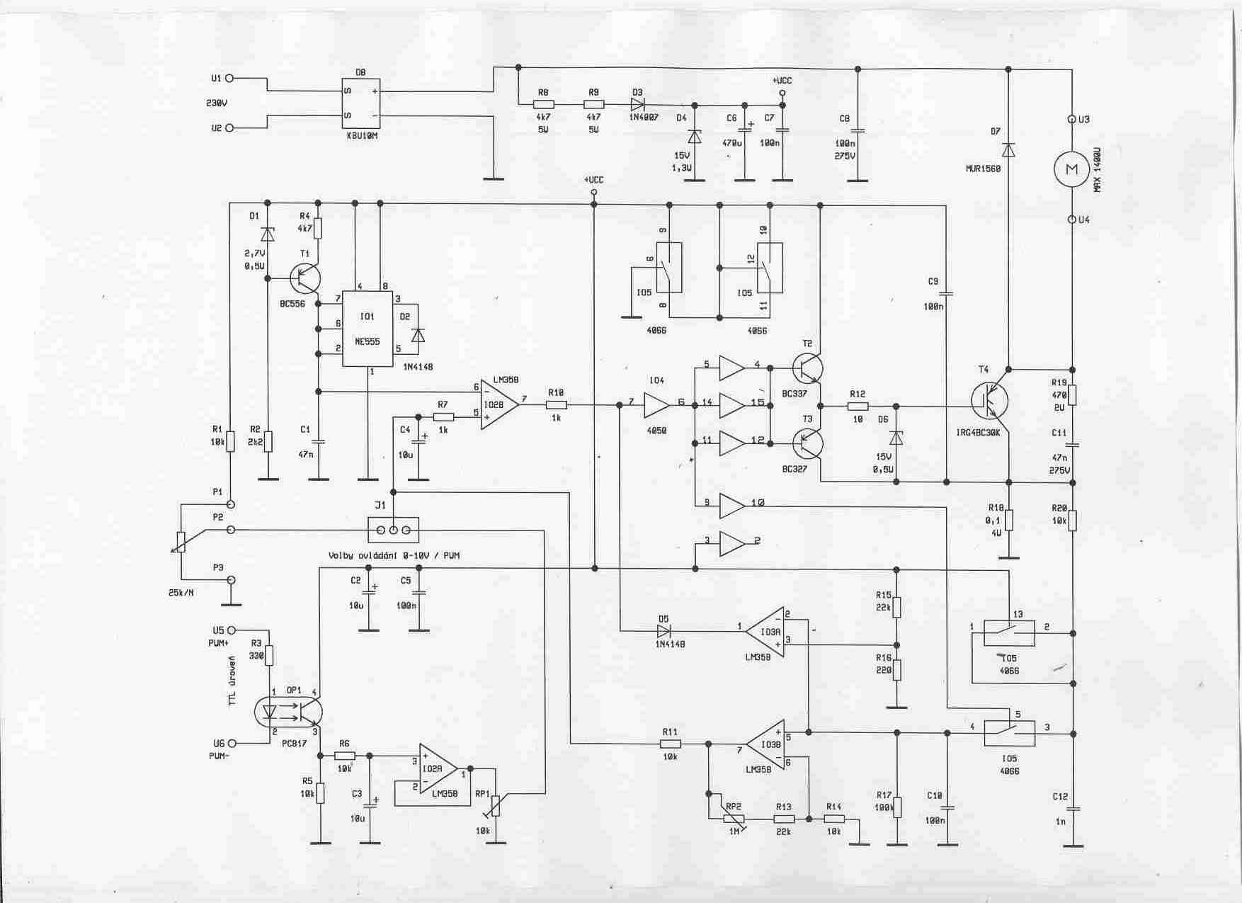
Samozřejmě, že ten pračkový motor bude fungovat na ss napětí. Je to sériový(trakční) motor. A kde bys toho psa chtěl hledat. Akorát bude problém ten motor brzdit. Já mám vyzkoušenou brzdu cizím proudem do statorového vinutí a zkratovat kotvu. Samozřejmě při odpojeném napájení, to jsem dělal pomoci relátka s několika kontakty. Ale už se tomu věnovat nebudu, jsou lepší pohony a motory. Záleží na potřebě co se dělá a co se požaduje a očekává. Pračkový motor toho moc nenabízí, kromě té zpětné vazby tvořenou tachogenerátorem. Jeden mnou vyzkoušený a provozovaný regulátor viz obr.turbyho píše:myslis DC a PWM?! to mozna neni spatny napad. ty motory z pracek bezi i na DC v pohode? teoreticky by meli, ale neni nekde zakopany pes?
Obecne jo, ale clovek nikdy nevi. Co ja vim jak az moc to obvykle byva v prackach "standartni motor".
Diky moc za schema toho driveru. Ta cast s R18, IO5, IO3A a IO3B je proudovy omezovac? Chapu to spravne?
Nezkousel jsi taky half-bridge s mosfetama?
Brzdit netreba. Ale kdyz uz to resime, omezujes nejak proud statorem pri brzdeni?

Nezkousel jsi taky half-bridge s mosfetama?
Brzdit netreba. Ale kdyz uz to resime, omezujes nejak proud statorem pri brzdeni?
To: Pavka
Dekuji za regulátor. Dnes dorazil, je už zapojen a odzkoušen s motorem. Mnohokrát dekuji za zaslání.
Dekuji za prikladnou spolupráci. Kéž by vše fungovalo jako tato spolupráce na tomto fóru.
S pozdravem TH
Dekuji za regulátor. Dnes dorazil, je už zapojen a odzkoušen s motorem. Mnohokrát dekuji za zaslání.
Dekuji za prikladnou spolupráci. Kéž by vše fungovalo jako tato spolupráce na tomto fóru.
S pozdravem TH