Konektor na řídící desce
- Zdenek Valter
- Příspěvky: 5424
- Registrován: 9. 1. 2009, 5:16
- Bydliště: Ústí n. L.
všechny konektory které jsem doposud viděl jsou číslované v řadách, cik cak jsem ještě neviděl
věčný rýpal,který musí mít poslední slovo, odpůrce low-cost zařízení končících v naprosté většině případů v hromadě šrotu
uživatelé hýbátek, kteří mají z mých příspěvků celoživotní trauma nechť si mé příspěvky VYPNOU
uživatelé hýbátek, kteří mají z mých příspěvků celoživotní trauma nechť si mé příspěvky VYPNOU
- Zdenek Valter
- Příspěvky: 5424
- Registrován: 9. 1. 2009, 5:16
- Bydliště: Ústí n. L.
Tak jsem to připojil na napájení a řekl bych že je to jak jsem předpokládal
Mám ještě dotaz na majitele této frézky - jak se chovají prvky 1B5 a 1B6 - které kontaky jsou v klidovém stavu sepnuté?
Ještě mne zajímá - jaké vývody spíná přepínač 1S5 v normálním stavu otáček.
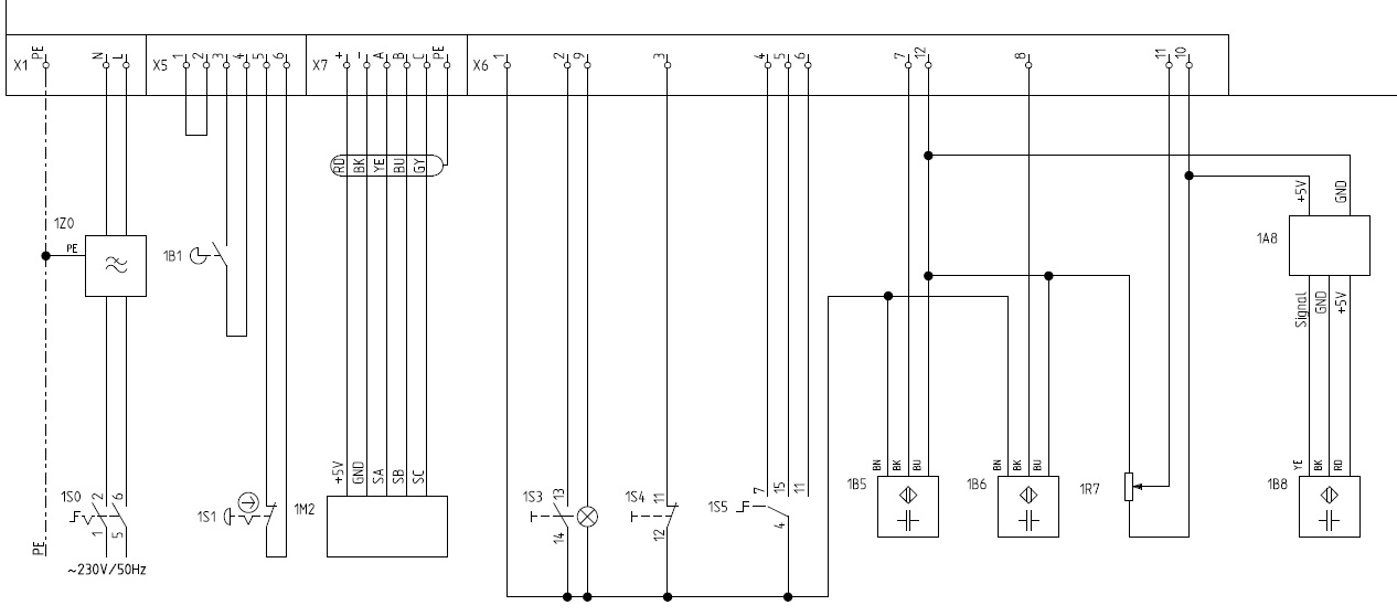
Popis prvků z návodu:
Podle schematu z návodu k BF30 odkud deska je by to měl být vývod 10 konektoru X6
Mám ještě dotaz na majitele této frézky - jak se chovají prvky 1B5 a 1B6 - které kontaky jsou v klidovém stavu sepnuté?
Ještě mne zajímá - jaké vývody spíná přepínač 1S5 v normálním stavu otáček.
Popis prvků z návodu:
Hobbík - obráběč i 3D tiskař začátečník - strojní park je konečně instalován
- Zdenek Valter
- Příspěvky: 5424
- Registrován: 9. 1. 2009, 5:16
- Bydliště: Ústí n. L.
No a ty jsi majitel či rovozovatel?t256 píše:To jsou indukcni snimace. Mohou byt v klidu seple nebo rozeple, proti GND nebo Vcc. Pokud sem nedas konkretni typ, neda se to s urcitosti rict.

Hobbík - obráběč i 3D tiskař začátečník - strojní park je konečně instalován
- Zdenek Valter
- Příspěvky: 5424
- Registrován: 9. 1. 2009, 5:16
- Bydliště: Ústí n. L.
Podle schematu z návodu k BF30 (nebo i BF46 má stejné schéma) je na pinu 9 konektoru X6 připojena žárovka.
Mám další dotaz dotaz na majitele či provozovatele této frézky - rozsvítí se tato žárovka až po stisku tlačítka ON?
Mám další dotaz dotaz na majitele či provozovatele této frézky - rozsvítí se tato žárovka až po stisku tlačítka ON?
Hobbík - obráběč i 3D tiskař začátečník - strojní park je konečně instalován
- Zdenek Valter
- Příspěvky: 5424
- Registrován: 9. 1. 2009, 5:16
- Bydliště: Ústí n. L.
Ještě bych rád věděl jaké poloze přepínače ze schematu odpovídá konkrétní provozní režim
Podle návodu je přepínač určen pro čtyři polohy
Závitování
Automatický režim
Pravý chod
Levý chod
Podle návodu je přepínač určen pro čtyři polohy
Závitování
Automatický režim
Pravý chod
Levý chod
Hobbík - obráběč i 3D tiskař začátečník - strojní park je konečně instalován
- Zdenek Valter
- Příspěvky: 5424
- Registrován: 9. 1. 2009, 5:16
- Bydliště: Ústí n. L.
Ještě test spuštění desky
https://www.youtube.com/watch?v=Mn_aAyMA_x8" onclick="window.open(this.href);return false;
https://www.youtube.com/watch?v=Mn_aAyMA_x8" onclick="window.open(this.href);return false;
Hobbík - obráběč i 3D tiskař začátečník - strojní park je konečně instalován
- Zdenek Valter
- Příspěvky: 5424
- Registrován: 9. 1. 2009, 5:16
- Bydliště: Ústí n. L.
No a z videa dema pro BF 30 vario je zřejmé podle mrkání kontrolky, že je nějaké čidlo v nevhodné poloze viz začátek následujícího videa.
https://www.youtube.com/watch?v=nCEJcIGjqec" onclick="window.open(this.href);return false;
https://www.youtube.com/watch?v=nCEJcIGjqec" onclick="window.open(this.href);return false;
Hobbík - obráběč i 3D tiskař začátečník - strojní park je konečně instalován
Zdendo, možná je to kravina ale z videa mě hned napadlo proč to bliká
v práci máme stroje z DE na výrobu a tam jsou taky tyto kontrolky. Po zapnutí zkrátka se rozblikají a musí se zmačnout a tím se chyba vyresetuje. Je to prý přes nějaké chránící relé.
Jednou jsem se ptal mechoše v DE k čemu to vůbec slouží, obsluha nic pomalu nedělá něž resetuje a je to prý takové jištění vysvětloval. Prý při výpadku ele. a znovu nahození aby se stroj sám znovu nespustil. nebo při jakékoli manuální sepnutí změně otáčení, nebo zastavení stroje, znovu spuštění atd. Prostě tyto tlačítka jsou na strojích asi nejvíce opotřebované.

Jednou jsem se ptal mechoše v DE k čemu to vůbec slouží, obsluha nic pomalu nedělá něž resetuje a je to prý takové jištění vysvětloval. Prý při výpadku ele. a znovu nahození aby se stroj sám znovu nespustil. nebo při jakékoli manuální sepnutí změně otáčení, nebo zastavení stroje, znovu spuštění atd. Prostě tyto tlačítka jsou na strojích asi nejvíce opotřebované.