Vrtačka VS 20A
... jeee zima, schody, dálka
dělam si srandu fotím. To se řekne vyfotit
už není místo na nic. Elektrika je opravdu už to nejmenší. Pokud si pohraješ nahoře s plechem, můžeš spáchat nějakou odtokovou vaničku. Budeš mít jinak těžiště, tak pozor at ti nepadá dozadu.

P.S. Furt stroje někam posouvám, proto mi víc vyhovujou různe podpůrné konstrukce. VSska sloupovka je padavka a bez ukotveni do podlahy asi fungovat nemůže. Proto mám raději stolni s domečkem.

P.S. Furt stroje někam posouvám, proto mi víc vyhovujou různe podpůrné konstrukce. VSska sloupovka je padavka a bez ukotveni do podlahy asi fungovat nemůže. Proto mám raději stolni s domečkem.
Děkuji za foto, ale jak koukám, ty tam ale ten origo "stolek/nohu" máš ne? Když teď koukám na fotky nějakýho čtyrče, tak má na konci nohy čtvercovou základnu na přišroubování. Jde mi o to, že když jí budu mít v tomto stavu, tak abych někam mohl upnout svěrák - sice drobnost, ale přemýšlím jak to udělat.
Co se týče el. zapojení.. Co vše je pak třeba dodělat?
moc děkuji za ochotu
.
J.
Co se týče el. zapojení.. Co vše je pak třeba dodělat?
moc děkuji za ochotu
J.
Zrovna dneska jsem si ho meril. Trubka ma prumer 110mm. Budu muset nejak vyresit jak tu vrtacku zavesit pri lakovani. Budu to muset striknout venku a se sloupem ted ven nevyjedu.
Je lepsi vlastnit nastroje, ktere clovek nepotrebuje, nez potrebovat ty co nema.
To je moc pekny stolek pod vrtacku, tim se necham inspirovat. Jinak V20 je stolni provedeni, VS20 je sloupova stojici na zemi. Vretenik obou je stejny. Moje V20 zatim stoji na zemi, mel jsem v planu svarit stolek i jsem mel slibene metrove odrezky C profilu zdarma ale majitel bohuzel ukoncil svuj zivot skokem pod vlak, takze nakoupim nejakou 80 jekl a svarim to z toho. Problem pak bude dostat vrtacku na ten stul, ale to budu resit az to nastane.
MAS FU2A, TOS SM16A
... jo,jo. Mám díky bohu kompletni "B" provedení. Tato výška kostky se mi osvědčila, když vrtáš kolejnici není úplně zábava zvedat ji na vysoký běžný stůl.habitat3 píše: ↑23. 9. 2018, 5:39 Děkuji za foto, ale jak koukám, ty tam ale ten origo "stolek/nohu" máš ne? Když teď koukám na fotky nějakýho čtyrče, tak má na konci nohy čtvercovou základnu na přišroubování. Jde mi o to, že když jí budu mít v tomto stavu, tak abych někam mohl upnout svěrák - sice drobnost, ale přemýšlím jak to udělat.
Co se týče el. zapojení.. Co vše je pak třeba dodělat?
moc děkuji za ochotu.
J.
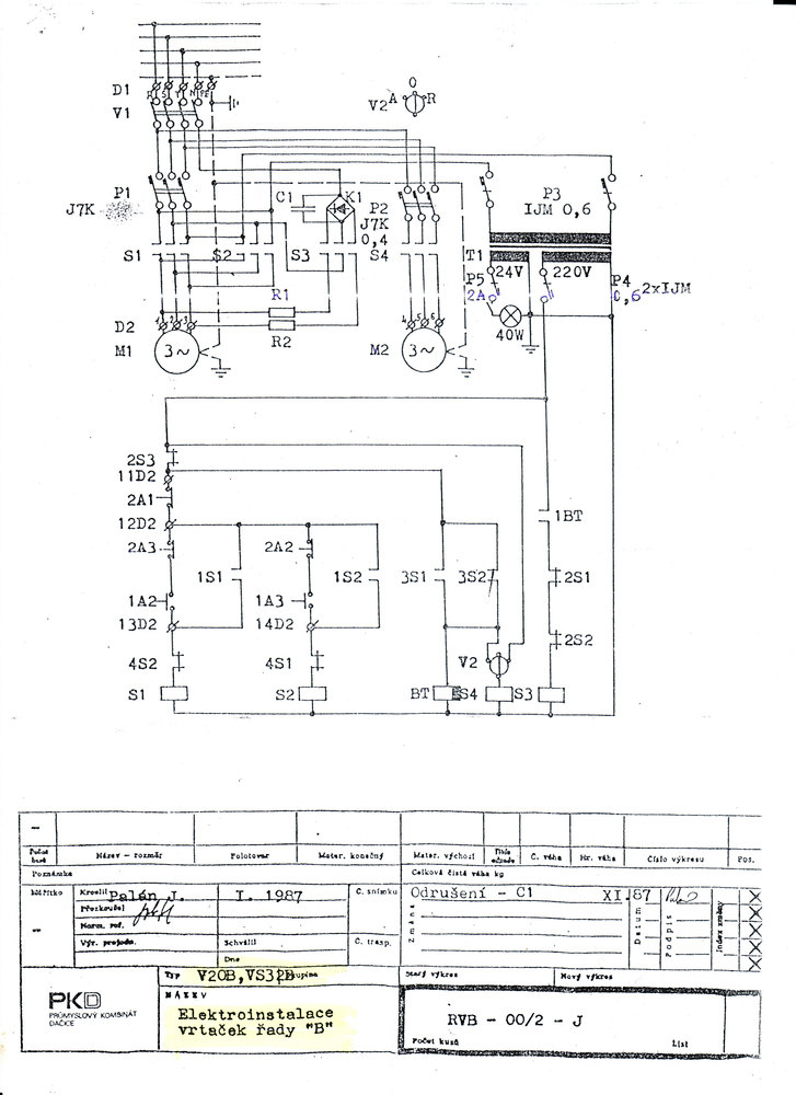
Na foru jsou poměrně často v prodeji různé desky s T drážkama. Spachej kostku, nahoře dej na plochu silný plech a finálně tam naroubuješ třeba zminovanou T desku. Dokud nenapišeš či nenafotíš stav tvé elektriky na stroji, tak ti těžko někdo poradi.
Elektriky se bát nemusíš
Já to taky zvládl. A mohl jsem to mít během chvilky hotové a ne psát kolik dní sem
Já si už předělal zásuvku na 5 kolík a vrtačku taky. Jak mi původně tady radili
Mrkni na http://www.tumlikovo.cz/download/ najdeš tam návod na vrtačku se zapojením.
Šikovnej nerozhodnej trpaslík
Věčný tazatel
Věčný tazatel
















