Miltech píše:Pokud jsi se rozhodl pro kuželíková ložiska, tak laicky řečeno, neumístíš je tak blízko k sobě, jako byla ložiska kuličková. Tím se víc vysune černé distanční poudro a kolečka na kulise pod ním nebudou zabírat v celé šířce. Proto je potřeba černé pouzdro zkrátit, případně vyrobit z duralu nové(kratší).
tak jsem to nejak pochopil, nahradni pouzdro uz jsem udelal - o 2x.1.25mm kratsi
Miltech píše:Pokud máš klon se snímačem otáček, tak bude důležité i vnitřní vymezení, jinak Ti ozubený kroužek poškodí optickou závoru. Vymezení je možné pružnými podložkami, podle průměru vřetene.
No, mne nebylo jasne co sachuji s temi podlozkami - hlavne jejich velikosti.
Udelam to jinak - frknu k loziskum dve 1.25mm duralove podlozky
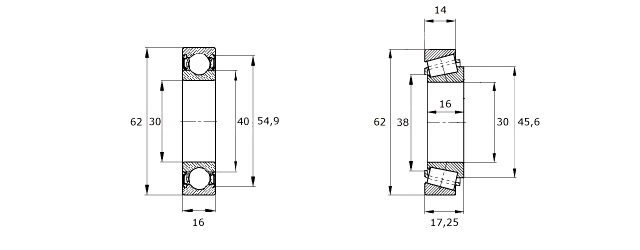
In order to compensate for the differences two washers were made from 38 mm round stock. This was bored out to 30 mm (the spindle shaft diameter) and then parted off to make two 1.25 mm thick washers.

- 2529846.jpg (14.78 KiB) Zobrazeno 8282 x
a proc tam dava tyto tesneni?
For the spindle tapered roller bearings have made seals from automotive jointing material. Seals were made after calculating dimensions of the bearing housings on the headstock and bearing dimensions. The jointing material used is 0.7mm thick, and each seal was made in three parts in order to make clearance for the bearing. As new bearings are 1.25mm thicker than the original ball bearings, two 0.7mm parts of each seal are actually spacers.
tomu nerozumim... to nove lozisko je vnejskem naopak o 2mm uzsi
Miltech píše:
Předpokládám, že máš nachystané i kovové dvojkolo a to i na přesuvník!
Mam.
