Chtěl bych se zeptat, zdali by mi někdo mohl poradit jak odstranit chybovou hlášku na controleru ovládání frézky :
X-hard limit triged, STOP to re boot DELETE to adjust X Position
Případně poradí v kterém vlákně se podobné chyby řeší.
Předem díky za info.
CNC-čína
No zřejmě bys měl hlavně napsat jaký řídicí systém používáš, jak máš zapojené a nakonfigurované koncáky, a za jakých okolností ti to tu hlášku napíše.
Systém ti oznámil, že jsi najel na koncák. Tak buď jsi na něho opravdu najel, nebo máš koncáky blbě nakonfigurované, případně je spínač vadný nebo je utržený drát. Nebo tam ty koncáky třeba vůbec nemáš.
Systém ti oznámil, že jsi najel na koncák. Tak buď jsi na něho opravdu najel, nebo máš koncáky blbě nakonfigurované, případně je spínač vadný nebo je utržený drát. Nebo tam ty koncáky třeba vůbec nemáš.
K řízení CNC je použitý Controller RZNC-0501.
Koncáky na všech osách jsou. Vadu koncáku bych poznal jakým způsobem? Mechanické poškození kabelu není - při dojezdu kovové části na koncák se dioda rozsvítí a potom zhasne.
Výše popsaná hláška nastane :
- stroj zapnu na controleru vyskočí hláška Go Home.....dám OK a okamžitě dojde k zablokování stroje (ani na jednom čidlo trvale nesvítí dioda)
- pokusil jsem se vypnout i stroj oddálit jednotlivé osy od koncáku a bez potvrzení najetí na zakladní pozici popojet manuálně z kterékoliv osy od koncáku - dojde opět k zablokování
Doteď stroj jel v pohodě, ale vlivem mé blbosti jsem se proklikal na kontroleru do míst, které jsem asi navštěvovat neměl a celé se to pokazilo.
Případně bych i uvítal radu jakým způsobem nastavit celé zařízení.
Koncáky na všech osách jsou. Vadu koncáku bych poznal jakým způsobem? Mechanické poškození kabelu není - při dojezdu kovové části na koncák se dioda rozsvítí a potom zhasne.
Výše popsaná hláška nastane :
- stroj zapnu na controleru vyskočí hláška Go Home.....dám OK a okamžitě dojde k zablokování stroje (ani na jednom čidlo trvale nesvítí dioda)
- pokusil jsem se vypnout i stroj oddálit jednotlivé osy od koncáku a bez potvrzení najetí na zakladní pozici popojet manuálně z kterékoliv osy od koncáku - dojde opět k zablokování
Doteď stroj jel v pohodě, ale vlivem mé blbosti jsem se proklikal na kontroleru do míst, které jsem asi navštěvovat neměl a celé se to pokazilo.
Případně bych i uvítal radu jakým způsobem nastavit celé zařízení.
- robokop
- Site Admin
- Příspěvky: 23283
- Registrován: 10. 7. 2006, 12:12
- Bydliště: Praha
- Kontaktovat uživatele:
hadam ze jsi to vyresetoval do tovarniho nastaveni
paklize ano, sezen si tu nekoho kdo ti to znova nastavi
je to na den prace aby to bylo vsechno vporadku pro nekoho kdo vi presne co dela
tj. aby to bylo nastavene i dynamicky spravne
paklize ano, sezen si tu nekoho kdo ti to znova nastavi
je to na den prace aby to bylo vsechno vporadku pro nekoho kdo vi presne co dela
tj. aby to bylo nastavene i dynamicky spravne
Vsechna prava na chyby vyhrazena (E)
Tipnul bych si, že máš koncáky v systému nakonfigurované jako opačné. Takže máš třeba NO ale v systému máš nastavené NC nebo naopak.
Už jsem to psal v minulém postu. Nikdo nebude věštit z koule a ani nechce strávit mládí hledáním dokumentace někde po internetu. Pokud chceš radu, tak dej maximum informací. Jak to máš nastavené, jak to máš zapojené a odkaz na datasheet nebo nějakou dokumentaci.
Už jsem to psal v minulém postu. Nikdo nebude věštit z koule a ani nechce strávit mládí hledáním dokumentace někde po internetu. Pokud chceš radu, tak dej maximum informací. Jak to máš nastavené, jak to máš zapojené a odkaz na datasheet nebo nějakou dokumentaci.
- robokop
- Site Admin
- Příspěvky: 23283
- Registrován: 10. 7. 2006, 12:12
- Bydliště: Praha
- Kontaktovat uživatele:
presne proto pisu to co pisu
nestane se to samo od sebe
hadam ze probehl reset do tovarniho nastaveni
takze system ma vygumovane VSECHNY parametry
a treba to znova vsechno odmerit a nastavit
nestane se to samo od sebe
hadam ze probehl reset do tovarniho nastaveni
takze system ma vygumovane VSECHNY parametry
a treba to znova vsechno odmerit a nastavit
Vsechna prava na chyby vyhrazena (E)
Asi jsem předpokládal, že se třeba ozve někdo, kdo přesně ví co kde a jak nastavit....případně poradí jakým způsobem i popřípadě na youtube.
Mám ovládací controller:
http://www.richnc.com/en/product/detail.php/id-1.html
Velikost pracovního stolu cca 1200x1200x150
Pohybové šrouby:
osa Z - průměr 16mm stoupání 5mm
osa X - průměr 25mm stoupání 10mm
osa Y - průměr 25mm stoupání 10mm
Motory jsou na všech osách 1,8st
Momentální nastavení stroje na Controlleru:
Machine setup:
- Pulse equiv X=160, Y=160, Z=320
- table size X=1250, Y=1200,Z=150
- Motor direction X Axis -DIR, Y Axis -DIR, Z AXIS -DIR
- Home setup - home speed X-1000,Y-1000,Z-1000, home direction X -DIR, Y -DIR, Z +DIR
- Spindle setup Input spindle setup - 8e number
- Spindle delay - 4000
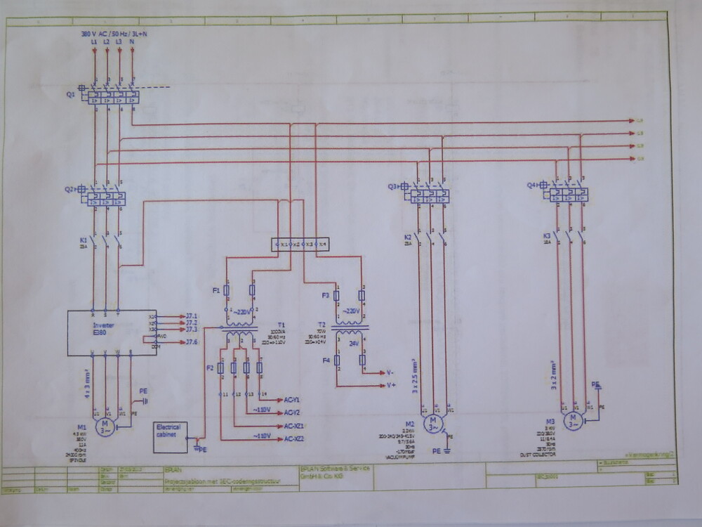
Přikládám jedinou dokumentaci elektro ke stroji, pokud by bylo potřeba něco nafotit tak mi případně řekněte co.
Děkuji za každou radu, případně pokud by byl někdo v blízkosti Chrudimi.
Mějte se pěkně.
Mám ovládací controller:
http://www.richnc.com/en/product/detail.php/id-1.html
Velikost pracovního stolu cca 1200x1200x150
Pohybové šrouby:
osa Z - průměr 16mm stoupání 5mm
osa X - průměr 25mm stoupání 10mm
osa Y - průměr 25mm stoupání 10mm
Motory jsou na všech osách 1,8st
Momentální nastavení stroje na Controlleru:
Machine setup:
- Pulse equiv X=160, Y=160, Z=320
- table size X=1250, Y=1200,Z=150
- Motor direction X Axis -DIR, Y Axis -DIR, Z AXIS -DIR
- Home setup - home speed X-1000,Y-1000,Z-1000, home direction X -DIR, Y -DIR, Z +DIR
- Spindle setup Input spindle setup - 8e number
- Spindle delay - 4000
Přikládám jedinou dokumentaci elektro ke stroji, pokud by bylo potřeba něco nafotit tak mi případně řekněte co.
Děkuji za každou radu, případně pokud by byl někdo v blízkosti Chrudimi.
Mějte se pěkně.
Psal jsi, že se to podělalo když jsi šel v konfiguraci někam, kam jsi neměl.
Ta konfigurace bude asi boharčí než jsi sem vypsal, ne?
Znovu opakuju - pokud to vzniklo zásahem do konfigurace a ne nějakým provozem, a pokud dráty nejsou upadlě a koncák reaguje, tak máš pravděpodobně ty koncáky špatně nakonfigurované. Můžou fungovat jako NC nebo NO. Tedy že klidu jsou sepnuté nebo naopak rozepnuté. Tak asi máš tu konfiguraci špatně.
Kdybych to řešil a neuměl to v konfiguraci najít, postupoval bych takhle:
Připoj voltmetr na konektoru pro připojení koncáků mezi piny -24V a vstup pro koncák. Naměř co tam je když je osa někde odjetá a co se tam objeví když najede na koncák.
Pak bych odpojil drát od koncáku osy X a zjistil, co to dělá. Pokud by to stále řvalo, že má problém, tak bych ten vstup pro koncák propojil drátem přímo na tom konektoru na GND (na tom schematu to mají označené jako -24V). Pokud by to řvalo pořád, tak místo na GND bych to připojil na +24V.
Ta konfigurace bude asi boharčí než jsi sem vypsal, ne?
Znovu opakuju - pokud to vzniklo zásahem do konfigurace a ne nějakým provozem, a pokud dráty nejsou upadlě a koncák reaguje, tak máš pravděpodobně ty koncáky špatně nakonfigurované. Můžou fungovat jako NC nebo NO. Tedy že klidu jsou sepnuté nebo naopak rozepnuté. Tak asi máš tu konfiguraci špatně.
Kdybych to řešil a neuměl to v konfiguraci najít, postupoval bych takhle:
Připoj voltmetr na konektoru pro připojení koncáků mezi piny -24V a vstup pro koncák. Naměř co tam je když je osa někde odjetá a co se tam objeví když najede na koncák.
Pak bych odpojil drát od koncáku osy X a zjistil, co to dělá. Pokud by to stále řvalo, že má problém, tak bych ten vstup pro koncák propojil drátem přímo na tom konektoru na GND (na tom schematu to mají označené jako -24V). Pokud by to řvalo pořád, tak místo na GND bych to připojil na +24V.