Nástrojová bruska NUA25 Ponar

r4cv
Příspěvky: 2925
Registrován: 8. 12. 2009, 8:32
Bydliště: Topoľčany

8. 1. 2021, 5:59

sú tam tie pružiny na vymedzenie. to priťahovanie kladivom nemusí automaticky znamenať KO ložísk.
r4cv
Příspěvky: 2925
Registrován: 8. 12. 2009, 8:32
Bydliště: Topoľčany

8. 1. 2021, 6:02

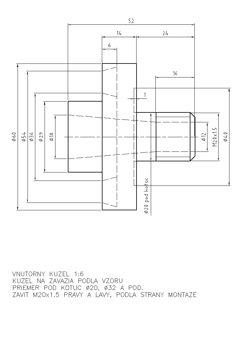
rozmery príruby sú orientačné. robil som viac druhov.
na malé miskové kotúče, prípadne kotúče s vybraním som dával vrchný priemer cca 40-45mm(?)
na kotúče na hliníkovom nosiči mám pripravené príruby bez závitu na 4 skrutky.
priruba-Rozvržení1.png
ves178
Příspěvky: 538
Registrován: 25. 3. 2016, 8:23
Bydliště: Tichá okr NJ

8. 1. 2021, 9:00

Diky moc za výkres, bohužel jsem z toho lehce zmaten

Příruba co jsi posílal se montuje přímo na kužel vřetene nebo na prodlužovací pouzdro což je tohle
Výstřižek.PNG
předpokládám že existují pouzdra různých délek, jaké je největší vyložení?

myslel jsem že toto jsou prodlužovací pouzdra do kterých se upíná kotouč s přírubou(vyvážený) ale vidím že příruba má kužel, k čemu jsou určeny tyto pouzdra?
Děkuji
20210106_190331.jpg
WEILER LZ280, FNA22
PBr
Příspěvky: 1032
Registrován: 16. 6. 2007, 8:21
Bydliště: Slovensky Grob
Kontaktovat uživatele:

8. 1. 2021, 9:18

Toto z manualu je predlzenie, vklada sa medzi prirubu a vreteno. Celkom sikovna vec na zvysenie vylozenia. Samozrejme k tomu treba potom upinacie skrutky v prislusnych dlzkach.

Ja osobne by som max vylozenie videl na dlzku tej predlzenej priruby na spodnej fotke ktore mas.
Zial ta predlzena neumoznuje vyvazovanie, da sa to ale riesit prstencami s vybranim po 180 stupnov podla mna. Ale k tomu asi treba speci vyvazovaci trn potom. Teraz som presne s takymto trnom brusil rovinu na magnete, max. sirka brusenia mi vysla nejakych 150mm.

Niekde na fore tu bol napad s s dobastlenym opornym loziskom kde to vylozenie moze byt este vacsie kvoli rovinnemu bruseniu.
r4cv
Příspěvky: 2925
Registrován: 8. 12. 2009, 8:32
Bydliště: Topoľčany

8. 1. 2021, 11:29

tak tak, v manuály je popísané jedno predĺženie, v skutočnosti som zohnal 2 dĺžky.
mám ešte jeden "výkres" z čias, keď som začal robiť tie príruby.
20210108_115809a.jpg
vľavo hore - rozmery na hotovo
vľavo stred a dolu, vpravo stred - polotovary
vpravo dolu - cca rozmery odľahčenia kužela

takto zatiaľ vyzerajú, je čas ich dokončiť. najprv brúsenie trnu, potom brúsenie vnútorných kuželov, nakoniec na trne prebehnúť plochy z vrchu
20210108_115956a.jpg
ves178
Příspěvky: 538
Registrován: 25. 3. 2016, 8:23
Bydliště: Tichá okr NJ

9. 1. 2021, 6:27

Díky moc za informace ohledně přírub,

Prozatím jsem zkoušel vypláchnout vřeteno petrolejem, vlezlo se tam tak 40ml než začal petrolej vytékat okolo ložisek, nechal jsem to chvíli běžet a vylel, opakoval jsem to asi 5x než byl petrolej celkem čistý, do petroleje jsem ještě kapnul ložiskový olej, nakonec jsem tam pro vyzkoušení nalel olej, protože jsem nemel nic jiného než OL-46 tak jsem ho trochu zředil petrolejem a vyzkoušel.

Chod vřetene se trochu zlepšil ale stále to má zvuk jako hoblovka, vlastně jsem s tím i počítal. Nezbude než vyměnit ložiska
WEILER LZ280, FNA22
peter1
Příspěvky: 638
Registrován: 24. 4. 2010, 8:00
Bydliště: vychodne slovensko

9. 1. 2021, 6:53

sustruh sv18 ,vrtačka
majo477
Příspěvky: 872
Registrován: 28. 5. 2014, 8:39

15. 1. 2021, 3:31

Zdravím,,sú tieto "predlženia z NUA?dík
20210115_124553.jpg
r4cv
Příspěvky: 2925
Registrován: 8. 12. 2009, 8:32
Bydliště: Topoľčany

15. 1. 2021, 6:50

určite nie štandardné.
originál vreteno má vonkajšie kužele, na prírube alebo predĺžení máš vnútorný.
jedine, že by si vymenil vretenový tubus (alebo ako sa to volá)
titel
Příspěvky: 348
Registrován: 29. 5. 2017, 12:30

15. 1. 2021, 7:46

majo477 píše: 15. 1. 2021, 3:31 Zdravím,,sú tieto "predlženia z NUA?dík20210115_124553.jpg
Ahoj.
Vyzeraju ako na BN102. Teda skor druhovyroba alebo polotovar.
Ak ti zavadzaju zoberiem :D
ves178
Příspěvky: 538
Registrován: 25. 3. 2016, 8:23
Bydliště: Tichá okr NJ

16. 1. 2021, 9:11

Pánové bude vhodný olej do vřetena ol-j 03 ?

Nemá někdo výkres vřetena?
WEILER LZ280, FNA22
ves178
Příspěvky: 538
Registrován: 25. 3. 2016, 8:23
Bydliště: Tichá okr NJ

17. 1. 2021, 9:10

Sundal jsem stůl abych mohl vyčistit vedení, je třeba válečky nechat na původním místě nebo je můžu nasypal do ultrazvukové čističky a neřešit kde původně který byl?

V plochách jsou důlky, zřejmě zavalcováný bordel, je třeba to nějak řešit, třeba to lehce obtáhnout kamínkem
Přílohy
20210116_175446.jpg
20210116_175505.jpg
WEILER LZ280, FNA22
majo477
Příspěvky: 872
Registrován: 28. 5. 2014, 8:39

17. 1. 2021, 10:30

ves178 píše: 17. 1. 2021, 9:10 Sundal jsem stůl abych mohl vyčistit vedení, je třeba válečky nechat na původním místě nebo je můžu nasypal do ultrazvukové čističky a neřešit kde původně který byl?

V plochách jsou důlky, zřejmě zavalcováný bordel, je třeba to nějak řešit, třeba to lehce obtáhnout kamínkem
Tiež som nedávno preventivne čistil vedenie na BPH 20N,,valčeky by som určite nevyberal a nemiešal ich,,vybral som klietky valčeky som posunul na jednu stranu,,očistil polovicu vedenia,postupne som čistil valčeky tak že po jednom ako tam boli som ich umyl v benzine a ukladal na očistenu čast vedenia,,
20210111_095831.jpg
20210111_104211.jpg
ves178
Příspěvky: 538
Registrován: 25. 3. 2016, 8:23
Bydliště: Tichá okr NJ

20. 1. 2021, 7:29

Nevíte někdo o fortuně pro vnitřní broušení, rameno bych mohl sehnat ale bez fortuny
Díky
WEILER LZ280, FNA22
r4cv
Příspěvky: 2925
Registrován: 8. 12. 2009, 8:32
Bydliště: Topoľčany

21. 1. 2021, 4:27

takto vyzerá rameno na vnútorné brúsenie:
DSCF4419a.jpg
DSCF4420a.jpg
DSCF4421a.jpg
vreteno má priemer 70mm, je vymeniteľné. ja som moje zohnal niekde v kovošrote pri rušení jednej fabriky. ozn. tam nie je, našiel som len malé písmenká A20. rozmery toho vnútorného vretena sú pr.70mm, dĺžka cca 225mm, bez držiaku a remenice

ďalej mám ešte jedno vreteno, ktoré by malo byť ku tejto polke.
má vonkajšie kužele na oboch koncoch, priemer telesa 70mm, dĺžka cca 260mm (originál je cca 225mm). toto je asi na vysunutie kotúča ďalej od stĺpu pri brúsení na plocho a pod. označenie tohto vretena je FLT-1.
Odpovědět

Zpět na „Jiné stroje - vrtačky, brusky, pily atd.“