SV 18 RA
Tak to by mě taky docela zajímalo. Já momentálně dělám příčný a nožový suport. Nepočítám kolik hodin jsem strávil jen zaškrabáváním, ale určitě bych si tím moc nevydělal.
Pokud chci, aby to mělo alespoň trochu úroveň, tak i kdybych se rozkrájel, tak to rychleji neudělám. Nepochybuji, že pracovníci v odborné firmě to umí určitě rychleji nežli já. Ale není to tak trochu na úkor kvality?
Mají opravdu tolik modrých bodů jako mám já???
Strigon ME-250, SV18RA, Mikromat SFW200/600, L-TEC Ductling II
Fyzicky náročné je tahat se stím pravítkem
sv18ra, KSU250, 2N118, SH-700A, FA3AU, tos 1U, gh450, R5, FN40, HJ8, WKV63
Myslím, že v solidnej firme, takmer všetky diely brúsia k sebe na farbu a následne škrabú len kôli olejovým kapsám, prípadne pre dodržanie geometrickej polohy. Keby mali všetko škrabať ručne v potrebnej kvalite, tak nezarobia ani na slanú vodu a chlapi by boli zodratý ako pilník čo sa ani klinca nechytí. A to, že niektoré firmy využívajú naivitu a nevedomosť ľudí a pekne to odrbávajú a pýtajú si peniaze ako za kvalitne odvedenú prácu, netreba ani komentovať.Petr68 píše: ↑10. 1. 2021, 12:23Tak to by mě taky docela zajímalo. Já momentálně dělám příčný a nožový suport. Nepočítám kolik hodin jsem strávil jen zaškrabáváním, ale určitě bych si tím moc nevydělal.
Pokud chci, aby to mělo alespoň trochu úroveň, tak i kdybych se rozkrájel, tak to rychleji neudělám. Nepochybuji, že pracovníci v odborné firmě to umí určitě rychleji nežli já. Ale není to tak trochu na úkor kvality?
Mají opravdu tolik modrých bodů jako mám já???![]()
Soustruh odjel do Lipníku, tak snad se vrátí brzo jako nový.
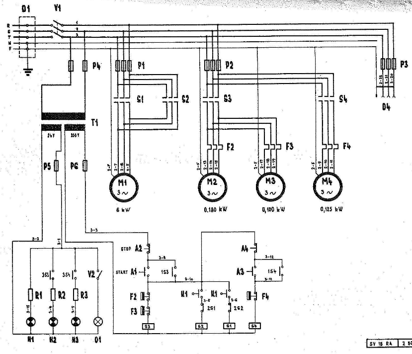
Rád bych se teď v mezičase pohrabal v rozvaděči SV 18 RA, teda spíš bych ho chtěl kompletně zrenovovat. Ne že by elektrika nefungovala, ale už má svoje mouchy:
1) Nelíbí se mi keramické pojistky.
2) Min. jedno nadproudové relé je vadné, bezdůvodně vyhazuje.
3) Celé je to poměrně nepřehledná změť kabelů, chtělo by to učesat.
Přemýšlím, že bych do rozvaděče dal i frekvenční měnič. Nevím, jaký krouťák při nízkých otáčkách stávající motor bude mít, takže chci mechanickou převodovku zachovat. Klidně bych měnič používal jen k jemnému doladění rychlosti, třeba - 30 % až + 10 %. Taky by bylo fajn brzdění vřetena.
Našel jsem nějaké hotové rozvaděče, např. https://jtechnik.sk/realizacie/sv-18-ra/ a https://www.kovonatn.sk/generalne-opravy-sustruhov/ . Hádám, že tam jsou použity nějaké jističe, motorové spouštěče... a dál?
Kdybyste někdo renovaci elektroniky u SV 18 RA dělal a chtěl se podělit o svoje know how, tak by to bylo fajn
Rád bych se teď v mezičase pohrabal v rozvaděči SV 18 RA, teda spíš bych ho chtěl kompletně zrenovovat. Ne že by elektrika nefungovala, ale už má svoje mouchy:
1) Nelíbí se mi keramické pojistky.
2) Min. jedno nadproudové relé je vadné, bezdůvodně vyhazuje.
3) Celé je to poměrně nepřehledná změť kabelů, chtělo by to učesat.
Přemýšlím, že bych do rozvaděče dal i frekvenční měnič. Nevím, jaký krouťák při nízkých otáčkách stávající motor bude mít, takže chci mechanickou převodovku zachovat. Klidně bych měnič používal jen k jemnému doladění rychlosti, třeba - 30 % až + 10 %. Taky by bylo fajn brzdění vřetena.
Našel jsem nějaké hotové rozvaděče, např. https://jtechnik.sk/realizacie/sv-18-ra/ a https://www.kovonatn.sk/generalne-opravy-sustruhov/ . Hádám, že tam jsou použity nějaké jističe, motorové spouštěče... a dál?
Kdybyste někdo renovaci elektroniky u SV 18 RA dělal a chtěl se podělit o svoje know how, tak by to bylo fajn
Tak to nesmis napsat jako trotl, jestli mas elektrotechnicke zkusenosti, pak to schema je pro prvni rocnik uciliste, mimo stitkove proudy motoru k realizaci zadne nou-hou nepotrebujes. I k zapojeni menice, ne nastaveni, ti ten prvni rocnik staci 
SM16A, FN20, 3E710B, CDC7-2, HO02, CO2laser, Fiber.. propagator www.atreon.cz
Hele, zkus to pochopit - před hodinou jsem si usmyslel, že dám do kupy nový rozvaděč k soustruhu. Nikdy jsem žádný rozvaděč pro asynchronní pohon neřešil, takže nemám zkušenosti s tím, jaké komponenty je vhodné do něj použít. Učiliště a výkonovka mě během mého školního vzdělávání minuly, takže tyhle, pro někoho jistě základní znalosti, musím dohánět po internetových fórech. Jo, asi budu schopný si to případně nastudovat sám a neotravovat tady, ale znáš to - člověk je vždy vděčný za rady od lidí, kteří už podobný problém řešili. Navíc informace uchovaná tady na fóru třeba později poslouží někomu dalšímu.
Kdyžtak prosím o radu, jak zní netrotlovská otázka tady na toto téma, ať se teda od něčeho odpíchneme.
Kdyžtak prosím o radu, jak zní netrotlovská otázka tady na toto téma, ať se teda od něčeho odpíchneme.
Ahoj jasne, takhle je to ok. Klidne ti ho udelam, nebo jestli jsi nekde pobliz, nemas mesto v profilu, zaskoc a u kafe to probereme. Usetris, pokud sezenes dily tady na foru, lidi tu maji skoro nove komponenty a daji, prodaji. Hlavne budes potrebovat stitky ze vsech motoru, teda opsat, ne sundat
Klidne napis pres sz
SM16A, FN20, 3E710B, CDC7-2, HO02, CO2laser, Fiber.. propagator www.atreon.cz
Město jsem doplnil. Štítky motorů bych asi teď neřešil - hádám, že vhodný modul se vždy bude dát sehnat pro konkrétní výkon, který potřebuju. Jinak ale hlavní elektromotor má 5 nebo 6 kW (nepamatuju si přesně). Schéma nepotřebuju, momentálně by mi třeba pomohly odkazy na konkrétní moduly, ze kterých je možné sestavit rozvaděč fungující stejně jako původní (tzn. spínání a ochrana motorů, nějaká jednoduchá logika z tlačítek, kontrolek a pomocných kontaktů co je v původním schématu dole). Jak co propojit si zjistím sám. Původní schéma obsahuje:
1) Keramické pojistky - nahradí se jističi, ale třeba nejsou nutné a jejich funkci může plnit motorový spouštěč nebo frekvenční měnič, nevím
2) Stykače a nadproudová relé - nahradí se motorovými spouštěči (v případě motoru mazání, ventilátoru, čerpadla emulze)? Motorové spouštěče jsem zatím viděl jen s mechanickým tlačítkem - já bych potřeboval nějaký, co má ovládací kontakty (cívku).
3) Milion pomocných kontaktů od stykačů/nadproudových relé - jsou součástí motorových spouštěčů/měniče? Asi ne, koukal jsem, že se koupí samostatný modul pomocných kontaktů (https://elektroskokan.cz/produkt/kontak ... -sm1e-b11/) a ten se přilepí ke spouštěči.
Ale možná jsou moje úvahy mimo, tak klidně prosím o usměrnění.
1) Keramické pojistky - nahradí se jističi, ale třeba nejsou nutné a jejich funkci může plnit motorový spouštěč nebo frekvenční měnič, nevím
2) Stykače a nadproudová relé - nahradí se motorovými spouštěči (v případě motoru mazání, ventilátoru, čerpadla emulze)? Motorové spouštěče jsem zatím viděl jen s mechanickým tlačítkem - já bych potřeboval nějaký, co má ovládací kontakty (cívku).
3) Milion pomocných kontaktů od stykačů/nadproudových relé - jsou součástí motorových spouštěčů/měniče? Asi ne, koukal jsem, že se koupí samostatný modul pomocných kontaktů (https://elektroskokan.cz/produkt/kontak ... -sm1e-b11/) a ten se přilepí ke spouštěči.
Ale možná jsou moje úvahy mimo, tak klidně prosím o usměrnění.
Ty stitky prave potrebujes, abys zjistil jmenovite proudy motoru, abys vybral spravne spoustece, jsou regulovatelne jen v nejakem rozmezi, ne od nuly do treba 20 amper 
SM16A, FN20, 3E710B, CDC7-2, HO02, CO2laser, Fiber.. propagator www.atreon.cz
Jj, to je mi jasné. Stačilo by mi určit vhodný typ spouštěče, konkrétní proudový rating bych si už určil sám. Hádám, že stačí vzít údaj ze štítku motoru, vynásobit 1,xx (třeba 1,20 ???) a tuto hodnotu proudu musí být možné na spouštěči nastavit jako nadproudový limit.
Soustruh teď nemám po ruce, vyhrabal jsem aspoň fotku štítku hlavního elektromotoru, je tam čitelných nějakých 20,7 , předpokládám, že to jsou ampéry (při zapojení do trojúhelníku ?)
Ostatní motory (mazání, ventilátor, chlazení) jsou malé motory, max 200 W.
Soustruh teď nemám po ruce, vyhrabal jsem aspoň fotku štítku hlavního elektromotoru, je tam čitelných nějakých 20,7 , předpokládám, že to jsou ampéry (při zapojení do trojúhelníku ?)
Ostatní motory (mazání, ventilátor, chlazení) jsou malé motory, max 200 W.
Nie je jednoduchšie vyčítať ten prúd z pôvodných nadprúdových relé ako to počítať? Skoro by som to vyčítal aj z tej foto rozvádzača čo si pridal, ale nedokážem to priblížiť v potrebnej kvalite. Samozrejme nie je na škodu to pre istotu prepočítať.