Sustruh SU32/750

Vse o konvencnich strojich, nic o jejich prestavbe na cnc
DaDo1114
Příspěvky: 21
Registrován: 10. 10. 2022, 8:39

11. 10. 2022, 9:25

Zdravím páni,

mám možnosť kúpiť sustruh S32/750 za 1650€.
sustruh bol používaný na strednej odbornej škole, mali sme možnosť ho skúsiť a vyzerá, že všetko ide ako má (viď foto).

Otázka, keďže som úplný amatér :roll: , je či je tá cena v pohode (podľa toho čo som pozeral je to celkom ok)?

Ďakujem pekne.
Přílohy
SU32_750.PNG
Uživatelský avatar
Charon
Sponzor fora
Příspěvky: 6395
Registrován: 27. 7. 2019, 4:31
Bydliště: Praha

11. 10. 2022, 9:36

No že vyzerá v pohodě ještě nic neznamená :lol: musiš ho oměřit jak chodí vřeteno, jestli není lože v prd... do lavoru, jaké jsou vůle ve šroubech...
Radši sežeň v okolí někoho kdo umí a vem ho s sebou na prohlídku, vyplatí se ti to
SM16A, FN20, 3E710B, CDC7-2, HO02, CO2laser, Fiber.. propagator www.atreon.cz
DaDo1114
Příspěvky: 21
Registrován: 10. 10. 2022, 8:39

11. 10. 2022, 9:46

Bol tam so mnou pán čo je na dôchodku a celý život robil na sústruhoch a rozumie sa tomu a povedal, že v pohode (ja jediné čo viem je že je to sústruh :D )
mstreicher
Příspěvky: 835
Registrován: 30. 9. 2017, 10:08
Bydliště: Zichovec
Kontaktovat uživatele:

11. 10. 2022, 10:15

Charon chcel povedat, ze ten pan by mal mat so sebou aspon uchylkomer so stojanom a premerat vreteno, loze atd. Co elektrina, funguje v pohode? Posuvy drzia a nevypinaju sa? Funguje mazanie a chladenie? Su tam nejake netesnosti? Je k tomu aj nejake prislusenstvo? Podla odpovedi na otazky vyssie sa urcuje cena. Od pohladu vela veci nezistis. Aby si nevyhodil 1600E a potom este dalsich 1600 na opravy a diely.
Sm16, Avia Fnb25, Jones&Shipman 540ap
Uživatelský avatar
Charon
Sponzor fora
Příspěvky: 6395
Registrován: 27. 7. 2019, 4:31
Bydliště: Praha

11. 10. 2022, 10:17

Tak pak jo, zkus k tomu dostat origo příslušenství, třeba lunety atd...
Jinak jestli je to reálná fotka, vypadá jako dost jetý, ale to nemusí nic znamenat

edit: byl jsi rychlejší
SM16A, FN20, 3E710B, CDC7-2, HO02, CO2laser, Fiber.. propagator www.atreon.cz
DaDo1114
Příspěvky: 21
Registrován: 10. 10. 2022, 8:39

11. 10. 2022, 11:44

V prvom rade dakujem pani za odpvede.

uchylkomer sme so sebou nemali.
elektrika fungovala v pohode.
posuvy drzali a nevypinali sa.
Na prislusenstvo som sa pytal a nie je k tomu nic, iba to co je na fotke (ano je to realna fotka).
Bola tam aj majsterka co na tych masinach ucila ziakov a horila, ze su v pohode tie masiny (myslim, ze jej to moze byt uplne jedno a nemala by dovod klamat, lebo z toho nebude mat nic)

Este vyradovali aj frezku zvislu FA2V, ale tak isto k tomu nic nie je, iba "holy" stroj. Cena frezky podobna okolo 1200€.

Primarne sustruh potrebujem mat doma na vyrobu puzdierok do brusky na pruziny.
A frezku budem pouzivat tak sviatocne akurat sem tam.

Povodne som si to chcel dat vyrobit, ale ta cena za to co som potreboval bola pre mna astronomicka, tak som zvolil tuto cestu.
Uživatelský avatar
Charon
Sponzor fora
Příspěvky: 6395
Registrován: 27. 7. 2019, 4:31
Bydliště: Praha

11. 10. 2022, 11:56

DaDo1114 píše: 11. 10. 2022, 11:44 V prvom rade dakujem pani za odpvede.

uchylkomer sme so sebou nemali.
elektrika fungovala v pohode.
posuvy drzali a nevypinali sa.
Na prislusenstvo som sa pytal a nie je k tomu nic, iba to co je na fotke (ano je to realna fotka).
Bola tam aj majsterka co na tych masinach ucila ziakov a horila, ze su v pohode tie masiny (myslim, ze jej to moze byt uplne jedno a nemala by dovod klamat, lebo z toho nebude mat nic)

Este vyradovali aj frezku zvislu FA2V, ale tak isto k tomu nic nie je, iba "holy" stroj. Cena frezky podobna okolo 1200€.

Primarne sustruh potrebujem mat doma na vyrobu puzdierok do brusky na pruziny.
A frezku budem pouzivat tak sviatocne akurat sem tam.

Povodne som si to chcel dat vyrobit, ale ta cena za to co som potreboval bola pre mna astronomicka, tak som zvolil tuto cestu.
Akorát potom, až si je oba nastěhuješ, zjistíš co všechno potřebuješ za nástroje a měřidla, cena holého stroje je proti tomu sranda :mrgreen:
Vím o čem mluvím, mám to vyzkoušené, ale pravda je, že já jsem trochu cvok :wink:
SM16A, FN20, 3E710B, CDC7-2, HO02, CO2laser, Fiber.. propagator www.atreon.cz
Uživatelský avatar
jenicek
Příspěvky: 1875
Registrován: 17. 9. 2018, 9:35
Bydliště: Vedle Trautenberka

11. 10. 2022, 12:16

Jo, přesně jak píše Charon...
...je to cvok! :lol: :lol: :lol:
No ale to jsme tady každej druhej, včetně mě :lol: :lol: :lol:
Trochu mě zaráží, že je to přímo od zdroje a je to bez příslušenství. To ho rozkradli nebo ho prodali dřív jak mašiny? Tam to zavání nějakou pohádkou. :mrgreen:
DaDo1114
Příspěvky: 21
Registrován: 10. 10. 2022, 8:39

11. 10. 2022, 12:41

Dalo by sa povedat, ze som sa ku "korytu" dostal neskoro :D
Nieco sa urcite rozkradlo a ostatné predalo.
Su tam este na predaj delicky a zveraky.

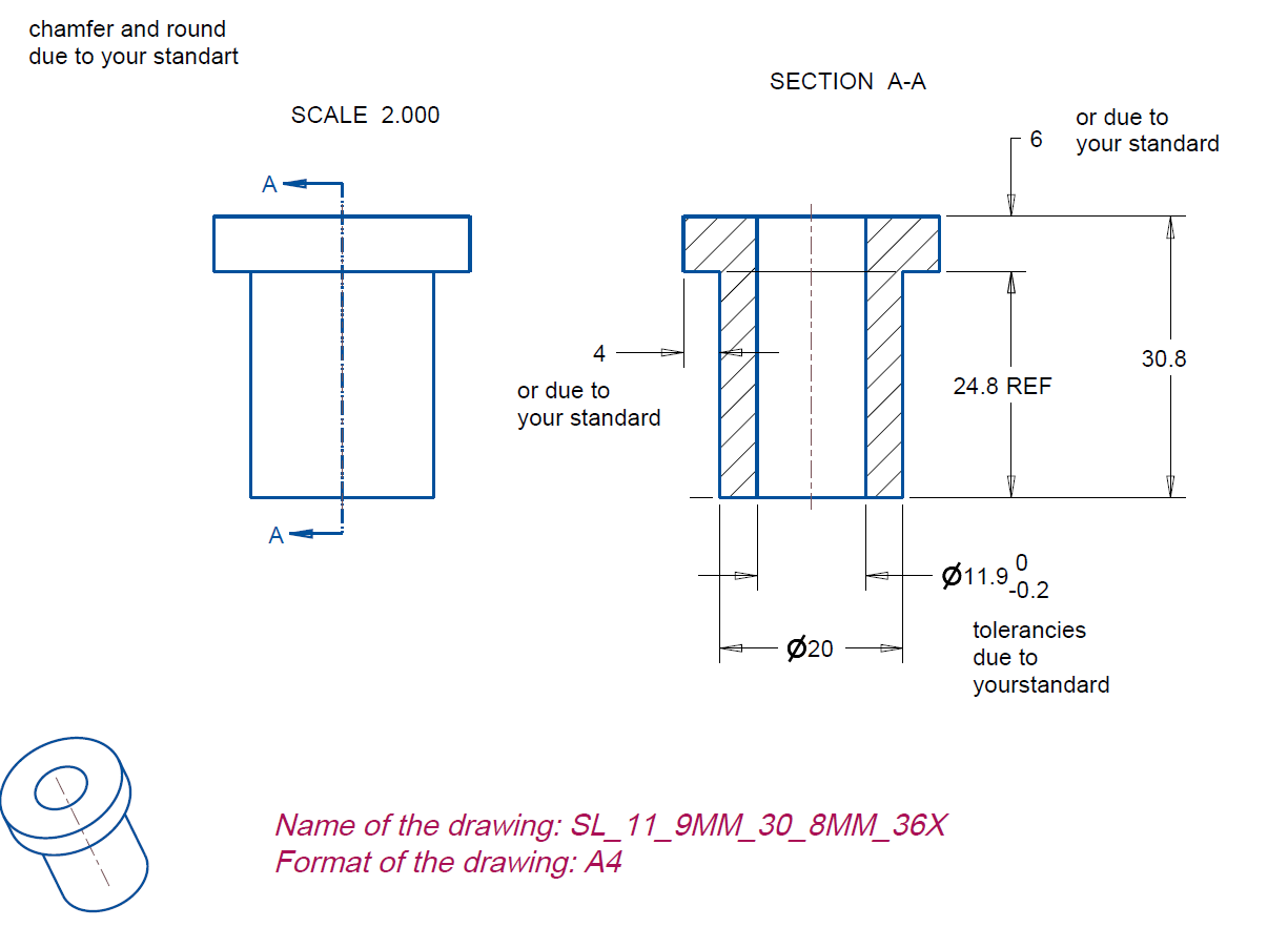
Ale aby sme sa chapali, ja sustruh budem potrebovat na nieco taketo (vid priloha).
Nic ine na nom neplanujem robit (zatial :D :D :D ).

A ta frezka mi tam padla do oka, hlavne kvoli cene (len ci ta cena je tak dobra ako si ja myslim), ale chapem, ze to asi nebude mozne cez klavesnicu ohodnotit...

Skorej ma zaujima vo vseobecnosti, ci je ta freza vhodna na moje obcasne cinnosti, skorej mensich jednoduchych dielov :D
Ja som prvotne pokukoval po FN22, FN25, pripadne Deckel FP1, cakal som na nejaku rozumnu cenu, nakolko to momentalne az tak (ne)potrebujem :lol:
Přílohy
sleeve.PNG
Uživatelský avatar
Charon
Sponzor fora
Příspěvky: 6395
Registrován: 27. 7. 2019, 4:31
Bydliště: Praha

11. 10. 2022, 12:52

DaDo1114 píše: 11. 10. 2022, 12:41 Ja som prvotne pokukoval po FN22, FN25, pripadne Deckel FP1, cakal som na nejaku rozumnu cenu, nakolko to momentalne az tak (ne)potrebujem :lol:
:lol: :lol: :lol:
Svoji FN20 jsem lovil asi čtyry roky než se mi podařila pěkná za ne moc pěknou cenu :?
SM16A, FN20, 3E710B, CDC7-2, HO02, CO2laser, Fiber.. propagator www.atreon.cz
DaDo1114
Příspěvky: 21
Registrován: 10. 10. 2022, 8:39

11. 10. 2022, 1:00

Charon píše: 11. 10. 2022, 12:52
DaDo1114 píše: 11. 10. 2022, 12:41 Ja som prvotne pokukoval po FN22, FN25, pripadne Deckel FP1, cakal som na nejaku rozumnu cenu, nakolko to momentalne az tak (ne)potrebujem :lol:
:lol: :lol: :lol:
Svoji FN20 jsem lovil asi čtyry roky než se mi podařila pěkná za ne moc pěknou cenu :?
Tak to verim :lol: :lol: :lol:
romanf
Příspěvky: 696
Registrován: 27. 6. 2019, 10:11
Bydliště: Bratislava - okolie

11. 10. 2022, 1:08

no keďže je to zo školy , tak úplne chápem absenciu príslušenstva tam sa rozkradlo všetko čo sa dalo speňažiť do šrotu, ešte by som ako bonus predpokladal že bol stroj asi tak 3x ročne nabúraný suportom do skľučovadla

na výrobu taých krátkych trojcentimetrových výrobkov ti môže byť jedno ako je vybehané lôžko :)
DaDo1114
Příspěvky: 21
Registrován: 10. 10. 2022, 8:39

11. 10. 2022, 3:54

Eate raz vsetkym velmi pekne dakujem za rady :)

Rozhodol som sa,ze to s tym sustruhom skusim a zoberiem ho a nech sa deje co sa ma :D

Ohladom tej frezky este uvidim a bud zoberiem,alebo pockam na tu ,,lepsiu" :D

Diky moc a nech sa dari.
soustružník
Příspěvky: 841
Registrován: 25. 10. 2009, 2:47

11. 10. 2022, 9:26

Nápad soustruh před koupí řádně proměřit se může zdát dobrý, ale při téhle ceně je možná kontraproduktivní. Funkční soustruh v rozumné velikosti za tyhle peníze se neměří, ten se kupuje.
DaDo1114
Příspěvky: 21
Registrován: 10. 10. 2022, 8:39

11. 10. 2022, 9:46

soustružník píše: 11. 10. 2022, 9:26 Nápad soustruh před koupí řádně proměřit se může zdát dobrý, ale při téhle ceně je možná kontraproduktivní. Funkční soustruh v rozumné velikosti za tyhle peníze se neměří, ten se kupuje.
Ja som sa tiez rozhodol ho zobrat,nakolko to nie je nejaka brutalna suma a keby si mam dat niekomu vyrabat tie puzdierka co potrebujem cca 4 000ks roznych rozmerov,tak za to zaplatim dva krat viacej ako za sustruh :)

Keby urobi iba polovicku toho co potrebujem a zaveziem ho do srotu,stale na tom neprerobim 8)
Odpovědět

Zpět na „konvenční soustruhy“