Při demontáži 2 tlačítek pro zapínání pohonu vřetena u f3a jsem si bohužel nevyfotil jejich skutečné zapojení. Naučené schéma zapojení tady bohužel nefunguje a já 3 musel až k hlavnímu jističi na chodnik. Jsou tam 4 vodiče. 3 červené a jeden svetly. Ty 2 červené byly na spinacim tlačítku a vím i na kterých svorkach. 3tí červený a světlý byly na druhém tlacitku a tuším i kde. Byly tam ale ještě 2 propojovací a u těch nemůžu přijít na to kam je zapojit a proč, aby zůstalo vřeteno zapnuté po uvolnění tlacítka a po stisknutí toho 2 se zase vyplo.
Díky za záchranu
Školácká chyba - prosím radu
Čau školáku!
https://www.poradte.cz/picture/2016/1748921o.jpg
Všechno vytrhej, proměř který kontakty jsou který a zapoj podle obrázku výše.
https://www.poradte.cz/picture/2016/1748921o.jpg
Všechno vytrhej, proměř který kontakty jsou který a zapoj podle obrázku výše.
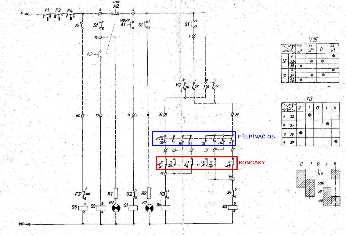
Ve vlákně o FA3 je toto schéma.
Potřeboval bych vysvětlení co znamená
- kolečko šikmo přeškrtnuté
- čárkované propojení mezi A2
- S1 1-2 a S1 7-8
Bohužel mám rozvaděč tak blízko u zdi, že se do něj nedostanu, takže můžu čarovat jen s těma 4 vodičema pro tlačítka.
- kolečko šikmo přeškrtnuté
- čárkované propojení mezi A2
- S1 1-2 a S1 7-8
Bohužel mám rozvaděč tak blízko u zdi, že se do něj nedostanu, takže můžu čarovat jen s těma 4 vodičema pro tlačítka.
Naposledy upravil(a) trnkav dne 19. 1. 2023, 10:20, celkem upraveno 1 x.
MN 80, R 12, Mazak QT8, VR2, V20, LR2, UME 200-2x, KV-250,
Obrázek takhle vložený v rozlišení na prd je k ho... Určitě ho vyfotíš lip
carkované spojeni A2 znamená že je to fyzicky jedno tlačítko s jedním spínacím a jedním rozpínacím kontaktem
dál až uděláž fotku rozumnou
carkované spojeni A2 znamená že je to fyzicky jedno tlačítko s jedním spínacím a jedním rozpínacím kontaktem
dál až uděláž fotku rozumnou
SM16A, FN20, 3E710B, CDC7-2, HO02, CO2laser, Fiber.. propagator www.atreon.cz
což teda moc bezpečné není, kde to máš? Jestli vydržíš příští týden, mám u tebe hromádku a dám ti to dokupy
SM16A, FN20, 3E710B, CDC7-2, HO02, CO2laser, Fiber.. propagator www.atreon.cz
Tak konečně se povedlo.
Chyba byla samozřejmě na mé straně.
Vyplynula z toho potřeba výměny vodičů, jelikož každý pokus o manipulaci s nimi končil přelomením ztvrdlé izolace. Horší práci jsem nikdy nedělal. Pěkná pakárna.
Chyba byla samozřejmě na mé straně.
Vyplynula z toho potřeba výměny vodičů, jelikož každý pokus o manipulaci s nimi končil přelomením ztvrdlé izolace. Horší práci jsem nikdy nedělal. Pěkná pakárna.
MN 80, R 12, Mazak QT8, VR2, V20, LR2, UME 200-2x, KV-250,