Frenic mini - provozní nastavení

ostatní motory, vřetena, regulace, snímaní otáček a jiné
trnkav
Příspěvky: 1033
Registrován: 12. 8. 2006, 9:45

29. 12. 2022, 10:16

Zdravím pánové.
Je tu někdo, kdo provozuje tento měnič - FRN0.75C1S-7WB.
Koukám do toho manuálu už hodinu, ale nerozumím jazyku kmene , z něhož pochází překladatel.
Pro začátek bych potřeboval přepsat čas rozběhu a čas doběhu( teď je tam 0) a parametr pro změnu směru otáčení.
Díky moc předem.
MN 80, R 12, Mazak QT8, VR2, V20, LR2, UME 200-2x, KV-250,
Mex
Příspěvky: 10287
Registrován: 6. 2. 2014, 10:29

30. 12. 2022, 1:04

Měniče Fuji znám celkem dobře. Sice používám většinou něco z řady Ace, ale asi i nějaký Mini bych někde ve skříni našel.
Máš k tomu nastavovací SW? Jmenuje se "Frenic Loader".
Sice se všechno dá nastavit ručně z panelu, ale tím Loaderem je to mnohem komfortnější.
Jestli něco chceš, tak mi pošli mail. Ale mail, ne SZ. Moc tu nejsem.
oshurty
Příspěvky: 162
Registrován: 18. 10. 2013, 1:24

30. 12. 2022, 1:34

https://www.fujielectric-europe.com/gal ... ic_eco.pdf
dovozce/prodejce určitě poradí, evt. poskytne kopii manuálu
trnkav
Příspěvky: 1033
Registrován: 12. 8. 2006, 9:45

8. 4. 2023, 3:14

Prosím radu.
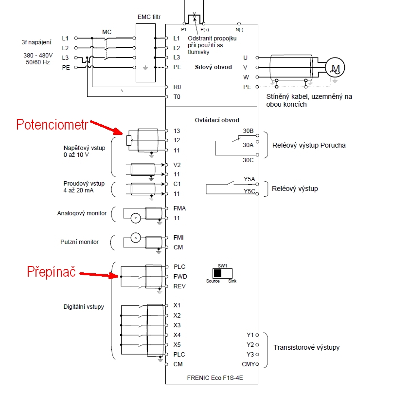
Rád bych si připojil vzdálené ovládání - zapnout pravý - zapnout levý a potenciometr. Nemůžu ale v manuálu dohledat na které svorky to mám připojit a který parametr přepsat.
Předem děkuji případnému zachránci.
IMG_20230408_161315~2.jpg
MN 80, R 12, Mazak QT8, VR2, V20, LR2, UME 200-2x, KV-250,
Uživatelský avatar
salus
Příspěvky: 1528
Registrován: 1. 9. 2013, 1:30
Bydliště: Chrudimsko

9. 4. 2023, 6:27

trnkav píše: 8. 4. 2023, 3:14 Prosím radu.
Rád bych si připojil vzdálené ovládání - zapnout pravý - zapnout levý a potenciometr. Nemůžu ale v manuálu dohledat na které svorky to mám připojit a který parametr přepsat.
Předem děkuji případnému zachránci. IMG_20230408_161315~2.jpg
Image_00014.JPG
Soustruh: S-28 Žebrák
Stolní vrtačka: TOS V10A
Pásová pila: G5013W/400
trnkav
Příspěvky: 1033
Registrován: 12. 8. 2006, 9:45

9. 4. 2023, 8:54

Díky.
Včera jsem zapojil dle schématu co jsem našel, ale nefunguje mi přepínač. Pouze potenciometr.
Screenshot_20230409-094932~2.png
Screenshot_20230409-094710~2.png
MN 80, R 12, Mazak QT8, VR2, V20, LR2, UME 200-2x, KV-250,
trnkav
Příspěvky: 1033
Registrován: 12. 8. 2006, 9:45

9. 4. 2023, 11:14

Parametr F01 - 1
Parametr F02 - 1
Potenciometry fungují oba( ten na panelu by neměl)
Zapnutí ale stále nejde.

Parameter E98 pro FWD je na hodnotě 98
Parameter E99 pro REV je na hodnotě 99
MN 80, R 12, Mazak QT8, VR2, V20, LR2, UME 200-2x, KV-250,
trnkav
Příspěvky: 1033
Registrován: 12. 8. 2006, 9:45

11. 4. 2023, 7:05

Tak se konečně povedlo. Stačilo přehodit pin na pozici SINK.
IMG_20230411_200131~2.jpg
MN 80, R 12, Mazak QT8, VR2, V20, LR2, UME 200-2x, KV-250,
trnkav
Příspěvky: 1033
Registrován: 12. 8. 2006, 9:45

15. 4. 2023, 4:58

Ještě bych se zeptal na 1 drobnost.
Pokud vypnu pohon, měnič snižuje frekvenci až na 0 a cca 5 sec ji drží - nejde ručně otočit motorem. Potom začne opět blikat nastavená frekvence a s motorem jde normálně točit. Těch cca 5 sec je parametr, který se nechá změnit (jaký parametr) , nebo je to dané.
Díky
MN 80, R 12, Mazak QT8, VR2, V20, LR2, UME 200-2x, KV-250,
Uživatelský avatar
Charon
Sponzor fora
Příspěvky: 6157
Registrován: 27. 7. 2019, 4:31
Bydliště: Praha

15. 4. 2023, 8:27

Je to cas dobehu, jako tam mas cas rozbehu, zadava se v sekundách. Ale manual kvuji tomu prohledavat nebudu, hledej cas deakcelerace
SM16A, FN20, 3E710B, CDC7-2, HO02, CO2laser, Fiber.. propagator www.atreon.cz
Milan199
Příspěvky: 3415
Registrován: 18. 8. 2010, 9:04

15. 4. 2023, 8:34

trnkav píše: 15. 4. 2023, 4:58 Ještě bych se zeptal na 1 drobnost.
Pokud vypnu pohon, měnič snižuje frekvenci až na 0 a cca 5 sec ji drží - nejde ručně otočit motorem. Potom začne opět blikat nastavená frekvence a s motorem jde normálně točit. Těch cca 5 sec je parametr, který se nechá změnit (jaký parametr) , nebo je to dané.
Díky
Měnič až do nastavené frekvence brzdí snižováním frekvence. Pak přejde na stejnosměrné brždění. Pustí tedy do cívek // cívky // DC napětí, jehož úroveň a dobu nastavuješ. Nežli je toto brždění vypnuto, motorem jde otáčet jen těžko. Parametry okolo DC brždění // počáteční frekvence, úroveň a čas jdou zpravidla nastavit.
trnkav
Příspěvky: 1033
Registrován: 12. 8. 2006, 9:45

15. 4. 2023, 8:38

Čas doběhu je doba z provozní frekvence na 0. Nebo se pletu? Tohle je čas, od zastavení 0 hz po uvolnění rotoru, kdy s ním jde volně otáčet.
MN 80, R 12, Mazak QT8, VR2, V20, LR2, UME 200-2x, KV-250,
Milan199
Příspěvky: 3415
Registrován: 18. 8. 2010, 9:04

15. 4. 2023, 8:44

Právě že to není až na nulu. Někde tam bude parametr počátek DC brždění. Tam přestane měnič generovat "sinusovku" a pustí to DC.
trnkav
Příspěvky: 1033
Registrován: 12. 8. 2006, 9:45

15. 4. 2023, 8:51

Díky.
Večer zkusím a podám hlášení.
MN 80, R 12, Mazak QT8, VR2, V20, LR2, UME 200-2x, KV-250,
Milan199
Příspěvky: 3415
Registrován: 18. 8. 2010, 9:04

15. 4. 2023, 8:55

Jsou to tyhle funkce // pokud jsem stáhl správný manuál //. F20+F21+F22
DC.png
K době doběhu je to takový přívěšek. Když dáš F22 = 0 - tak se to vypne. Ale nedělal bych to.
Odpovědět

Zpět na „Ostatní elektromotory“