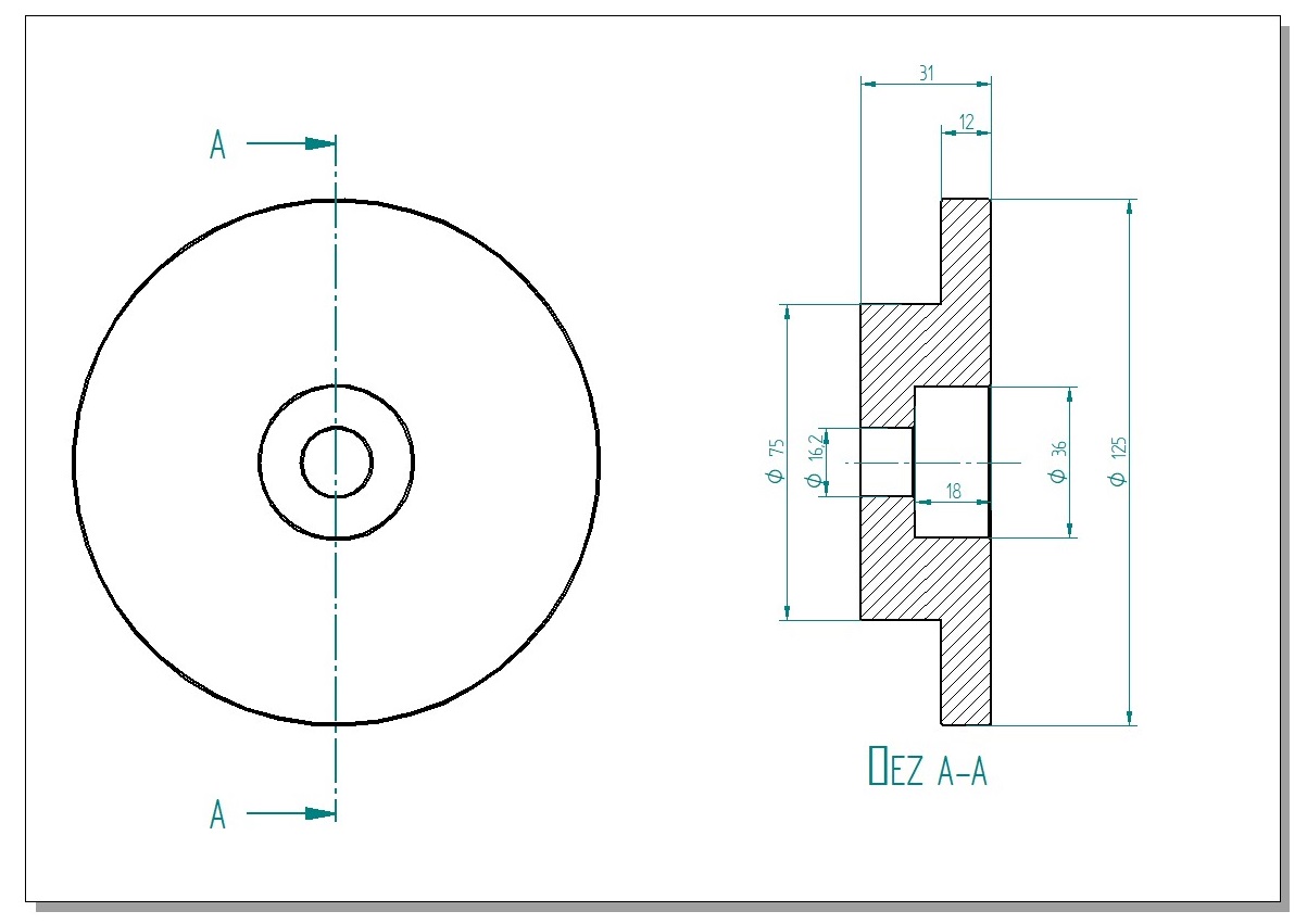
Dobrý den, poptávám výrobu soustružených dílů. Materiál ocel-cokoli obrobitelného. Pozice č.2. 8 ks, ostatní 1ks. Kromě kóty Ø 25 H7 jsou rozměry volné.
Děkuji za nabídky.
Soustružení
Pravidla fóra
Toto forum vyzaduje schvaleni prispevku moderatorem.
Toto forum vyzaduje schvaleni prispevku moderatorem.