Soustružení

Požadavky na výrobu dílů - poptávkové fórum
Pravidla fóra
Toto forum vyzaduje schvaleni prispevku moderatorem.
Odpovědět
robil
Příspěvky: 26
Registrován: 12. 10. 2011, 9:24

4. 8. 2023, 7:22

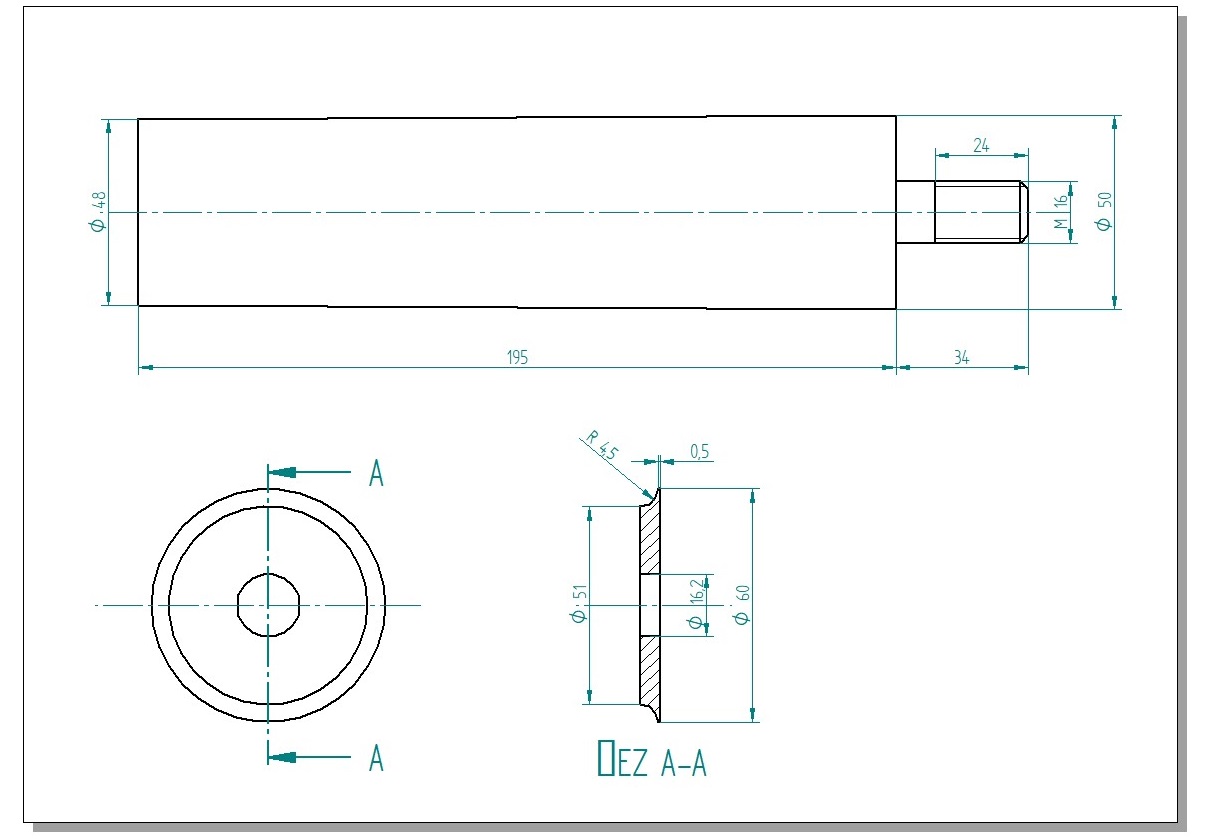
Dobrý den, poptávám výrobu soustružených dílů. Materiál ocel-cokoli obrobitelného. Pozice č.2. 8 ks, ostatní 1ks. Kromě kóty Ø 25 H7 jsou rozměry volné.

Děkuji za nabídky.
Přílohy
pozice 1..jpg
pozice 2..jpg
pozice 3..jpg
Uživatelský avatar
kenybz
Příspěvky: 3354
Registrován: 16. 2. 2015, 11:16

4. 8. 2023, 9:42

Gdyž sa chce, tak ide fšecko...
Odpovědět

Zpět na „Potřebuji vyrobit - vypomoc pri vyrobe“