Cirkulárka_3f motor

Doffie
Příspěvky: 4
Registrován: 8. 10. 2023, 3:49

15. 10. 2023, 9:19

Ahoj,
mohu se zeptat , jak správně zapojit tento motor?
Byl spínán vačkovým spínačem hvězda-trojuhelník , ale při přepnutí do trojuhelníku
občas vyhazoval jistič...
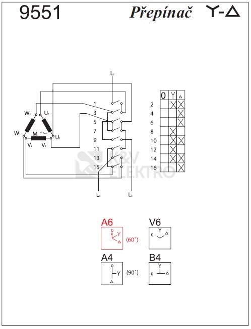
Koupil jsem tedy nový stejný spínač, že bude možná vadný, ale pokud zapojím nový spínač dle schématu (9551), tak vyhodí jistič už při přepnutí do hvězdy....
Původní zapojení si přesně napamatuju, ale bylo jiné...
Mohl bych poprosit o radu (schéma) ,jak správně zapojit spínač k tomuto motoru?


Moc děkuji
Přílohy
IMG_20230917_123317.jpg
IMG_20230925_093430.jpg
IMG_20230925_093442.jpg
IMG_20230925_115651.jpg
IMG_20230925_115709.jpg
Uživatelský avatar
Charon
Sponzor fora
Příspěvky: 6433
Registrován: 27. 7. 2019, 4:31
Bydliště: Praha

15. 10. 2023, 9:26

Chybí mi křišťálová koule :shock: Co to aspoň trochu nakreslit :
Třeba takhle
Přílohy
242021-prepinac-vackovy-hvezda-trojuhelnik-3-polohy-20a-0-y-Δ-4-500x500.jpg
SM16A, FN20, 3E710B, CDC7-2, HO02, CO2laser, Fiber.. propagator www.atreon.cz
Doffie
Příspěvky: 4
Registrován: 8. 10. 2023, 3:49

15. 10. 2023, 10:54

Já to mám zapojené takto...
Jsem amatér,uplně nevím jaký je v obou zapojení rozdíl...mám zkusit to vaše?
Přílohy
vackovy-spinac-sez-s25-jd-9551-a6-25a-3p-hvezda-trojuhelnik-cerna-packa-0-y-d__p_1188046_2.jpg
Uživatelský avatar
Thomeeque
Příspěvky: 9520
Registrován: 30. 1. 2012, 10:20
Bydliště: Mimo ČR

15. 10. 2023, 11:24

Spoje 5-7 a 11-13 jsou nějaký divný, při hvězdě se ti přes ně spojí L2 s L3, proto to vyletí. IMHO jsou tam nakreslené nějakým nedopatřením. Bez nich by to mohlo být OK, ale ještě bych na to kouknul ráno :)
mimooborová naplavenina • kolowratský zázrak™ • NPS • GCU • HirthCalc • ncDP.ino
Uživatelský avatar
Thomeeque
Příspěvky: 9520
Registrován: 30. 1. 2012, 10:20
Bydliště: Mimo ČR

16. 10. 2023, 8:34

Todle vypadá cajk (asi to samé nakreslené jinak a bez těch dvou divných spojů viz předchozí post):
motor-dy-7.gif
motor-dy-7.gif (7.23 KiB) Zobrazeno 3711 x
motor-dy-7--Y.gif
motor-dy-7--Y.gif (8.25 KiB) Zobrazeno 3711 x
motor-dy-7--D.gif
motor-dy-7--D.gif (8.24 KiB) Zobrazeno 3711 x
mimooborová naplavenina • kolowratský zázrak™ • NPS • GCU • HirthCalc • ncDP.ino
Uživatelský avatar
shaolin
dezinfo trol
Příspěvky: 1282
Registrován: 11. 9. 2011, 7:17

16. 10. 2023, 10:25

Podľa otázok by som doporučil nechať zapojenie nejakému elektrikárovi skôr ako si odpáli motor.
To že niekto nerozumie tomu čo píšem, neznamená že som troll :)
Doffie
Příspěvky: 4
Registrován: 8. 10. 2023, 3:49

22. 10. 2023, 5:04

Bohužel chyba bude asi jinde, stále vyhazuje jitsič....
Uživatelský avatar
Zdenek Valter
Příspěvky: 5458
Registrován: 9. 1. 2009, 5:16
Bydliště: Ústí n. L.

22. 10. 2023, 5:46

Doffie píše: 22. 10. 2023, 5:04 Bohužel chyba bude asi jinde, stále vyhazuje jitsič....
To se Ti lehce řekne, ale jistotu nemáš ;-)
Tohle chce opravdu někoho znalého problematky, aby Ti i případně změřil i motor, včetně správné orientace vinutí. ;-)
Hobbík - obráběč i 3D tiskař začátečník - strojní park je konečně instalován
Uživatelský avatar
Charon
Sponzor fora
Příspěvky: 6433
Registrován: 27. 7. 2019, 4:31
Bydliště: Praha

22. 10. 2023, 6:21

shaolin píše: 16. 10. 2023, 10:25 Podľa otázok by som doporučil nechať zapojenie nejakému elektrikárovi skôr ako si odpáli motor.
Tady už ti kolega dobře poradil :!: Víš prd co děláš, ale děláš to. Budeš si taky podle návodu na trubce vyndavat slepák? Asi težko, že :lol:
SM16A, FN20, 3E710B, CDC7-2, HO02, CO2laser, Fiber.. propagator www.atreon.cz
Uživatelský avatar
jenicek
Příspěvky: 1884
Registrován: 17. 9. 2018, 9:35
Bydliště: Vedle Trautenberka

23. 10. 2023, 6:24

Při vyndávání slepáku nastupuje pomalu bolest už při řezání kůže, takže to většina vzdá hned na začátku. Kdežto u elektriky to dlouho nebolí a bolest přichází v mžiku a nečekaně, tak proč to nezkusit. Někomu holt o kamnech a žhavý plotně můžeš vyprávět jak chceš, ale dokud sám nevyzkouší, nevěří... :lol:
Uživatelský avatar
Tukanekb8
Protřelý bazarník
Příspěvky: 925
Registrován: 19. 4. 2015, 8:05

24. 10. 2023, 7:42

No jednak kdyz vidim ty draty oholeny jeste centimetr z podsroubu, bych blil... Jinak miluju kdyz mi nekdo neco prinese se slovy: tohle se mi posralo, tak jsem to zkusil opravit sam a uz to nejde vubec, oprav mi to... Kdybych mel cestu kolem, tak ti to zapojim, tento tyden urcite ne bohuzel :(
Soustruh Magdeburg D30, CNC frézka home-made, 3D tisk home-made,...
Uživatelský avatar
Thomeeque
Příspěvky: 9520
Registrován: 30. 1. 2012, 10:20
Bydliště: Mimo ČR

24. 10. 2023, 7:52

Doffie píše: 22. 10. 2023, 5:04 Bohužel chyba bude asi jinde, stále vyhazuje jitsič....
Už při hvězdě nebo až občas trojůhelník (původní problém)? V druhé případě bude problém asi někde jinde (vadný motor, vadný nebo nevhodný jistič, ..).
mimooborová naplavenina • kolowratský zázrak™ • NPS • GCU • HirthCalc • ncDP.ino
Doffie
Příspěvky: 4
Registrován: 8. 10. 2023, 3:49

24. 10. 2023, 8:19

Po konzultaci na jiném fóru zjištěná vypálená ,,cestička,, na svorkovnici...
Výměna svorkovnice a vše funguje jak má...
Děkuji všem co se snažili pomoci!! Ať se daří :)
atlan
Příspěvky: 3382
Registrován: 7. 2. 2011, 9:12

25. 10. 2023, 11:52

Fakt dole v lavo.
Uživatelský avatar
Habešan
Příspěvky: 1194
Registrován: 12. 12. 2013, 2:25
Bydliště: Čechy
Kontaktovat uživatele:

25. 10. 2023, 7:20

A při měření pomocí Megmetu se to neprojevilo ? :) :)
Koupím hliníkové profily délky cca 60cm, nabízím 90,-Kč/kg.
Odpovědět

Zpět na „Jiné stroje - vrtačky, brusky, pily atd.“