Mezipříruba A2-5 pro tříčelisťovou univerzálu 125mm

Požadavky na výrobu dílů - poptávkové fórum
Pravidla fóra
Toto forum vyzaduje schvaleni prispevku moderatorem.
Odpovědět
Uživatelský avatar
martasg1
Sponzor fora
Příspěvky: 2235
Registrován: 17. 12. 2010, 3:42

24. 11. 2024, 7:54

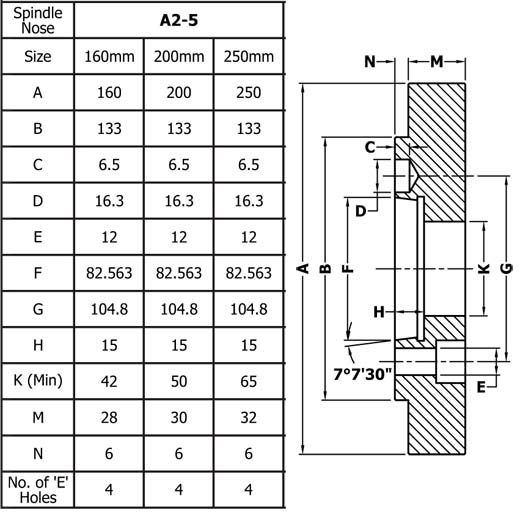
Zdravím, potřebuji vyrobit mezipřírubu A2 velikost 5 na malý soustruh.
Pro sklíčidlo 125mm.
Ze strany sklíčidla zůstane jako polotovar, protože tu stranu si osoustružím po montáži.
Vhodný materiál, četl jsem, že to dělají z oceli s větším obsahem uhlíku. (12050? nebo něco podobnýho?). Každopádně aby byl rozměrově stálý a nekroutil se při zahřátí vřetena.

Rozměry kuželu A2-5 na foto přílohou.

Celková šířka bude 40mm (N+M) a vybrání N tam nebude.

Důležité rozměry jsou úhel a rozměr F.
Respektive myslím, že dosedací plocha a kužel jsou přesně napasované na kužel a čelo vřetena.

Prosím o nabídky s cenou a termínem.
děkuji
Přílohy
prirubnica-a2-5-tabjpg.jpg
20241124_210415.jpg
20241124_210239.jpg
20241124_210357.jpg
CNC obrábění :shock:
Uživatelský avatar
martasg1
Sponzor fora
Příspěvky: 2235
Registrován: 17. 12. 2010, 3:42

11. 2. 2025, 9:40

Pokud by mi nekdo alespon poradil jaky pouzit material a kde ho za rozumnou cenu poridit, tak to by bylo fajn.
CNC obrábění :shock:
Odpovědět

Zpět na „Potřebuji vyrobit - vypomoc pri vyrobe“