Boční vrtání - rozteč s tolerancí +/-0.01 mm

Požadavky na výrobu dílů - poptávkové fórum
Pravidla fóra
Toto forum vyzaduje schvaleni prispevku moderatorem.
Uživatelský avatar
Tereza
Příspěvky: 4
Registrován: 26. 8. 2022, 10:01
Bydliště: Brno

18. 11. 2025, 10:11

Zdravím,
poptávám obrobení 2 kusů hliníkového dílce (mat. EN AW-5083) - boční vrtání děr a závitů z jednoho čela: 4 x ø 10 H7 + 4 x M10-6H:
Boční vrtání.jpg
Boční vrtání.jpg (19.42 KiB) Zobrazeno 908 x

Předepsané tolerance je nutno dodržet, nelze rozvolnit.
Díl jde následně na přírodní elox.
Ideálně JMK.
Děkuji!
Naposledy upravil(a) Tereza dne 18. 11. 2025, 10:29, celkem upraveno 1 x.
Uživatelský avatar
jenicek
Příspěvky: 1814
Registrován: 17. 9. 2018, 9:35
Bydliště: Vedle Trautenberka

18. 11. 2025, 10:25

Já teda nejsem strojař, ale elektrikář, ale co s tím udělá teplota?
Engineer
Příspěvky: 2357
Registrován: 27. 12. 2006, 4:30
Kontaktovat uživatele:

18. 11. 2025, 11:47

Setinová tolerance a pak na to elox???? :shock:
Uživatelský avatar
jenicek
Příspěvky: 1814
Registrován: 17. 9. 2018, 9:35
Bydliště: Vedle Trautenberka

18. 11. 2025, 6:23

Engineer píše: 18. 11. 2025, 11:47 Setinová tolerance a pak na to elox???? :shock:
No právě proto jsem se ptal, máma dělala na eloxu...
Nějak si nedokážu ani představit obrábění po eloxu a dodržení těch tolerancí, stačí to ohřát v ruce a bude to mimo.
jean
Příspěvky: 1138
Registrován: 10. 7. 2013, 11:48

18. 11. 2025, 8:00

Na hackove diery sa pre elox dava pridavok. Polohu to neovplyvni. A co mam skusenost, tak pri kusovke sa ta tolerancia pre hacko nikdy netrafi a je to tesne. Vystruznik riesi. Ale 0,01 mm tolerancia je dost moribundus...
https://www.facebook.com/share/17nDvFSHyd/?mibextid=wwXIfr
Tom Dvk
Příspěvky: 562
Registrován: 24. 7. 2018, 1:08

19. 11. 2025, 9:12

Proč by se tam dával přídavek, normálně se to udělá na hotovo v toleranci a pak se to naeloxuje. Kór poloha děr se eloxem nepohne vůbec a ani H rozměr to neovlivní .. ale musí se ten elox udělat dobře, ne že by to nešlo zkazit.
jean
Příspěvky: 1138
Registrován: 10. 7. 2013, 11:48

19. 11. 2025, 12:06

pretoze slusna vrstva eloxu ti dieru zmensi aj o dve stovky
https://www.facebook.com/share/17nDvFSHyd/?mibextid=wwXIfr
Uživatelský avatar
Tereza
Příspěvky: 4
Registrován: 26. 8. 2022, 10:01
Bydliště: Brno

19. 11. 2025, 12:08

...blbé je, že není, komu by se do toho chtělo :|

Zákazníkem je ta tolerance i p.ú. předepsaná a hnout s tím nejde (pasuje se to na protikus s kolíky :x )
jean
Příspěvky: 1138
Registrován: 10. 7. 2013, 11:48

19. 11. 2025, 12:12

No to je tym, ze garantovat presnost na 0,01 mm nie je prdel... A udrzat hackovy rozmer do hlbky 22, to ani neviem, ci s beznym nastrojom ide. Aky je treti rozmer toho kusu?
https://www.facebook.com/share/17nDvFSHyd/?mibextid=wwXIfr
Tom Dvk
Příspěvky: 562
Registrován: 24. 7. 2018, 1:08

19. 11. 2025, 12:30

jean píše: 19. 11. 2025, 12:06 pretoze slusna vrstva eloxu ti dieru zmensi aj o dve stovky
Proto se to nejdřív opálí a pak doeloxuje nazpět na rozměr, ale ne každý to umí, ne vždycky se to povede a taky je dobré mít více kusů na zkoušku. Dělával jsem na soustruhu kusy z hliníku s tolerovaným průměrem -0.01 nahotovo a nebyl až takový problém to vysoustružit, jako to naeloxovat. Ale postupně se to zmáklo a už to pak jelo celkem spolehlivě.
Uživatelský avatar
Tereza
Příspěvky: 4
Registrován: 26. 8. 2022, 10:01
Bydliště: Brno

19. 11. 2025, 12:45

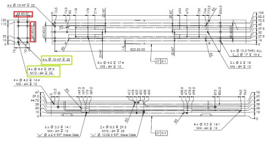
Celý díl vypadá takto:
10035715.jpg
jean
Příspěvky: 1138
Registrován: 10. 7. 2013, 11:48

19. 11. 2025, 1:28

Tomdvk, cize pises vlastne to iste, co ja :D.
https://www.facebook.com/share/17nDvFSHyd/?mibextid=wwXIfr
Tom Dvk
Příspěvky: 562
Registrován: 24. 7. 2018, 1:08

19. 11. 2025, 1:47

Ne. Přečti si to celé ještě jednou a pozorně.
jean
Příspěvky: 1138
Registrován: 10. 7. 2013, 11:48

19. 11. 2025, 1:52

Hej, pisal som, ze na kusovke sa to netrafi. Ty pises, ze postupne sa to vychytalo :lol:. Poznam firmu, kde na seriovej vyrobe vychytali kalenie tak, ze nebolo treba nasledne opracovanie. Sprav to na jednom kuse....
https://www.facebook.com/share/17nDvFSHyd/?mibextid=wwXIfr
Uživatelský avatar
robokop
Site Admin
Příspěvky: 23079
Registrován: 10. 7. 2006, 12:12
Bydliště: Praha
Kontaktovat uživatele:

19. 11. 2025, 1:55

Asi vim kde by to slo zkusit vyrobit. Cena se vam nebude libit..
Vsechna prava na chyby vyhrazena (E)
Odpovědět

Zpět na „Potřebuji vyrobit - vypomoc pri vyrobe“