Zdroj pre zostavu elektroniky CNC

Odpovědět
orim
Příspěvky: 75
Registrován: 17. 9. 2010, 10:07

24. 5. 2011, 9:05

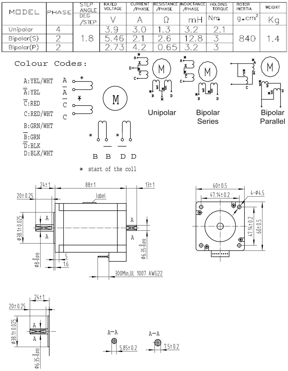
Poradí mi niekto aký najvýhodnejší zdroj napájania a napätie použiť pre túto zostavu elaktroniky? A aké je najefektívnejšie zapojenie motorov do série alebo paralelne?
Dík.
SY60STH86-3008BF-1.JPG
Přílohy
SY60STH86-3008BF.JPG
752.jpg
752.jpg (10.81 KiB) Zobrazeno 2454 x
sidonie
Příspěvky: 1003
Registrován: 18. 12. 2009, 11:18
Bydliště: Vranová Lhota

24. 5. 2011, 9:25

Proč jsi si k tomu rovnou nepořídil zdroj z CNCShopu, když jsi to tam kupoval? Měl by jsi to v jedné zásilce a komplet. Vhodný zdroj by ti k tomu Pan Quis určitě doporučil.
orim
Příspěvky: 75
Registrován: 17. 9. 2010, 10:07

24. 5. 2011, 11:06

Nekupoval som to v cnc-schope ala na ebay, motor cca 34Eur-kus,driver cca 63Eur.
Naposledy upravil(a) orim dne 22. 6. 2011, 4:18, celkem upraveno 1 x.
sidonie
Příspěvky: 1003
Registrován: 18. 12. 2009, 11:18
Bydliště: Vranová Lhota

24. 5. 2011, 11:35

Slušná cena za ty motory. V sériovém zapojení potřebují hodně voltů, minimálně 60V, v paralelním zapojení, kde nedosáhneš tak vysokých otáček, ale dle mého je vyrovnanější chod motoru, potřebuješ zase alespoň 4 ampéry do motoru, což ti driver umožní, ale volty ty ampéry musí dotlačit do motoru, takže minimálně 48V. Pokud seženeš něco kolem 60V 10A, tak by ti to mělo stačit.
Odpovědět

Zpět na „Ostatní elektronika“