Spojeni dvou trubek - rotacni pohyb
-
Baltazarek
- Příspěvky: 221
- Registrován: 21. 5. 2009, 9:17
- Bydliště: Brno
- Kontaktovat uživatele:
Tak jsem se pokusil udelat model. Tet se to bude vpohode otacet. To lozisko bych tam nalisoval, nebo kdyby se to nepovedlo tak to zakapl loctitem. Taky bych ho tam mohl stahnout treba cervikem aby mohl byt spoj rozebiratelny. Koukal jsem bohuzel do ALMSu v Brne a nemaji tam vhodnou trubku. Nasel jsem pouze 60x40. Tu bych si na soustruhu obrobil, ale nenasel jsem nic vhodneho na tu druhou. Tu vnitrni diru 40 se mi asi na nasem malem soustruhu obrobit nepovede. Nevite kde koupit material trubku 70x40 = stena 15mm
Jestli to dobře chápu, tak by ti nešla vystružit na tvém soustruhu dlouhá díra do nějaké kulatiny, proto chceš tu trubku? A kratší díry bys' na něm dokázal? Pak by stačila jakákoliv trubka o vnějším průměru 70mm a do ní nastrkat a zalepit jakési (třeba) hliníkové "špunty" s dírou 40mm, jeden za druhým. Tloušťka toho špuntu by závisela jen na tom, jak dlouhou tu díru bys dokázal ještě dobře vystružit. Ten krajní kus u toho ložiska by se mohl ještě pojistit zase třeba těmi červíky.
Edit: nebo ještě méně pracné - vyrobit jen dvě mezikruží dopředu a dozadu, s otvorem na menší trubku o světlosti těch 40mm...
Edit: nebo ještě méně pracné - vyrobit jen dvě mezikruží dopředu a dozadu, s otvorem na menší trubku o světlosti těch 40mm...
-
Baltazarek
- Příspěvky: 221
- Registrován: 21. 5. 2009, 9:17
- Bydliště: Brno
- Kontaktovat uživatele:
ahoj, jo to je dobry napad. Jinak se zeptam, jak je obtizne udelat na soustruhu diru 40mm do trubky dlouhe cca 150mm ? Je to normalni ukon ? Ja mam ve skole jenom maly soustruh a tam vnitrni diry moc nejdou. Pokud by to nebyla slozita operace asi bych si to nechal cele od nekoho vyrobit.
Tak velkou a dlouhou díru jsem nikdy nedělal, na velkém (normálním) soustruhu to ale jde. Díra se předvrtá co největším vrtákem a pak se použije např. vyvrtávací tyč se štelovatelným nožem, upnutá mezi hroty , kterou se to vyvrtá přesně, soustružník by to určitě nějak udělal. Ale neumím odhadnout, jakou mu to dá práci, zkušenost s tím nemám.
-
Baltazarek
- Příspěvky: 221
- Registrován: 21. 5. 2009, 9:17
- Bydliště: Brno
- Kontaktovat uživatele:
myslim ale ze nejlepsi reseni je zkusit sehnat vhodnou trubku 
Jinak zatim se priklanim k variante s loziskem. trubku bych do vnitrniho prumeru nalisoval a druhou cast trubky bych asi pojistil do loziska z venku cervikem aby se to dalo pripadne rozebrat. Lozisko pouziji nejake nejlevnejsi co sezenu.
Jinak zatim se priklanim k variante s loziskem. trubku bych do vnitrniho prumeru nalisoval a druhou cast trubky bych asi pojistil do loziska z venku cervikem aby se to dalo pripadne rozebrat. Lozisko pouziji nejake nejlevnejsi co sezenu.
jak musí být ta trubka přesná? když vezmu tlustostěnné trubky s ferony tak to je většinou orezlý, kruhovitost ty trubky nic moc a přesnost rozměru taky nebude ideální, takže i když seženeš trubku vhodného rozměru tak si myslím že poslouží pouze jako polotovar a pak se soustružení stejně nevyhneš.. a jestli to dělat z trubky nebo ze špalku už je pak na velkém soustruhu skoro jedno.. jinak trubku dlouhou 150mm s dírou 40mm na normálním soustruhu uděláš bez problémů
věčný rýpal,který musí mít poslední slovo, odpůrce low-cost zařízení končících v naprosté většině případů v hromadě šrotu
uživatelé hýbátek, kteří mají z mých příspěvků celoživotní trauma nechť si mé příspěvky VYPNOU
uživatelé hýbátek, kteří mají z mých příspěvků celoživotní trauma nechť si mé příspěvky VYPNOU
-
Baltazarek
- Příspěvky: 221
- Registrován: 21. 5. 2009, 9:17
- Bydliště: Brno
- Kontaktovat uživatele:
Ahoj. Na tom vnitrnim rozmeru temer vubec nezalezi, zda to bude 40 nebo 42 asi vadit nebude. Micek ma 40mm, vetsinou je tak o 0.5mm mensi. Vetsi neni nikdy. Takze pokud neni problem udelat na soustruhu 150mm dlouhou trubku tak s tim budu pocitat a normalne to necham nekde udelat. Urcite to nebude velky balik penez co by me zrujnoval. Vecer budu pokracovat s navrhem a pak to sem supnu.
-
Baltazarek
- Příspěvky: 221
- Registrován: 21. 5. 2009, 9:17
- Bydliště: Brno
- Kontaktovat uživatele:
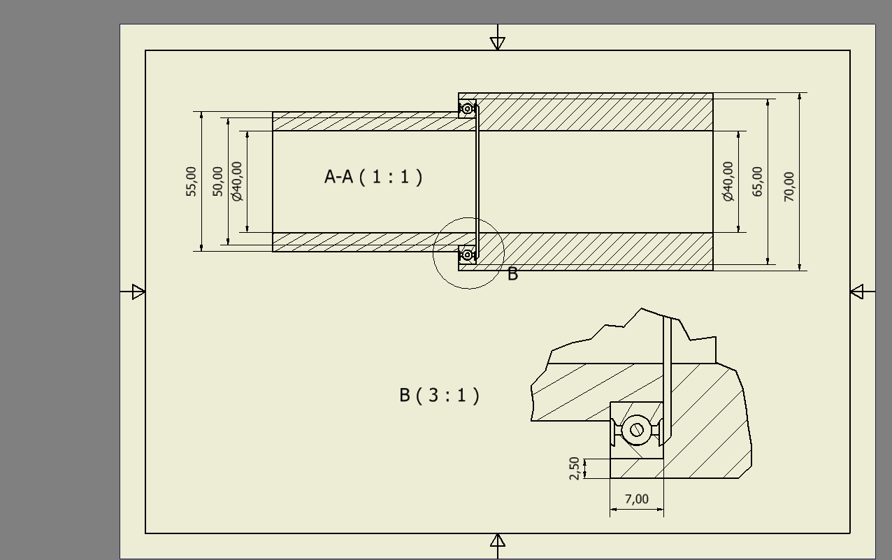
Takze jsem priblizne namodeloval tu vystrelovaci cast. Motory budou umisteny na necem pevnejsim. Vystupni hridel bude jeste v nejakem miniaturnim lozisku. A taky tam bude vyreseno priblizovani motorku k sobe, aby se dala rucne naladit vzdalenost mezi nimi, kdyz by se opotrebovala ta vystrelovaci kolecka. U toho loziska bude na te trubce navleceno plastove ozubene kolecko s modulem 0.5 ovladane asi krokovym motorkem. Puvodne jsem tam chtel dat modelarske servo, ale potrebuji aby se trubka dovedla otocit o 90 stupnu na obe strany a to bych musel mit ze serva prevod cca 1:1, coz by znamenalo obrovske ozubene kolecko na servu. Takto se krokovy motorek bude moci otocit nekolikrat, a na rychlosti mi zde moc nezalezi, staci kdyz se to zvladne cca do 1 sekundy.