vykres šroubu

Odpovědět
Uživatelský avatar
lamoz
Sponzor fora
Příspěvky: 366
Registrován: 31. 1. 2008, 1:26
Bydliště: Praha

2. 3. 2008, 8:53

Ahoj!

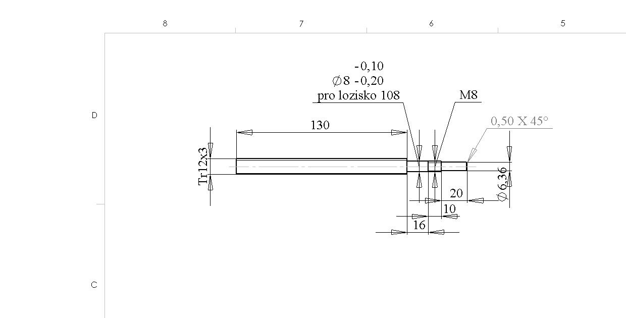
Potreboval bych poradit - jak spravne ukazat prumer osa pro loziska ?
Tady je vzorek, neco tam špatne ?
Je to je šroub osa Z.

Predem dekuji!
Přílohy
tak to musi vzpadat s ložiskama a matice.
tak to musi vzpadat s ložiskama a matice.
винт z.jpg
Uživatelský avatar
lamoz
Sponzor fora
Příspěvky: 366
Registrován: 31. 1. 2008, 1:26
Bydliště: Praha

2. 3. 2008, 9:25

A jeste otazka - mohl by nekdo doporučit nejakeho vyrobce šroubu, kdo spolupracuje s soukromama osobama ?
Monteg
Příspěvky: 1514
Registrován: 30. 10. 2006, 5:37
Bydliště: LOUNY

2. 3. 2008, 9:54

Koukal jsem na ten vykres ale pro ložiska -0,1 až -0,2mm? To asi né. Mělo by tam bejt nejspíš neco jako +0,02 až +0,01mm takovej šroub by ti měl vyrobyt každej soustružník a pokud mu dáš i matku - polotovar měl by oba závyty napasovat.
Uživatelský avatar
Bob
Příspěvky: 701
Registrován: 5. 10. 2007, 12:02
Bydliště: Slavkov u Brna
Kontaktovat uživatele:

2. 3. 2008, 10:32

Osobně bych volil průměr hřidele pro ložisko -0.005mm - vzhledem k tomu, že tam je závit na přitažení ložiska se da jít na -0.01mm. Pokud má ložisko malé vůle je přesné-tak při lisovaní na hřídel ktera má větší přesah -dochází k natahování vnitřního kroužku ložika které může vést až k jeho znehodnocení. Pokud chceme upravit( zmenšit vnitřní vůli ložiska) tak se otvor v domečku kam se ložisko lisuje- vyrábí v mínusových tolerancích je k tomu ale zapotřebí určité zkušenosti o kolik to u dělat méně. Ten průměr 6.36mm - ( spravně je 6.35mm) musí mít napsanou toleranci, jinak je to volná míra a soustružník ti to může udělat klidně 0.1-0.15mm do mínusu a bude to správně.Takže průměr 6.35 -0.02mm. Bob.
Uživatelský avatar
bobik
Příspěvky: 4556
Registrován: 11. 12. 2007, 7:48
Bydliště: Okres Klatovy

2. 3. 2008, 11:06

mám docela připomínku k tomu šroubu z hlediska osazení. Tobě bude přenášet kroutící moment jen šestka průměr. Ten docela snadno ukroutíš.
Myslím, že nemusíš zmenšovat průměr závitu od trapézáku, ale pro ložiska
můžeš použít větší průměr, třeba 16mm a od něj zmenšovat osazení.
Já bych použil u konce trapézáku výběh závitu o průměru 8 délka 6mm, pak osazení na vnější průměr vnitřního kroužku ložiska tak 3-5mm, pak vnitřní průměr vnitřního kroužku ložiska spojený se závitem pro 2 MK matice a pak teprve osazení na ruční kolo nebo spojku. Jinak to kótování je pěkná prasárna, tohle je ze solidworksu, že jo.
Uživatelský avatar
Bob
Příspěvky: 701
Registrován: 5. 10. 2007, 12:02
Bydliště: Slavkov u Brna
Kontaktovat uživatele:

2. 3. 2008, 12:04

Co se týká kotování nebud' na kolegu hned tak přísný určitě se to teprve učí a vzpomen' si, že i Ty jsi to neuměl ihned. Průměr šestka o ktere píšeš, že se snadno ukroutí je průměr 6.35mm neboli 1/4 palce tj. běžný průměr hřídelky asi do 1.7 Nm u krokového motoru - který dokáže utáhnout bez problémů i větší solidně udělanou hobby frézku. Jinak mě jaksi uniká smysl toho co jsi napsal: u konce trapézáku výběh závitu o průměru 8 délka 6mm ..... a jinak je to asi myšlené od Lamoze , že TR šroub na osu Z se vyrobí z TR závitové tyče, proto takové provedení jaké nakreslil. Bob.
Uživatelský avatar
bobik
Příspěvky: 4556
Registrován: 11. 12. 2007, 7:48
Bydliště: Okres Klatovy

2. 3. 2008, 1:28

sice jsme na CNC foru, ale z lamozova příspěvku není zřejmé, zda pohybový šroub je na nc nebo není. Takže jestli se šroub bude vyrábět celý nový, tak doporučuji tu šestku průměr zesílit a místo jedné matice použít dvě jako kontra. Na to, že jsem napsal o kótování že je to prasárna prosím zapomeňte, ona už estetika v dokumentaci dneska nic neznamená.
Přílohy
trapezak.jpg
Uživatelský avatar
lamoz
Sponzor fora
Příspěvky: 366
Registrován: 31. 1. 2008, 1:26
Bydliště: Praha

2. 3. 2008, 1:55

Diki vsem za rady.
Takze tedka to bude vypadat tak.
Co vi na to ? Je to velmi špatne nebo ne?
Přílohy
полка мотора z asm.jpg
полка мотора z.jpg
винт z.jpg
Uživatelský avatar
lamoz
Sponzor fora
Příspěvky: 366
Registrován: 31. 1. 2008, 1:26
Bydliště: Praha

2. 3. 2008, 2:03

2bobik:
ted razumim co jsi měl.
Ale proc mam delat takovy velki prumer. Mam motor, kteri ma hridel 6,35, a chci udelat stejni prumer konce šroubu aby mit moznost použit stejne remenice.
PS: je to solidworks 2008.
Mad_BOXs
Příspěvky: 1420
Registrován: 14. 1. 2008, 4:30
Bydliště: Dvůr Kálové n.Labem

2. 3. 2008, 2:05

Ten domek pro ty ložiska ti takhle půjde špatně vyrobit.Dej tam místo toho vymezení uprostřed mezi ložiskama zápich na klasickou segerovku.Pak ti ten domek jednoduše udělá soustružník na jedno upnutí.
Uživatelský avatar
bobik
Příspěvky: 4556
Registrován: 11. 12. 2007, 7:48
Bydliště: Okres Klatovy

2. 3. 2008, 2:14

To ložisko je kuličkové naklápěcí? Pro tvé řešení když tak dvě kuličkové s kosoúhlým stykem. Ložiska mají zachycoval hlavně axiální síly. Jak budeš mít zajištěnu matici proti povolení? To zajištění vnějších kroužku dvěma šrouby bude fungovat, ale je to prasárna.
Uživatelský avatar
bobik
Příspěvky: 4556
Registrován: 11. 12. 2007, 7:48
Bydliště: Okres Klatovy

2. 3. 2008, 2:16

Teď už tomu rozumím, motor má hřídel v palcích. Jak odporné.
Uživatelský avatar
bobik
Příspěvky: 4556
Registrován: 11. 12. 2007, 7:48
Bydliště: Okres Klatovy

2. 3. 2008, 2:28

To je běžné, že krokáče mají hřídel v palcích? Jinak souhlasím s Mad_Boxem, že díra pro ložiska by se měla udělat na jedno upnutí. Když dáš místo toho vymezení mezi ložisky kroužek, pak díru můžeš udělat buď průchozí v rámci tvého řešení, nebo ji osadit na kraji, aby se o osazení opřel kroužek ložiska a pak obě ložiska stáhneš jen dvěma šrouby.
Mad_BOXs
Příspěvky: 1420
Registrován: 14. 1. 2008, 4:30
Bydliště: Dvůr Kálové n.Labem

2. 3. 2008, 2:34

Pokud tam dá dvě ložiska s kosoůhlým stykem tak mu na sevření těch dvou ložisek stačí jen ta středová matice, ale v domku musí mít ten zápich pro segerovku. Ale má to další ale.Ty ložiska nemají krytí ( už z principu činnosti), takže to znamená další komplikaci v podobě vsazení gufera z obou stran.Takže radějii oželet ty kosoůhlé ložiska a dát tam jednoduché, i za cenu minimálních axiálních vůlí.
Uživatelský avatar
bobik
Příspěvky: 4556
Registrován: 11. 12. 2007, 7:48
Bydliště: Okres Klatovy

2. 3. 2008, 2:43

Vidíš a já myslel, že u NC nejsou vůle vůbec povoleny. Že to tam musí běhat na předepnutých komponentech.
Odpovědět

Zpět na „Zacinam stavet a nevim jak na to“