Habegger-Neotor 2/73 W20RG nebo JH 102 nebo něco takového
Aktualizované prodrátování (hlavně pro mé zapomnětlivé budoucí já
):
T.
T.
- Přílohy
-
- wiring2022-12.sch.zip
- (82.58 KiB) Staženo 210 x
mimooborová naplavenina • kolowratský zázrak™ • NPS • GCU • HirthCalc • ncDP.ino
mimooborová naplavenina • kolowratský zázrak™ • NPS • GCU • HirthCalc • ncDP.ino
Přenesu to sem, ať víc neplevelím fotovlákno detailní diskuzí:
Funguje to, holé {myšleno bez izolace) dráty nikde nekoukají, izolace vesměs dvojitá (alespoň na běžně přístupných místech), jištěné to je, možná to shodí víc než by muselo.

Myslel jsem, že zásuvky a vypínače v krabicích pro povrchovou montáž se na dřevo montovat můžou.

Dík, T.
Je to takový kompromis, řekl bych
Také chápu, já jsem za revizi rád
Laněné vodiče jsou až za zásuvkou.
Myslel jsem, že zásuvky a vypínače v krabicích pro povrchovou montáž se na dřevo montovat můžou.
Pokud to neznamená, že budu muset překopat tu krabici celou, tak paráda
Dík, T.
mimooborová naplavenina • kolowratský zázrak™ • NPS • GCU • HirthCalc • ncDP.ino
Opět jsem si upravil dvě tumlikovi tabulky pro tisk na A4, mám povoleno sdílet.Thomeeque píše: ↑10. 10. 2022, 4:56 Doplněk k tachometru, mám povoleno sdílet
Doporučené řezné podmínky soustružnických nožů.pdf
T.
mimooborová naplavenina • kolowratský zázrak™ • NPS • GCU • HirthCalc • ncDP.ino
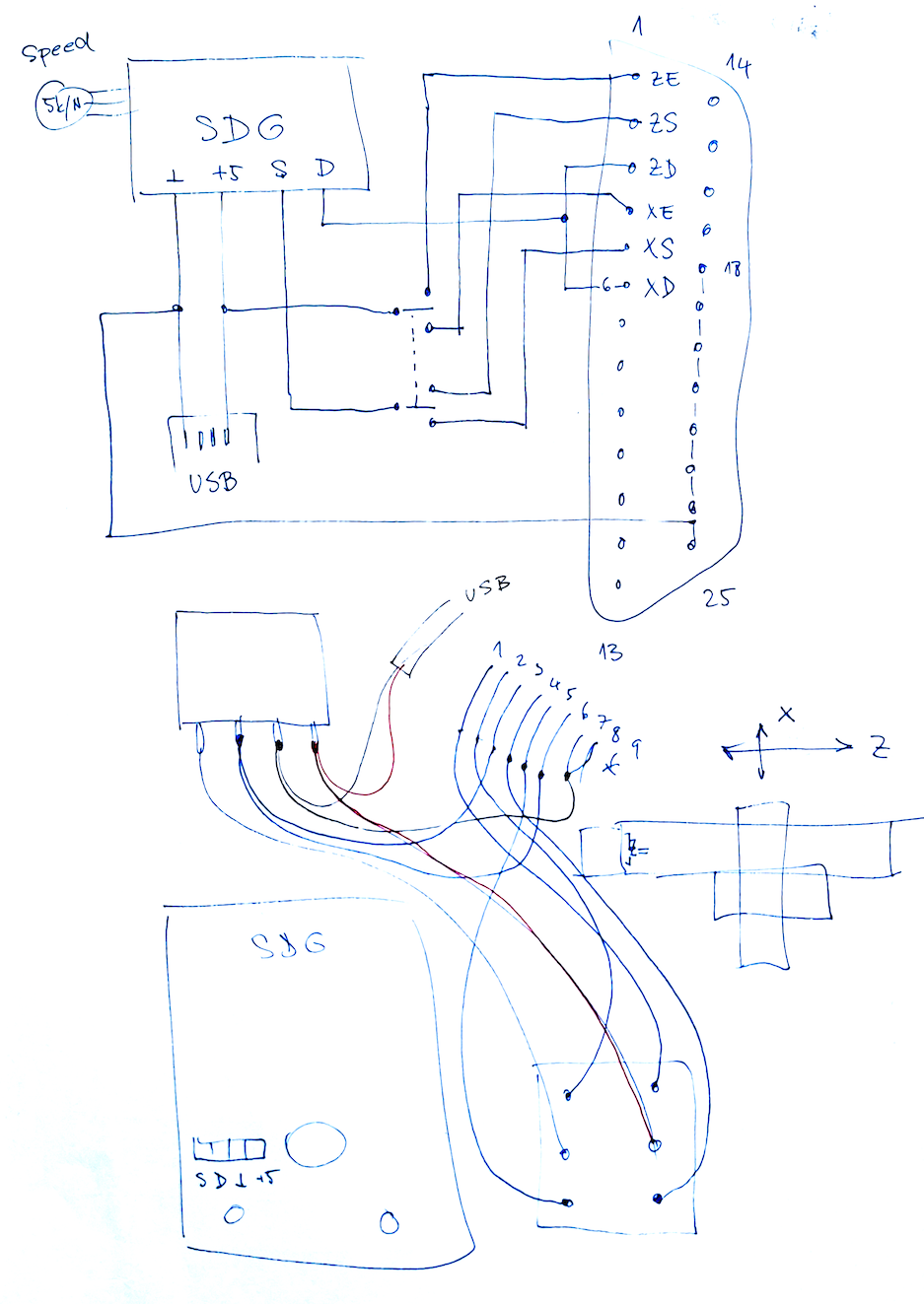
Rychlé step-dir dráždidlo (dočasná náhrada odešlého řídícího PC):


SDG4046 v2
https://www.youtube.com/shorts/qCHJli1mzVQ
SDG4046 v2
https://www.youtube.com/shorts/qCHJli1mzVQ
mimooborová naplavenina • kolowratský zázrak™ • NPS • GCU • HirthCalc • ncDP.ino