SUF16CNC přestavba el-tek
- robokop
- Site Admin
- Příspěvky: 23203
- Registrován: 10. 7. 2006, 12:12
- Bydliště: Praha
- Kontaktovat uživatele:
Neni to uplne snadne trefit a neni na to jednoduchy klic. V kazdem pripade me se to vetsinou vyplatilo. A tech nepovedenych nakupu jsem mel opravdu jen par. Usetril jsem tak opravdu hodne penez. To co jsem tratil je fakt minimalni.
Vsechna prava na chyby vyhrazena (E)
Pokud čtu dobře, tak označení krokače je sx23-3020pg.
https://www.google.com/url?sa=t&source= ... m44D_L_iri
Dle dokumentace je to 3A motor. Kolegovi pomohu v tom rozchodit Mesu 7i96.
Pokud nebude chtit alliexpres, co byste mu doporucili za driver od Gravosu?
https://www.gravos.cz/2fdrv.htm
Tyhle drivery byly na soustruhu Numco KC6, ktery jsem delal a fungovalo to na první zapojení.
https://www.google.com/url?sa=t&source= ... m44D_L_iri
Dle dokumentace je to 3A motor. Kolegovi pomohu v tom rozchodit Mesu 7i96.
Pokud nebude chtit alliexpres, co byste mu doporucili za driver od Gravosu?
https://www.gravos.cz/2fdrv.htm
Tyhle drivery byly na soustruhu Numco KC6, ktery jsem delal a fungovalo to na první zapojení.
LinuxCNC - MESA 7i96
zz912.webnode.cz
zz912.webnode.cz
-
josef.polasek
- Příspěvky: 65
- Registrován: 13. 8. 2022, 11:23
Čas pokročil a podařilo se mi shromáždit Mesu 7i96S a drivery.
Takže momentálně mám možnost zapojit to s Linux CNC jen bych potřeboval radu jak to zapojit a nastavit.
Mám tam tyto díly:
Vřeteno:
- motor Siemens 1,1kw 2840 ot.
- Frekvenční měnič TECO 7300 CV
- encoder IRC 120/2500
Osy:
- motory Microcon sx23-3020pg
- drivery DM556, nebo původní drivery Microcon
- zdroj PS35 47VDC, 3A
Ovládací karta:
- Mesa 7I96S
- zdroj ??? jaký koupit?
Takže momentálně mám možnost zapojit to s Linux CNC jen bych potřeboval radu jak to zapojit a nastavit.
Mám tam tyto díly:
Vřeteno:
- motor Siemens 1,1kw 2840 ot.
- Frekvenční měnič TECO 7300 CV
- encoder IRC 120/2500
Osy:
- motory Microcon sx23-3020pg
- drivery DM556, nebo původní drivery Microcon
- zdroj PS35 47VDC, 3A
Ovládací karta:
- Mesa 7I96S
- zdroj ??? jaký koupit?
-
josef.polasek
- Příspěvky: 65
- Registrován: 13. 8. 2022, 11:23
Čas pokročil a podařilo se mi shromáždit Mesu 7i96S a drivery.
Takže momentálně mám možnost zapojit to s Linux CNC jen bych potřeboval radu jak to zapojit a nastavit.
Mám tam tyto díly:
Vřeteno:
- motor Siemens 1,1kw 2840 ot.
- Frekvenční měnič TECO 7300 CV
- encoder IRC 120/2500
Osy:
- motory Microcon sx23-3020pg
- drivery DM556, nebo původní drivery Microcon
- zdroj PS35 47VDC, 3A
Ovládací karta:
- Mesa 7I96S
- zdroj ??? jaký koupit?
Takže momentálně mám možnost zapojit to s Linux CNC jen bych potřeboval radu jak to zapojit a nastavit.
Mám tam tyto díly:
Vřeteno:
- motor Siemens 1,1kw 2840 ot.
- Frekvenční měnič TECO 7300 CV
- encoder IRC 120/2500
Osy:
- motory Microcon sx23-3020pg
- drivery DM556, nebo původní drivery Microcon
- zdroj PS35 47VDC, 3A
Ovládací karta:
- Mesa 7I96S
- zdroj ??? jaký koupit?
Na mesu si kup tohle:
https://dratek.cz/arduino/1765-spinany- ... -ZEALw_wcB
S měkými zdroji mam spatne zkusenosti.
10x si zkontroluj jestli mas plus na plus a minus na minus, jinak Ti z toho nejvetsiho integrace vyleti ten duch co ho řídí.
https://dratek.cz/arduino/1765-spinany- ... -ZEALw_wcB
S měkými zdroji mam spatne zkusenosti.
10x si zkontroluj jestli mas plus na plus a minus na minus, jinak Ti z toho nejvetsiho integrace vyleti ten duch co ho řídí.
LinuxCNC - MESA 7i96
zz912.webnode.cz
zz912.webnode.cz
-
josef.polasek
- Příspěvky: 65
- Registrován: 13. 8. 2022, 11:23
ok objednám tenhle.
Teď tedy ještě jak to celé zapojit a nastavit. Nějak mě ty anglické manuály zamotali hlavu.
Motor do driveru asi zvládnu, ale jak dál nevím
Teď tedy ještě jak to celé zapojit a nastavit. Nějak mě ty anglické manuály zamotali hlavu.
Motor do driveru asi zvládnu, ale jak dál nevím
-
josef.polasek
- Příspěvky: 65
- Registrován: 13. 8. 2022, 11:23
Možná jsem špatně formuloval otázku.
U manuálu driveru jsem našel dva druhy zapojení, který z nich zvolit?
Další otázka, kolik ampér nastavit na driveru ke krokovému motoru microcon sx23 3020pg, který je 3A?
Kolik mikrokroků nastavit na driveru?
Jak připojit k mesa kartě encoder IRC 120/2500?
Jak připojit k Mesa kartě endstopy?
A poslední otázka jak připojit k Mesa kartě frekvenční měnič?
Zhruba asi tuším jak to zapojit, ale byl bych vděčný za řadu od někoho zkušenějšího.
Děkuji.
U manuálu driveru jsem našel dva druhy zapojení, který z nich zvolit?
Další otázka, kolik ampér nastavit na driveru ke krokovému motoru microcon sx23 3020pg, který je 3A?
Kolik mikrokroků nastavit na driveru?
Jak připojit k mesa kartě encoder IRC 120/2500?
Jak připojit k Mesa kartě endstopy?
A poslední otázka jak připojit k Mesa kartě frekvenční měnič?
Zhruba asi tuším jak to zapojit, ale byl bych vděčný za řadu od někoho zkušenějšího.
Děkuji.
Drivery zapoj dle prvního obrázku. (Společná zem)U manuálu driveru jsem našel dva druhy zapojení, který z nich zvolit?
Začni s 1A a pořád kontroluj teplotu motorů. Postupně přdávej. Teplota krokáčů by měla být do cca 50°C. Ideálně zjiisti jak byl nastaven původní driver a nastav to stejně.Další otázka, kolik ampér nastavit na driveru ke krokovému motoru microcon sx23 3020pg, který je 3A?
Pro první výkop Microstep = 8, až si o této problematice nastuduješ víc, tak si to jednoduše změníš.Kolik mikrokroků nastavit na driveru?
Hoď sem nějaké podklady k IRC 120/2500.Jak připojit k mesa kartě encoder IRC 120/2500?
Mrkni sem:Jak připojit k Mesa kartě endstopy?
https://zz912.webnode.cz/zapojeni/
Nakresli na papír jak je to zapojeno teď. Z toho bych asi vyšel.A poslední otázka jak připojit k Mesa kartě frekvenční měnič?
LinuxCNC - MESA 7i96
zz912.webnode.cz
zz912.webnode.cz
-
josef.polasek
- Příspěvky: 65
- Registrován: 13. 8. 2022, 11:23
Děkuji.
Co se týká encoderu, tak jsem nenašel na internetu skoro nic, jediná věc, co jsem našel je toto. K frekvenčnímu měniči mám toto.
Co se týká původního zapojení tak se to nedá určit, protože jak encoder, tak měnič byl napojen přímo do konektoru sériového portu a bylo řízeno kartou v pc, který nemám.
Co se týká encoderu, tak jsem nenašel na internetu skoro nic, jediná věc, co jsem našel je toto. K frekvenčnímu měniči mám toto.
Co se týká původního zapojení tak se to nedá určit, protože jak encoder, tak měnič byl napojen přímo do konektoru sériového portu a bylo řízeno kartou v pc, který nemám.
Co se tyce toho encoderu, tak to, co je na tom katalogovym listu, je vse co potrebujes.
Je na tom encoderu, nebo dratech popsano co je co?
Melo by tam byt:
1
1 non
2
2 non
3
3 non
a nejake oznaceni napajeni.
Co se tyce toho menice, pomohlo by nam vedet jake svorky na svorkovnici jsou zapojene.
Je na tom encoderu, nebo dratech popsano co je co?
Melo by tam byt:
1
1 non
2
2 non
3
3 non
a nejake oznaceni napajeni.
Co se tyce toho menice, pomohlo by nam vedet jake svorky na svorkovnici jsou zapojene.
LinuxCNC - MESA 7i96
zz912.webnode.cz
zz912.webnode.cz
-
josef.polasek
- Příspěvky: 65
- Registrován: 13. 8. 2022, 11:23
Frekvenční měnič je zapojen viz foto.
Encoder má na drátech pouze čísla 213, 159, 140 a pak bílá a modrá bužírka bez popisu.
V konektoru jsou písmena a šipky.
Encoder má na drátech pouze čísla 213, 159, 140 a pak bílá a modrá bužírka bez popisu.
V konektoru jsou písmena a šipky.
-
josef.polasek
- Příspěvky: 65
- Registrován: 13. 8. 2022, 11:23
Takže zapojení encoderu už asi vím. Je to takto správně?
Mesa TB2 - IRC
7 - V
8 - B
9 - E, Ž
10 - G
11 - D
12 - A, Z
13 - K
14 - I
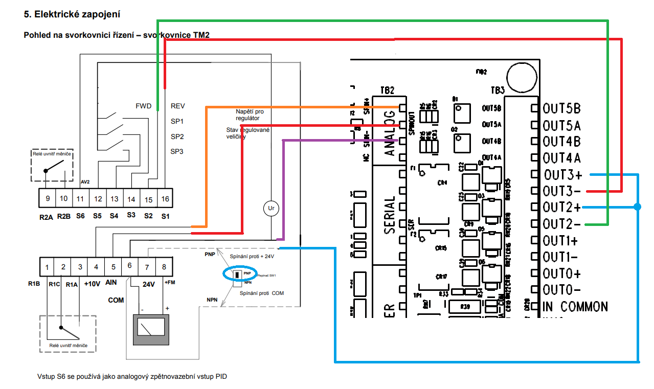
S čím si ale nevím rady je zapojení a nastavení frekvenčního měniče.
Dokáže někdo poradit?
Děkuji
Mesa TB2 - IRC
7 - V
8 - B
9 - E, Ž
10 - G
11 - D
12 - A, Z
13 - K
14 - I
S čím si ale nevím rady je zapojení a nastavení frekvenčního měniče.
Dokáže někdo poradit?
Děkuji
Já bych to zapojil stejně. Zkusil bych změřit, kolik žere ta žárovička a pokud bude žrát hodně, tak bych ji zbytečně netahal přes Mesu a napojil ji na zdroj 5V přímo. Ovšem je to jen teorie, možná se zdejší praktici nad tímto pousmějí, ale nic tím nepokazíš.josef.polasek píše: ↑17. 8. 2023, 8:46 Takže zapojení encoderu už asi vím. Je to takto správně?
Mesa TB2 - IRC
7 - V
8 - B
9 - E, Ž
10 - G
11 - D
12 - A, Z
13 - K
14 - I
Měnič bych zapojil takto:
LinuxCNC - MESA 7i96
zz912.webnode.cz
zz912.webnode.cz