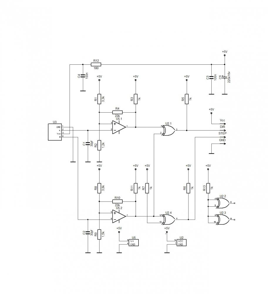
Náhrada výměnných kol posuvu za krokový motor s elektronikou
Noo u mne je stav setrvalý - nedostatek času a tak jsem se prozatím dostal pouze ke kompletaci všeho potřebného HW dle schématek z původního ruského projektu zminěného na začátku vlákna:
Předesílám, že toto jsou pouze sesbírané podklady z původního projektu, ale pokud má někdo chuť a více času může se do toho pustit 
U cinana vidim problem v tom ze ma elektronicky riadeny motor a muselo by sa zabezpecit nastavenie presnych otacok pre pouzitie tohto systemu,lebo rus ta ma asi asynchrony motor. Okrem toho je nutne take rozlisenie? Uvazoval som o systeme s jednou znackou na vretene. Zapnem vreteno pri prechode znacky okolo snimaca sa spusti krokac a vykonava posun noza podla zvoleneho stupania pri prejdeni ziadanej vzdialenosti zastane, odidem nozom zo zavitu, krokac sa vrati do vychodej polohy vie kolko krokov urobil nastavim zaber noza, vreteno sa toci a ak sa zosnima prechod znacky znova sa sa spusti krokac pre posun. Za predpokladu ze otacky budu stabilne malo by to chodit. Co vy na to?
Ja si zatím hraju pouze s Arduino UNO a jednou osou, ale autor to udělal nově pro obě osy
viz. tady a více info o jeho komplet projektu Electronic lead screw - ELS a tady všechny verze SW ke stažení, pokud v tom ještě také někdo jedete, nebo o tom teprve uvažujete 
Při soukromé konzultaci tohoto vlákna jsem došel na to, že odkaz na zdrojáky uveden výše není funkční.
Pro zájemce doporučuji jít přes stránku
http://www.chipmaker.ru/files/file/9787/" onclick="window.open(this.href);return false;
a kliknout na zelené tlačítko hned vpravo vedle titulku.
Jinak čekám, že se všichni tady pochlubíte že jste rychlejší v realizaci
Pro zájemce doporučuji jít přes stránku
http://www.chipmaker.ru/files/file/9787/" onclick="window.open(this.href);return false;
a kliknout na zelené tlačítko hned vpravo vedle titulku.
Jinak čekám, že se všichni tady pochlubíte že jste rychlejší v realizaci
Převod do rychla?atlan píše:Kedze to mam na papiery pred sebou. Na zavit 0,35 treba 46krokov motora co je velmi vela,takze to mozno sprevodujem do rychla. Snad som sa nesekol niekde vo vypocte. Uvidime v praxi ako sa to bude chovat.
Při jakých otáčkách vřetene chceš ty závity řezat?
Závitová tyč na soustruhu bude mít stoupání tak 1-2mm, takže pokud budeš řezat závit se stoupáním 0.35mm, tak krokáč bude točit cca 3x méně než vřeteno. Pokud uvažujeme velmi pohodovou rychlost otáčení krokáče 600 RPM, tak ten závit můžeš řezat při otáčkách vřetene 1800 RPM.
To je ti málo?
to budeš sypat kroky rychlostí 2MHz?
moje drivery umí 4MHz tedy čistě teoreticky by to mělo umět udělat krok za polovinu tvé doby.. prakticky to jezdí cca 10x pomaleji
moje drivery umí 4MHz tedy čistě teoreticky by to mělo umět udělat krok za polovinu tvé doby.. prakticky to jezdí cca 10x pomaleji
věčný rýpal,který musí mít poslední slovo, odpůrce low-cost zařízení končících v naprosté většině případů v hromadě šrotu
uživatelé hýbátek, kteří mají z mých příspěvků celoživotní trauma nechť si mé příspěvky VYPNOU
uživatelé hýbátek, kteří mají z mých příspěvků celoživotní trauma nechť si mé příspěvky VYPNOU
Tak som si kupil troska vecsiu hracku. Kde sa bude lepsie implementovat automaticke rezanie zavitou ocakavam ze to vojde vsetko pod kryt a nic nebude trcat, ano krokac co mam sa tam nevojde, takze asi dam kratsi motor a remenvy prevod. Mam objednany 2000 impulzovy encoder tak uvidime. Momentalne potrebujem troska premerat sustruh aby som vedel ci odchylky z protokolu sedia.
Niekto uz nejako pokrocil ?
Niekto uz nejako pokrocil ?