Zavitova tyc a matice

curly.cz
Příspěvky: 31
Registrován: 17. 11. 2008, 10:02
Bydliště: Praha

17. 11. 2008, 11:14

Hodlam si postavit CNC rezacku. Konstrukce bude z MDF na pojezdech ze supliku. Krokace mam ze starych jehlicek. Jsou to nekolikrat zde zminovane Sanyo denki. Elektroniku a drivery si udelam sam, na netu je aplikaci dost. Jedinou veci u ktere zatim proadne nevim je nahon. Krokovy motor by mel nahanet zavitouvou tyc o prumeru 6mm. Ale jak vyresit pojezd? Muzu pouzit normalni matici privarenou ke konzole a prisroubovanou k pojezdu? Nebo je treba pouzit bezvulovou matku? Podotykam, ze aplikace CNC rezacky bude hobby a rezat se bude PPS, EPP, Ext PPS. Tudiz presnost nemusi byt mensi jak 0,1 mm
PetrNC
Sponzor fora
Příspěvky: 423
Registrován: 19. 6. 2007, 7:32
Bydliště: Náchodsko

17. 11. 2008, 1:31

Kolik do toho hodláš investovat ? Stačí prohledat fórum, nápadů je tady skutečně dost. Jde o to, že když použiješ trapézový závit, tak si matici můžeš odlít z epoxidu a ta je už poměrně přesná, v uvedené vůli naprosto vyhovující. Postup zde na fóru byl již také publikovám.
curly.cz
Příspěvky: 31
Registrován: 17. 11. 2008, 10:02
Bydliště: Praha

17. 11. 2008, 1:54

No snazim se drzet naklady na minumum, ale nebudu se hadat kvuli par stovkam a nadelat si tak problemy. S technologi a praci s epoxidem jsem velmi dobre obeznamen z modelariny. Diky za radu, kouknu zde na forum. Velikost vodici tyce by byla M6, kde a zakolik se da sehnat trapezova tycka. Na netu jsem par veci nasel, ale skoro nikde nebyly uvedeny ceny
Uživatelský avatar
Bob
Příspěvky: 701
Registrován: 5. 10. 2007, 12:02
Bydliště: Slavkov u Brna
Kontaktovat uživatele:

17. 11. 2008, 2:25

Podívej se do místního vyhledávače, na odkaz TR šroub je 89 příspěvků. :lol: Bob
curly.cz
Příspěvky: 31
Registrován: 17. 11. 2008, 10:02
Bydliště: Praha

17. 11. 2008, 3:04

No uz jsem se neceho i dohledal...je to hnedle zajimavejsi :D ale co me desi je velikost tech trapezu. zacinaji na D 10mm, coz mi pro moji aplikaci pripadne prilis masivni a tezke a pravdepodobne to zkomplikuje celou konstrukci. At mistni uzivatel Wolf, od ktereho jsem videl jeho CNC rezacku u Dana, tak mnoho aplikaci na internetu pouziva prave M6 zavitove tyce. Nemam holt tak velke vyrobni zazemi abych si mohl upravit konce tech trapezaku pro spojku s motorem atd...
Uživatelský avatar
wolf
Příspěvky: 244
Registrován: 4. 11. 2006, 4:23
Bydliště: Březí u Mikulova

17. 11. 2008, 4:37

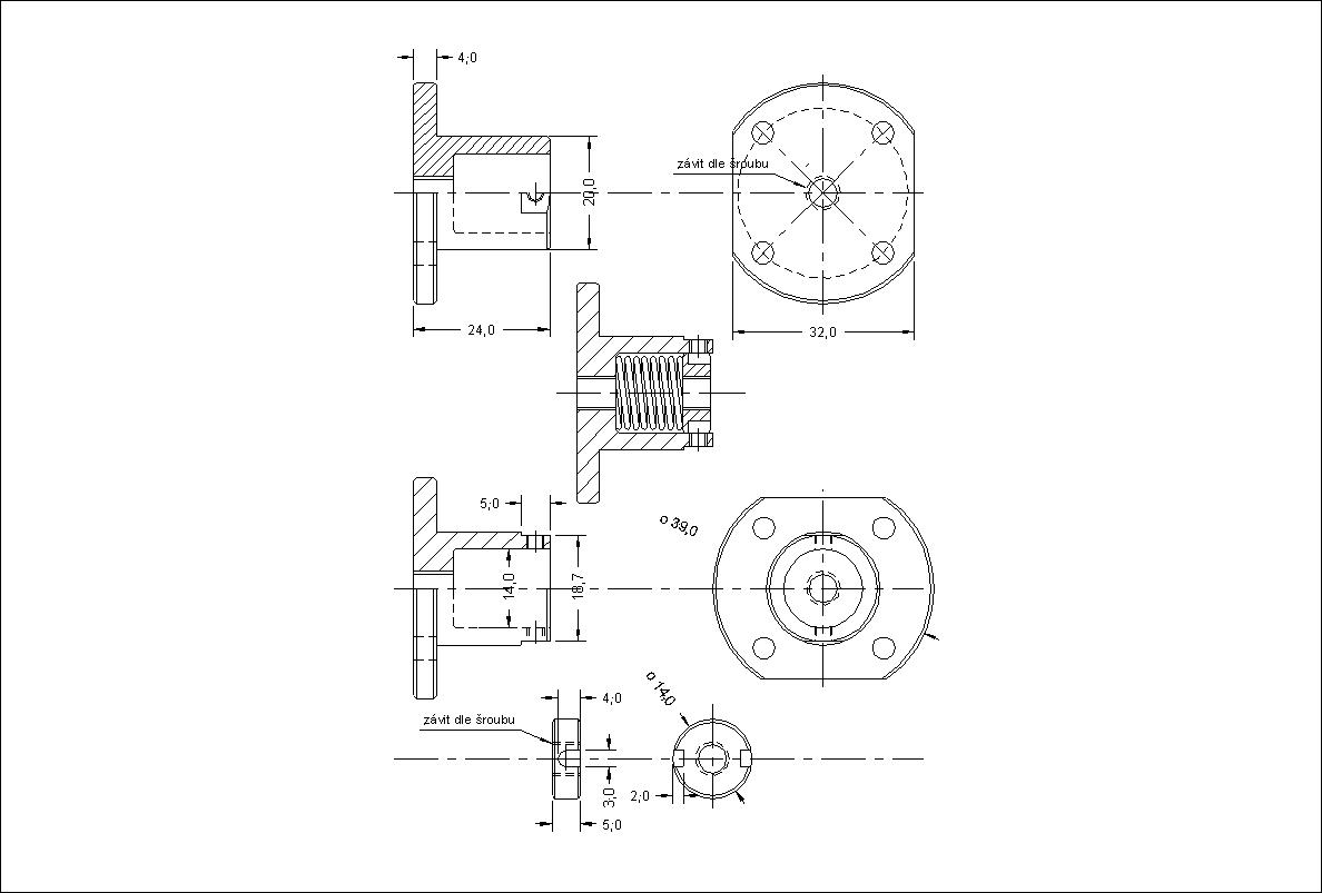
V příloze zasílám náčrtek bezvůlových matic M6, které jsem použil na své řezačce. Třeba se to bude hodit. Vím, že to jde udělat i jednodušeji...
Dále nářezový plán mnou použité konstrukce(MDF)
Přílohy
BM1.jpg
BM2.jpg
BM3.jpg
BM4.jpg
Náčrtek BM
Náčrtek BM
Nářezový plán
Nářezový plán
wolf
Uživatelský avatar
ferguson
Příspěvky: 461
Registrován: 20. 8. 2008, 7:51
Bydliště: Žilina

17. 11. 2008, 4:58

ako silna by mala byt ta pruzina? (ja mam M12)
Uživatelský avatar
wolf
Příspěvky: 244
Registrován: 4. 11. 2006, 4:23
Bydliště: Březí u Mikulova

17. 11. 2008, 5:23

Nevím, nutno vyzkoušet. Ale silná moc ne, matice musí chodit na šroubu volně a přitom musí pružina spolehlivě udržet matice rozepřené při změně směru točení šroubu. Protože jde pouze o vymezení vůle matice v axiálním směru, a ta je minimální, doporučuji raději pro takto nízký zdvih jemné stoupání pružiny. Nezapomeňte taky na odpor maziva naplněného v matici.
Já jsem použil pružinový drát o průměru 0.5mm pro závit M6.
wolf
curly.cz
Příspěvky: 31
Registrován: 17. 11. 2008, 10:02
Bydliště: Praha

17. 11. 2008, 6:32

jj, zde jsem se inspiroval, ale nejvice mi stejne dala wolfova rezecka na vlastni oci. Ale v te dobe jsem si hlupak neuvodomoval takove detaily jako ty matice atd ;)
Mad_BOXs
Příspěvky: 1420
Registrován: 14. 1. 2008, 4:30
Bydliště: Dvůr Kálové n.Labem

17. 11. 2008, 6:41

Na řezačku polyst. jsou takové matice zbytečnost a navíc na M6. Když se podíváš jakej tam je propal, který se se spomalováním řezu zvětšuje, tak nějaké předepětí ani nepoznáš jestli tam je. Pokud budeš mít závitovou vůli 0.5mm, tak na to ani nepříjdeš a pokud bude vlivem opotřebení ještě větší, tak už ti projde závit naprázdno. Je to zbytečná komplikace. navíc pokud bude ta pružina měkká tak ti ani to předepětí nebude moc fungovat. Makala mi doma 3 roky na M6 zavitových tyčích a v pohodě. Ještě jsem to nedávno prodal a že se namakala docela dost. Na svislé ose se to vymezí vlastní vahou a na horizont. ose je to zanedbatelné.
bednar.dk@seznam.cz
SolidWorks 2011
Zakázková výroba jednoúčelových strojů
konstrukce strojů, automatizace,
http://www.indops.cz" onclick="window.open(this.href);return false;
curly.cz
Příspěvky: 31
Registrován: 17. 11. 2008, 10:02
Bydliště: Praha

17. 11. 2008, 6:49

Mad_BOXs píše:Na řezačku polyst. jsou takové matice zbytečnost a navíc na M6. Když se podíváš jakej tam je propal, který se se spomalováním řezu zvětšuje, tak nějaké předepětí ani nepoznáš jestli tam je. Pokud budeš mít závitovou vůli 0.5mm, tak na to ani nepříjdeš a pokud bude vlivem opotřebení ještě větší, tak už ti projde závit naprázdno. Je to zbytečná komplikace. navíc pokud bude ta pružina měkká tak ti ani to předepětí nebude moc fungovat. Makala mi doma 3 roky na M6 zavitových tyčích a v pohodě. Ještě jsem to nedávno prodal a že se namakala docela dost. Na svislé ose se to vymezí vlastní vahou a na horizont. ose je to zanedbatelné.
Osobne se mi libil napad si ty matice odlit z epoxu. Slo by to provest i na normalni M6 zavitovce?
Josef
Sponzor fora
Příspěvky: 5682
Registrován: 19. 11. 2006, 9:25
Bydliště: Valašsko

17. 11. 2008, 6:58

Všechno jde, jenom chcíplá koza ne. Jen se obávám, že na té závitovce M6 bude poměrně značný rozdíl ve stoupání a tudíž matice bude někde volná, jinde "na fest". I trapézové závitovky trpí tímto neduhem, alespoň od některých dodavatelů.
rawen
Sponzor fora
Příspěvky: 1586
Registrován: 15. 3. 2008, 12:22
Bydliště: Prostějov

17. 11. 2008, 7:03

Na M6 se dají sehnat plastové (vysocepolymerové nebo jak se to jmenuje) matice jako náhradní díl k frézce Proxxon MF70, a to levé i pravé. Kupoval jsem je od http://www.rf-technik.cz po 70Kč.

Radek
soustruh Bernardo 500, frézka Proxxon
(CNC Tron, CNC Proxxon MF70)
curly.cz
Příspěvky: 31
Registrován: 17. 11. 2008, 10:02
Bydliště: Praha

17. 11. 2008, 7:04

Josef píše:Všechno jde, jenom chcíplá koza ne. Jen se obávám, že na té závitovce M6 bude poměrně značný rozdíl ve stoupání a tudíž matice bude někde volná, jinde "na fest". I trapézové závitovky trpí tímto neduhem, alespoň od některých dodavatelů.
Opet podotykam, ze budu resit rezacku polystyrenu, ne CNC frezu. Videl jsem pouzitou M6 a fungovalo to naprosto spolehlive...alespon na ucel, jaky ja potrebuju. proto mi pripadnou trapezy 10-12mm pomerne zbytecne masivni
Odpovědět

Zpět na „Zacinam stavet a nevim jak na to“