URAWA UT12 30000ot/min
Tak jsem vydražil úplně nové japonské vřeteno s rychloupínáním URAWA UT12 .Tak plánuju k němu přilepit  
 tedy přišroubovat přes spojku šestipolový stříďák  37V max3000W jen mě trochu trápí čím napájet regulátor když píšou max proud 81A.
							
			
									
									http://www.rm-reznicek.cz" onclick="window.open(this.href);return false;
						Toho bych se nebál, na 3Kw ho asi nezatížíš.
Spíš bych ale volil ten motor na větší napětí a pak bude mít taky nižší proud na prázdno.
			
									
									Spíš bych ale volil ten motor na větší napětí a pak bude mít taky nižší proud na prázdno.
XpertMill, Gravos, Ninos, Galaad
IQ156
-1500Kč, -520Kč, -1čokoláda, - 28000Kč
www.freeair.cz www.rotexelectric.eu www.retrofitcnc.cz
						IQ156
-1500Kč, -520Kč, -1čokoláda, - 28000Kč
www.freeair.cz www.rotexelectric.eu www.retrofitcnc.cz
To je nevyšší napětí co dělaj.
			
									
									http://www.rm-reznicek.cz" onclick="window.open(this.href);return false;
						Parametry toho motoru jsou
Item: SK-400010-08
KV (RPM/VOLT): 1350
Watts: 3000
Max Voltage: 37V
Max Current: 81A
Internal Resistance: 0.0124Ω
Max RPM: 50000
Poles: 6
Turns: 9T
Weight: 445g
Uměl by tu někdo říct, zda by takový motor byl spolehlivě uregulovatelný něčím takto primitivním (z hlediska zapojení):

a jaké FETy by byly vhodné?
Předpokládané napájení je 24V (~ 53A ~ 1300W). Zda má konkrétně motor SK-400010-08 zabudované senzory nebo nemá, plz neřešte.
Dík, T.
			
									
									Item: SK-400010-08
KV (RPM/VOLT): 1350
Watts: 3000
Max Voltage: 37V
Max Current: 81A
Internal Resistance: 0.0124Ω
Max RPM: 50000
Poles: 6
Turns: 9T
Weight: 445g
Uměl by tu někdo říct, zda by takový motor byl spolehlivě uregulovatelný něčím takto primitivním (z hlediska zapojení):

a jaké FETy by byly vhodné?
Předpokládané napájení je 24V (~ 53A ~ 1300W). Zda má konkrétně motor SK-400010-08 zabudované senzory nebo nemá, plz neřešte.
Dík, T.
mimooborová naplavenina • kolowratský zázrak™ • NPS • GCU • HirthCalc • ncDP.ino
						Takao tam má i verzi bez senzorů tak si jí najdi ( i když píšeš neřešit tak to je dost zásadní pro řízení).
Pokud si regulaci chceš udělat ( počítej s tím že koupená bude výrazně lacinější) tak bych tam rozhodně přidal čtení proudu a inspiroval se spíše řešením od Veddera který používá docela zajímavý obvod s DRV8301. Má to svoje mouchy ( Takao to dost řešil) a podle mě je asi lepší použít analogové čtení proudu než se spoléhat na ten drv8301.
To čtení proudu má mnoho výhod pro řízení ale to do tohodle vlákna už nějak nepatří.
			
									
									Pokud si regulaci chceš udělat ( počítej s tím že koupená bude výrazně lacinější) tak bych tam rozhodně přidal čtení proudu a inspiroval se spíše řešením od Veddera který používá docela zajímavý obvod s DRV8301. Má to svoje mouchy ( Takao to dost řešil) a podle mě je asi lepší použít analogové čtení proudu než se spoléhat na ten drv8301.
To čtení proudu má mnoho výhod pro řízení ale to do tohodle vlákna už nějak nepatří.
XpertMill, Gravos, Ninos, Galaad
IQ156
-1500Kč, -520Kč, -1čokoláda, - 28000Kč
www.freeair.cz www.rotexelectric.eu www.retrofitcnc.cz
						IQ156
-1500Kč, -520Kč, -1čokoláda, - 28000Kč
www.freeair.cz www.rotexelectric.eu www.retrofitcnc.cz
Patří 
 Dík.
			
													DRV8301/DRV8302 sense signály jen zesiluje a posouvá, stále jdou ven analogově, jestli to správně chápu.lubos píše:podle mě je asi lepší použít analogové čtení proudu než se spoléhat na ten drv8301.
					Naposledy upravil(a) Thomeeque dne 24. 2. 2017, 7:22, celkem upraveno 2 x.
									
			
									mimooborová naplavenina • kolowratský zázrak™ • NPS • GCU • HirthCalc • ncDP.ino
						Jestli se tím chceš zabývat tak.
Zásadní pro řízení bldc motorů bez halovek je jejich rozběh.
99% reglu ( pro modeláře) to řeší tak že rozběch je v podstatě na slepo ( podobně jako u krokáče). Regl zkrátka na malou pwmku začne pouštět sekvenci pro běh a předpokládá že se motor roztočí ( zpravidla několik elektrických otoček) a následně použije metodu kdy na fázi která neni aktivní čte napětí a pomocí děliče ve správnou chvíli přepne komutaci. Při nízký otáčká a rozběhu toto moc nefunguje protož je zkrátka generované napětí příliš malé ( toto je metoda zvaná Back-EMF Zero Crossing). Daleko lepší je použít pro určení polohy rotoru měření proudů. To má navíc výhodu možnosti sinusového , vektorového řízení a i dosažení nízkých otáček. Navíc díky HW nehrozí spálení regulátoru. Pokud běžný regulátor mechanicky zastavíš tak se zkrátka spálí ( případně přepálí vinutí motoru) pokud mu za běhu odpojíš jednu fázi taky většinou shoří.
Takao tuším ještě někde na foru popisoval jak využít inductive kick pro přesnější zjištění polohy pro komutaci při metodě zero crossing a nízkých otáčkách. Tak jako tak pokud budeš schopný do motoru pouštět i malý proud tak se dají dělat velký kouzla. Asi bych tu i našel nějaký fety nebo i starší regly na nějaké pokusy. Mám tu i komplet osazenou a oživenou desku od veddera ale nedostal jsem s k tomu to nějak použít ( osadil a oživil jeden z členů fora). Na pokus je dobrý si navinout motor tenkým drátem kdy nehrozí spálení regulátoru ( zkratový proud je v mezích kdy fet neukápne).
Navíc do toho vše hraje další roli časování ( předstih), to je věc která se u věšiny regulátorů dá nastavit a pro každá motor a zátěž je to potřeba trochu dolatit. Hlavně pro vícepolové motory . To jsou takové základní informace, přesněji by to popsal někdo kdo to třeba vyrábí. Je tam ještě plno dalších problémů, ale to by bylo na několik stránek.
			
									
									Zásadní pro řízení bldc motorů bez halovek je jejich rozběh.
99% reglu ( pro modeláře) to řeší tak že rozběch je v podstatě na slepo ( podobně jako u krokáče). Regl zkrátka na malou pwmku začne pouštět sekvenci pro běh a předpokládá že se motor roztočí ( zpravidla několik elektrických otoček) a následně použije metodu kdy na fázi která neni aktivní čte napětí a pomocí děliče ve správnou chvíli přepne komutaci. Při nízký otáčká a rozběhu toto moc nefunguje protož je zkrátka generované napětí příliš malé ( toto je metoda zvaná Back-EMF Zero Crossing). Daleko lepší je použít pro určení polohy rotoru měření proudů. To má navíc výhodu možnosti sinusového , vektorového řízení a i dosažení nízkých otáček. Navíc díky HW nehrozí spálení regulátoru. Pokud běžný regulátor mechanicky zastavíš tak se zkrátka spálí ( případně přepálí vinutí motoru) pokud mu za běhu odpojíš jednu fázi taky většinou shoří.
Takao tuším ještě někde na foru popisoval jak využít inductive kick pro přesnější zjištění polohy pro komutaci při metodě zero crossing a nízkých otáčkách. Tak jako tak pokud budeš schopný do motoru pouštět i malý proud tak se dají dělat velký kouzla. Asi bych tu i našel nějaký fety nebo i starší regly na nějaké pokusy. Mám tu i komplet osazenou a oživenou desku od veddera ale nedostal jsem s k tomu to nějak použít ( osadil a oživil jeden z členů fora). Na pokus je dobrý si navinout motor tenkým drátem kdy nehrozí spálení regulátoru ( zkratový proud je v mezích kdy fet neukápne).
Navíc do toho vše hraje další roli časování ( předstih), to je věc která se u věšiny regulátorů dá nastavit a pro každá motor a zátěž je to potřeba trochu dolatit. Hlavně pro vícepolové motory . To jsou takové základní informace, přesněji by to popsal někdo kdo to třeba vyrábí. Je tam ještě plno dalších problémů, ale to by bylo na několik stránek.
XpertMill, Gravos, Ninos, Galaad
IQ156
-1500Kč, -520Kč, -1čokoláda, - 28000Kč
www.freeair.cz www.rotexelectric.eu www.retrofitcnc.cz
						IQ156
-1500Kč, -520Kč, -1čokoláda, - 28000Kč
www.freeair.cz www.rotexelectric.eu www.retrofitcnc.cz
Opět díky! Jde o pohon té Urawy UT12 (1/8" nástroje), takže si myslím, že rozběh by stačilo řešit úplně primitivně a chování v nízkých otáčkách by nemělo být potřeba řešit vůbec. Spíš aby to jelo pěkně ve vysokých otáčkách a aby je to udrželo i při zátěži, příp. umělo hodit nějakou chybu a neshořet, pokud by se to točit nemohlo.
T.
			
									
									Jaký rozsah otáček a řezný "příkon" lze očekávati?fmodel píše:Tak jsem vydražil úplně nové japonské vřeteno s rychloupínáním URAWA UT12.
T.
mimooborová naplavenina • kolowratský zázrak™ • NPS • GCU • HirthCalc • ncDP.ino
						Rozsah tak  12000-30000 ot/min
tak do 700W
			
									
									tak do 700W
http://www.rm-reznicek.cz" onclick="window.open(this.href);return false;
						vím že to vlákno na rc groups je dlouhé ale problémů s drv je tam řešeno na více místech, idálně projít celé vlákno nebo alespon posledních 50 stránek, je to hondě poučné.
namátkou
https://www.rcgroups.com/forums/showthr ... perpage=10" onclick="window.open(this.href);return false;
Musíš hodně řešit při brždění kam mařit energii, dále brzdné odpory a další věci co by každý regulátor vřetene měl mít.
			
									
									namátkou
https://www.rcgroups.com/forums/showthr ... perpage=10" onclick="window.open(this.href);return false;
Musíš hodně řešit při brždění kam mařit energii, dále brzdné odpory a další věci co by každý regulátor vřetene měl mít.
XpertMill, Gravos, Ninos, Galaad
IQ156
-1500Kč, -520Kč, -1čokoláda, - 28000Kč
www.freeair.cz www.rotexelectric.eu www.retrofitcnc.cz
						IQ156
-1500Kč, -520Kč, -1čokoláda, - 28000Kč
www.freeair.cz www.rotexelectric.eu www.retrofitcnc.cz
pokud chceš mám tu regl od veddera který je oživený , případně součástky na další minimálně 2 kousky ( i tištáky)
			
									
									XpertMill, Gravos, Ninos, Galaad
IQ156
-1500Kč, -520Kč, -1čokoláda, - 28000Kč
www.freeair.cz www.rotexelectric.eu www.retrofitcnc.cz
						IQ156
-1500Kč, -520Kč, -1čokoláda, - 28000Kč
www.freeair.cz www.rotexelectric.eu www.retrofitcnc.cz
Ahoj, díky za posty a za nabídku (o víkendu jsem trochu vypnul, tak se ozývám až teď). Regly od Veddera máš které konkrétně? Vyvinul toho víc..
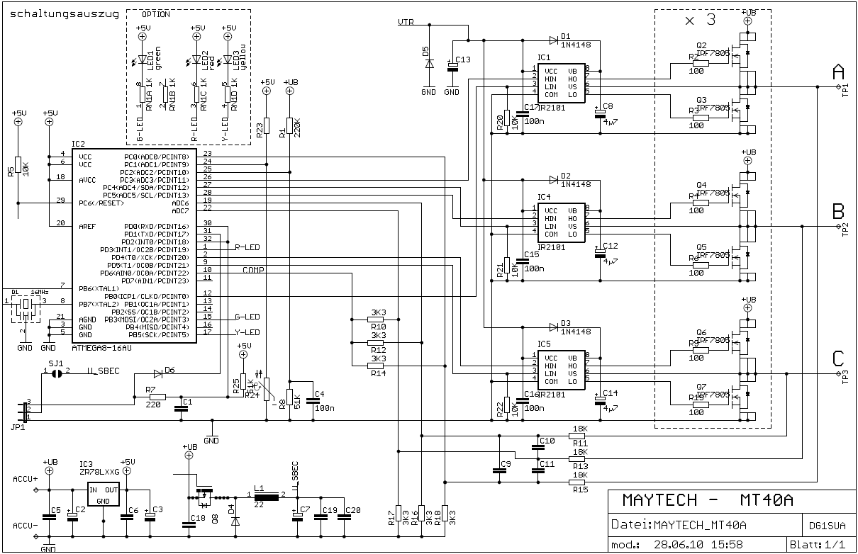
Asi se do stavby pouštět nebudu, zdá se, že u toho může člověk strávit mládí, přesto jsem ještě trochu hledal. Vzpomněl jsem si, že na mých Afro regulátorech zmiňovali nějaký firmware, tak jsem googlil a narazil na dvě repository s open-source firmware pro hardwareově poměrně jednoduché regulátory (pro bezsenzorové motory, skalární řízení) postavené kolem ATmega8, jsou tam i schemata, buzení FETů buď přímé nebo pomocí IR2101, což se dá koupit i v GME..
https://code.google.com/archive/p/wii-esc/" onclick="window.open(this.href);return false; ( https://github.com/dkaukov/wii-esc-doc" onclick="window.open(this.href);return false; )
https://github.com/sim-/tgy" onclick="window.open(this.href);return false;
T.
			
									
									Asi se do stavby pouštět nebudu, zdá se, že u toho může člověk strávit mládí, přesto jsem ještě trochu hledal. Vzpomněl jsem si, že na mých Afro regulátorech zmiňovali nějaký firmware, tak jsem googlil a narazil na dvě repository s open-source firmware pro hardwareově poměrně jednoduché regulátory (pro bezsenzorové motory, skalární řízení) postavené kolem ATmega8, jsou tam i schemata, buzení FETů buď přímé nebo pomocí IR2101, což se dá koupit i v GME..
https://code.google.com/archive/p/wii-esc/" onclick="window.open(this.href);return false; ( https://github.com/dkaukov/wii-esc-doc" onclick="window.open(this.href);return false; )
https://github.com/sim-/tgy" onclick="window.open(this.href);return false;
T.
mimooborová naplavenina • kolowratský zázrak™ • NPS • GCU • HirthCalc • ncDP.ino
						To mu na 99% nebude chodit.
Modelářské motory mají velice nízký odpor a s tím si normální driver neporadí.
Řešil jsem to poměrně dlouho když jsem chtěl udělat vřeteno z bldc motoru. Zkrátka hovotý driver který by uměl to co potřebuju a byl rovnou na 220 není. To co je na nízké napětí je vhodné pro motory co točí 3-6 tis, podle toho jsou taky navržené a většinou neumožnujou ani provoz na větších otáčkách protože to nedají výpočetně nebo mají zakázkové IO které umí sinus vektor a tam potom potřeby na rychlsot rostou. Proto je pak třeba problém u vícepolových motorů.
Další věc je že hodnoty výkonů těm modelářských motorů jsou z říše snů. Vždy výrobci uvádějí příkon ( tedy ne výkon) a vždy je to pro nějakou relativně krátkou dobu. Takže těn 3000Kw motor bych viděl tak na 400W reálně. (reálně se dá u 500g motoru počítat s 500W trvalého výkonu při rozumném chlazení a vhodném použití). I když se hodně snažím tak se pohybuju s účiností 85-90%, v některých případech jsem se dostal i na 95% ( což mohla být i chyba měření).
Mám podobný vřetýnko a už jsem i koupil nějaký motor, ale chci ho předělat a navinout na 220V aby odpadla nutnost zdroje ale neni čas kdo by mi udělal HW.
Taky si zkus k tomu motoru najít proud na prázdno budeš asi překvapenej.
			
									
									Modelářské motory mají velice nízký odpor a s tím si normální driver neporadí.
Řešil jsem to poměrně dlouho když jsem chtěl udělat vřeteno z bldc motoru. Zkrátka hovotý driver který by uměl to co potřebuju a byl rovnou na 220 není. To co je na nízké napětí je vhodné pro motory co točí 3-6 tis, podle toho jsou taky navržené a většinou neumožnujou ani provoz na větších otáčkách protože to nedají výpočetně nebo mají zakázkové IO které umí sinus vektor a tam potom potřeby na rychlsot rostou. Proto je pak třeba problém u vícepolových motorů.
Další věc je že hodnoty výkonů těm modelářských motorů jsou z říše snů. Vždy výrobci uvádějí příkon ( tedy ne výkon) a vždy je to pro nějakou relativně krátkou dobu. Takže těn 3000Kw motor bych viděl tak na 400W reálně. (reálně se dá u 500g motoru počítat s 500W trvalého výkonu při rozumném chlazení a vhodném použití). I když se hodně snažím tak se pohybuju s účiností 85-90%, v některých případech jsem se dostal i na 95% ( což mohla být i chyba měření).
Mám podobný vřetýnko a už jsem i koupil nějaký motor, ale chci ho předělat a navinout na 220V aby odpadla nutnost zdroje ale neni čas kdo by mi udělal HW.
Taky si zkus k tomu motoru najít proud na prázdno budeš asi překvapenej.
XpertMill, Gravos, Ninos, Galaad
IQ156
-1500Kč, -520Kč, -1čokoláda, - 28000Kč
www.freeair.cz www.rotexelectric.eu www.retrofitcnc.cz
						IQ156
-1500Kč, -520Kč, -1čokoláda, - 28000Kč
www.freeair.cz www.rotexelectric.eu www.retrofitcnc.cz