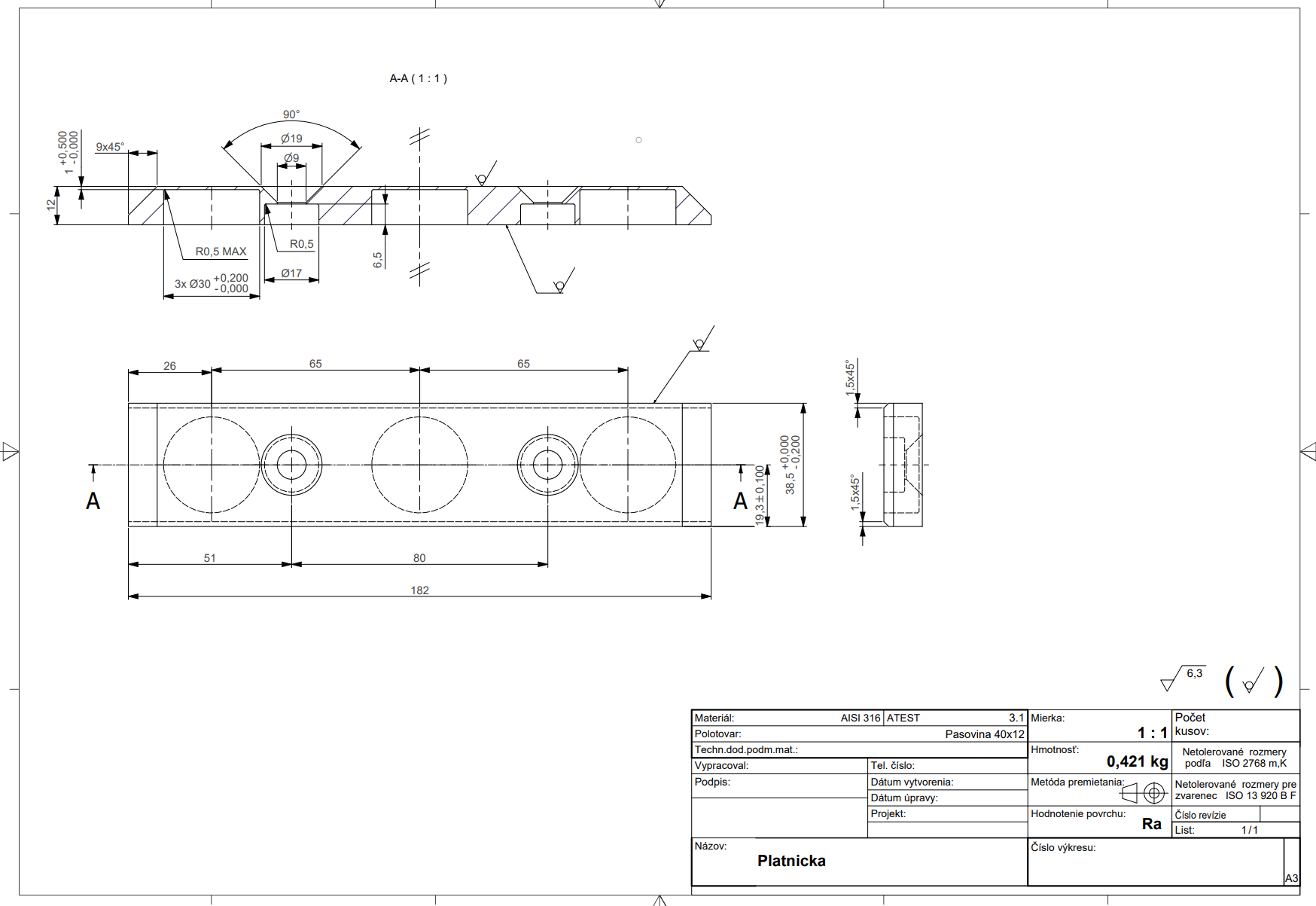
nerezová platnička 1500 ks
Pravidla fóra
Toto forum vyzaduje schvaleni prispevku moderatorem.
Toto forum vyzaduje schvaleni prispevku moderatorem.
Zdravím páni,
chystám sa robiť to čo je vo výkrese ale veľkú časť z toho by som kľudne dal robiť aj niekomu inému. Materiál mi dodá zákazník už narezaný s prídavkom povedzme 1mm.
Chcem by som vás poprosiť o ponuky (faktur. nepotrebujem) tí čo by mali záujem a tí čo nie tak aspoň nejaký Váš odhad.
Inak je to reálna zákazka ktorú mám už vpodstate istú.
Čo sa týka výroby tak to mám zatiaľ vymyslené na 4 upnutia (aj keď dalo by sa na 3), z toho 2 upnutia by boli v dvoch zverákoch a v každom 1 kus a ďalšie dve upnutia v prípravku po 8 ks.
Za hodinu ba sa takto dalo vyrobiť okolo 5 ks (rátal som aj s časom na upínanie)
Ale pravdu povediac si niesom istý či som to dobre nacenil, lebo bojím sa hlavne o životnosť nástrojov.
Vopred vďaka za ponuky, prípadne rady.
Michal
+421910531917
info@mibotech.sk
chystám sa robiť to čo je vo výkrese ale veľkú časť z toho by som kľudne dal robiť aj niekomu inému. Materiál mi dodá zákazník už narezaný s prídavkom povedzme 1mm.
Chcem by som vás poprosiť o ponuky (faktur. nepotrebujem) tí čo by mali záujem a tí čo nie tak aspoň nejaký Váš odhad.
Inak je to reálna zákazka ktorú mám už vpodstate istú.
Čo sa týka výroby tak to mám zatiaľ vymyslené na 4 upnutia (aj keď dalo by sa na 3), z toho 2 upnutia by boli v dvoch zverákoch a v každom 1 kus a ďalšie dve upnutia v prípravku po 8 ks.
Za hodinu ba sa takto dalo vyrobiť okolo 5 ks (rátal som aj s časom na upínanie)
Ale pravdu povediac si niesom istý či som to dobre nacenil, lebo bojím sa hlavne o životnosť nástrojov.
Vopred vďaka za ponuky, prípadne rady.
Michal
+421910531917
info@mibotech.sk
-
nellospeed
- Příspěvky: 218
- Registrován: 14. 3. 2018, 4:52
Nechce se ti stím šťourat, přiznej se.
Už to mám vymyslené tak že na prvé upnutie bude na prípravku každý kus pritiahnutý dvoma upínkami na koncoch a spravím tých spodných 5 dier. Potom kusy pritiahnem šróbami cez tie dve diery, zhodím upínky a ofrézujem obvod a to zrazenie 1,5x45°.
Vrchnú stranu budem robiť v ďalšom prípravku (každý kus uchytený 2 upínkami) - spravím konus na tých dvoch dierach 20mm navrtavákom.
A potom by som rovno mohol spraviť aj to zrazenie 9x45° na koncoch nejakým plátkovým zrážačom na viac krát a ideálne si to možno pred tým vyhrubovať valcovou frézou. Rozmýšľam ale že to zrazenie 9x45° budem robiť v ďalšom prípravku s valcovou frézou a vretenom vyklopeným o 45°. Časovo to vychádza tak isto alebo trochu lepšie.
Ale rád si nechám poradiť, možno sa to dá aj jednoduchšie.
Vrchnú stranu budem robiť v ďalšom prípravku (každý kus uchytený 2 upínkami) - spravím konus na tých dvoch dierach 20mm navrtavákom.
A potom by som rovno mohol spraviť aj to zrazenie 9x45° na koncoch nejakým plátkovým zrážačom na viac krát a ideálne si to možno pred tým vyhrubovať valcovou frézou. Rozmýšľam ale že to zrazenie 9x45° budem robiť v ďalšom prípravku s valcovou frézou a vretenom vyklopeným o 45°. Časovo to vychádza tak isto alebo trochu lepšie.
Ale rád si nechám poradiť, možno sa to dá aj jednoduchšie.
Pokud by měl polotovar na tloušťku aspoň 15mm tak chytnout to zubatých čelistí a udělat kompletně z jedné části. Potom otočit a srovnat tloušťku a dodělat co je třeba. Samozřejmě obírat rovnoměrně z obou stran.
316 je neskutečná svině. Schválně se podívej na YouTube jak to obrábí
316 je neskutečná svině. Schválně se podívej na YouTube jak to obrábí
SN320,SUI 32 CNC,Maho 700 CNC, Mikron UME 600, Boley BKN 100C, Brother TC 201
Preco by mal mat polotovar 15mm?aby si potom s toho zbytočne musel brat 3mm?ked si rozumne upravý čeluste zveraku(alebo vyrobí pripravok),tak to na 3oske urobi na dve upnutia,,ked porozmýšla tak aj na jedno,,lukin1156 píše: ↑30. 3. 2021, 8:00 Pokud by měl polotovar na tloušťku aspoň 15mm tak chytnout to zubatých čelistí a udělat kompletně z jedné části. Potom otočit a srovnat tloušťku a dodělat co je třeba. Samozřejmě obírat rovnoměrně z obou stran.
316 je neskutečná svině. Schválně se podívej na YouTube jak to obrábí![]()
Podle výkresu je polotovar z 12mm pásoviny. Takže to se nemusí řešit. Udělej si přípravek na obě upnutí. Najednou naprogramuješ obě strany, řekl bych že to je lepší.
1. bych dělal stranu se sraženíma a 90st zahloubením. zahloubení bych použil jako čepy - do přípravku 90st. středící čepy - protikusy. Zároveň délku 182 a sražení. na upínky tam nějaké místo zbyde.
2. upnutí do těch čepů, upínky na krajích. uděláš díry D30, zahloubení D17 a rozměr 38.5, i sražení na krajích.
Když budeš dělat obě upnutí zároveň tak si to i takhle ohlídáš, kdyby ti to při druhém upnutí nevycházelo můžeš to korigovat... Snad jsem na nic nezapoměl.
1. bych dělal stranu se sraženíma a 90st zahloubením. zahloubení bych použil jako čepy - do přípravku 90st. středící čepy - protikusy. Zároveň délku 182 a sražení. na upínky tam nějaké místo zbyde.
2. upnutí do těch čepů, upínky na krajích. uděláš díry D30, zahloubení D17 a rozměr 38.5, i sražení na krajích.
Když budeš dělat obě upnutí zároveň tak si to i takhle ohlídáš, kdyby ti to při druhém upnutí nevycházelo můžeš to korigovat... Snad jsem na nic nezapoměl.
Naposledy upravil(a) Lukas_2 dne 30. 3. 2021, 8:31, celkem upraveno 1 x.
BF30 přestavěná, Optimum F100 přestavěná
Kamodel.cz
Mach4
Kamodel.cz
Mach4
Robiť to budem na MAHO MH600E
ako v odkaze akurát nemám otočný stôl : https://www.youtube.com/watch?v=msSE6NenPMk
ako v odkaze akurát nemám otočný stôl : https://www.youtube.com/watch?v=msSE6NenPMk