Driver s TB6560- vychytanie múch

BlackJack
Příspěvky: 25
Registrován: 10. 7. 2014, 9:59

16. 5. 2015, 6:20

No. Nakoniec som to vyriešil (?) takto:

Power up/down sekvencia bude na výkonovej časti, z ktorej budú prakticky napájané 3 drivery. Ak mám ísť podľa datasheetu TB6560, tak najskôr sa zopne VDD po zapnutí nejakého hlavného prepínača. Relé s časovým oneskorením potom zopne výkonovú časť. Podľa datasheetu zo strany 26 som z grafu vyčítal, že dobré bude, ak sa najskôr log. 1 dostane na RESET a potom na ENABLE. Preto som ENABLE zapojil k zemi a po otvorení optočlena (ktorý bude riadený z CPU) sa pripojí do log. 1. Príde my to také prirodzenejšie, že driver je schopný činnosti až keď mu to dovolím ja (viď schéma).

Táto schéma obsahuje prakticky len súčiastky potrebné na fungovanie TB6560, "sleep" obvod a optočleny. Takýchto driverov by som chcel 3 a maly by mať spoločné napájanie (zdroj, filter, stabilizátor...), spoločnú prepäťovú ochranu + poistku (*ky?). Uvažujem správne? :)

A ešte hádam posledná otázka. Je vhodnejšie použiť optočleny mimo driverovej dosky (niečo ako oddeľovacia doska), alebo môžu byť na driverovej doske, ale na nejakom slušnom mieste niekde pri kraji, ďalej od prípadných rušivých elementov? Lebo vidím, že tvoje zapojenie nemá optočleny na driverovej doske, ale zase som videl zapojenia, ktoré ich tam majú.. :)
Přílohy
driver.png
Uživatelský avatar
Hades
Příspěvky: 1196
Registrován: 11. 10. 2012, 10:59
Bydliště: Praha; Mimoň

17. 5. 2015, 5:59

BlackJack píše: .....
spoločnú prepäťovú ochranu + poistku (*ky?). Uvažujem správne? :)
....
IMHO jednu přepěťovku společnou ano, ale rozhodně bych osadil základní pojistku ke každímu driveru. Maximálně vypadne jedna osa a (odse..) odnese to jen nástroj a materiál.
A nebo všechno jištění jen jednou, ale pak je dobrý mít jeden driver uloženej v šuplíku, což se hodí pokaždý, ale jsou to blbě uložený peníze... :D
Uživatelský avatar
Kilovolt
Sponzor fora
Příspěvky: 828
Registrován: 21. 10. 2009, 9:59
Bydliště: Podřipák jak vyšitej!

17. 5. 2015, 7:38

Ještě taková maličkost-malej kondr na resetu-ten reset by se měl deaktivovat při ustálení obou napájecích napětí a podle mojeho hrubýho výpočtu je čas RC členu na schémátku 0,4ms, což mi přijde málo- já mám 0,5s a chodí to už pár let 8) :lol: . Takže moje doporučení je 100kohm a 22mikroF. Můžeš změnit a nemusíš :lol: KV

PS:takovej šikovnej webík http://mustcalculate.com/electronics/ca ... 2u&r=50000" onclick="window.open(this.href);return false;
Elektrika je potvora-nejni vidět a kope jak divoká mula.
"Učíme se po celý život. Až na školní léta" - Gabriel Laub
BlackJack
Příspěvky: 25
Registrován: 10. 7. 2014, 9:59

25. 5. 2015, 6:03

Ďakujem za odpovede, síce som neodpisoval ale pozerám všetko.

Neviete, kde by sa dala kúpiť TB6560 tu na Slovensku/Česku, ale okolo tých max. 6 €? TME.eu má po zásobach, ostatné e-shopy to majú za 7-8 €...
Uživatelský avatar
Thomeeque
Příspěvky: 9392
Registrován: 30. 1. 2012, 10:20
Bydliště: Mimo ČR

26. 5. 2015, 12:02

http://www.ebay.com/itm/5PCS-IC-TB6560A ... 1645606220

Alternativa je poptat lidi, jestli ti nedarují své staré modré desky a vypájet to z nich..
mimooborová naplavenina • kolowratský zázrak™ • NPS • GCU • HirthCalc • ncDP.ino
hobbyrobot
Příspěvky: 379
Registrován: 27. 12. 2011, 9:24
Kontaktovat uživatele:

26. 5. 2015, 2:06

Já bych na tvém místě byl velmi opatrný při nákupu polovodičových součástek od neoriginálních dodavatelů. Kolega (šetřílek jeden) přes mé varování koupil tuhle várku a to, co přišlo bylo hrozné - poškrábané pouzdro upatlané od nějakého lepidla, zohýbané a špatně vystřižené piny, prostě odpad. Čistě pro zajímavost jsem dva z těchto šuntů zamontoval do prototypové desky a oba při proudu 1,7 A a napětí 24 V po několika minutách pukly jak žalud. Originály TB6560 (z DigiKey, tuším), kterých jsem zamontoval už víc jak 40, do jednoho drží bez problémů.
Takže tady asi bude taky největší problém těch různých jedno i trojosých čínských desek.
Prodejce samozřejmě obratem vrátil peníze - asi věděl proč...
A protože je kolega jako šetřílek nenapravitelný, zkusil před časem v Číně taky koupit L298 - u těch nefungoval jeden H-můstek a byly zjevně vypájené, a L293D, které pro změnu byly sice vzhledově dokonalé, ale chyběl jim ten polovodič uvnitř :D .
jrt
hobbyrobot.cz, jederobot.cz
robodoupe.cz, forum.robodoupe.cz
Uživatelský avatar
Thomeeque
Příspěvky: 9392
Registrován: 30. 1. 2012, 10:20
Bydliště: Mimo ČR

26. 5. 2015, 2:45

Mě přišlo pět fungl nových čipů bez jediný známky opotřebení v čistym obalu a problémy s nima nemám, ale možná je to loterie, nikomu to nenutim ani za nic neručim :)

Problém 3+osý modrý desky je v otřesnym návrhu.

Btw. napájený L297/298 tu rozdává luboš, kdyby kolega ještě sháněl.

T.
mimooborová naplavenina • kolowratský zázrak™ • NPS • GCU • HirthCalc • ncDP.ino
hobbyrobot
Příspěvky: 379
Registrován: 27. 12. 2011, 9:24
Kontaktovat uživatele:

26. 5. 2015, 2:51

Thomeeque píše: Problém 3+osý modrý desky je v otřesnym návrhu.
Návrh je opravdu hrozný, ale u dvou desek jsem měnil obvody a drží dodnes.
Btw. napájený L297/298 tu rozdává luboš, kdyby kolega ještě sháněl.
Díky, ale dávat použité obvody do nových výrobků by se mi moc nelíbilo...
jrt
hobbyrobot.cz, jederobot.cz
robodoupe.cz, forum.robodoupe.cz
Mex
Příspěvky: 10287
Registrován: 6. 2. 2014, 10:29

26. 5. 2015, 2:52

Jen pro statistické účely: mně přišla jedna pětice chipů a pak několik desítek jednoosých driverů.
Jediné problémy byly, že u některých jednoosých driverů jsem musel poladit upevnění chladiče, je to tam dost blbě vymyšlené. A na jednom driveru byl lehce vadný myší klavír (nespolehlivě spínal jeden z přepínačů).
BlackJack
Příspěvky: 25
Registrován: 10. 7. 2014, 9:59

10. 6. 2015, 6:48

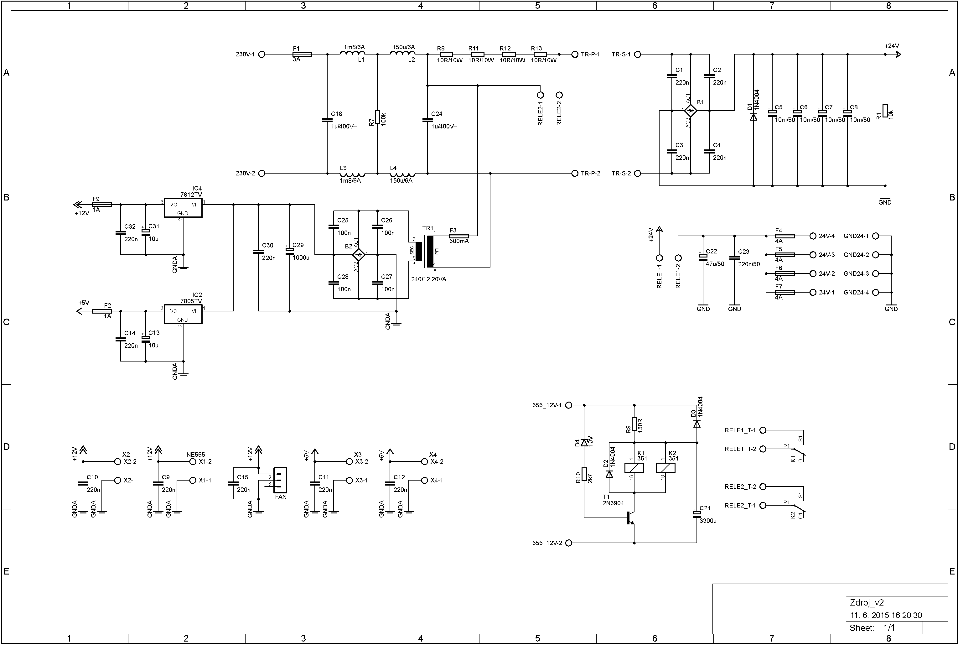
Tak som tu zas, tento krát s návrhom zdroja.

Skladá sa z 3 dosiek:
1.) Sieťová doska = pripojenie sieťového napätia, odfiltrovanie, spomalenie 4x10R (a neskoršie premostenie s relé). Ďalej je z tejto dosky napájaný, okrem výkonového toroidného transformátora, aj menši transformátor 230/12V/20VA, z ktorého sa budú napájať 5V a 12V vetvy.
2.) Výkonová doska = usmernenie a filtrácia sekundárneho napätia na toroide
3.) Doska oneskoreného zopnutia = časovač s 555, kde po nejakom čase (ešte neviem akom) sa zopnú 2 relé, ktoré premostia výkonové rezistory (tým sa dostane sieťové napätie priamo na toroid) a pripoja výkonové obvody k výkonovej časti zdroja (drivery, motory...)

A ja sa len chcem spýtať, či to vlastne bude fungovať. Podľa Multisimu, aj hej, ale program nedokáže nasimulovať naozaj všetky situácie. Chcem si spraviť jednoduchý, a hlavne dobre odfiltrovaný zdroj pre napájanie TB6560 a podobných obvodov.
Přílohy
zdroj.png
BlackJack
Příspěvky: 25
Registrován: 10. 7. 2014, 9:59

11. 6. 2015, 3:22

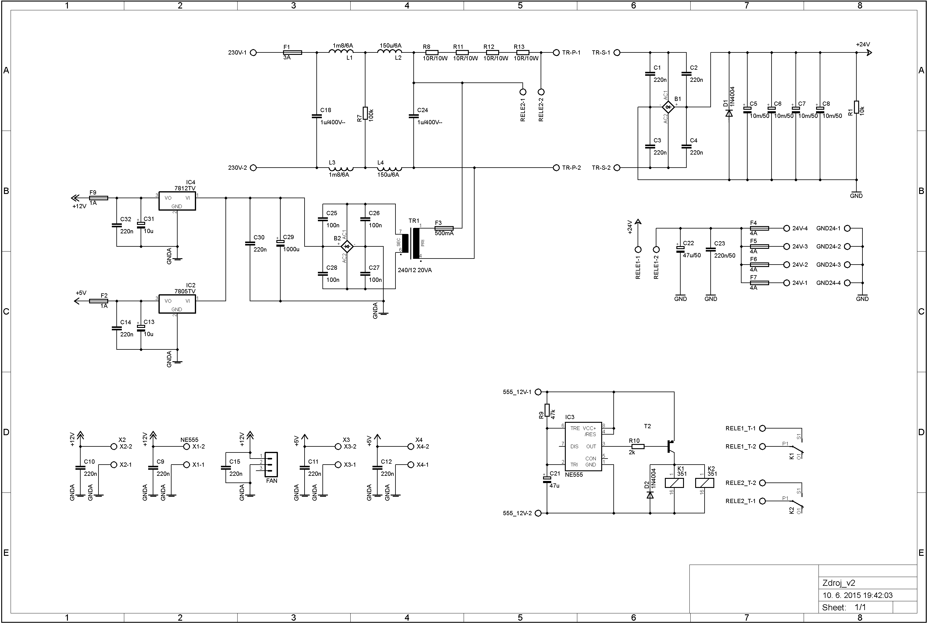
S jednou zmenou:
Přílohy
zdroj.png
Uživatelský avatar
Thomeeque
Příspěvky: 9392
Registrován: 30. 1. 2012, 10:20
Bydliště: Mimo ČR

11. 6. 2015, 3:50

A, vidim můj "pomalu zapni, rychle vypni" obvůdek :) Asi bych ho pověsil ještě před 7812 (a dal D4 cca 12V), aby to na pokles reagovalo co nejdříve.

Těch 24V je skutečná hodnota, kterou tam chceš mít?
mimooborová naplavenina • kolowratský zázrak™ • NPS • GCU • HirthCalc • ncDP.ino
Mex
Příspěvky: 10287
Registrován: 6. 2. 2014, 10:29

11. 6. 2015, 4:42

1 - Je zvykem malovat schemata tak, že signál jde zleva doprava. Takže ty zdroje 5 a 12V měly mít výstupy vpravo.
2 - Proč tam cpeš tak strašné kapacity na přemostění greatzů?
3 - Co má dělat ta dioda v závěrném směru na výstupu?
4 - Když budeš z jednoho sekundáru dělat 5V i 12V, tak ten 5V stabilizátor bude i při ne moc velké zátěži na 5V pořádně topit.
Buď bych tam dal DC-DC měniče, nebo namotal ještě pár závitů a udělal druhý sekundár.
Pokud tam dáš DC-DC měniče (z eBay za 1-2 USD, postavit se dají ze součástek kolem 20 Kč - MC34063+tlumivka+pár pasivů).
Pak bys ani nepotřeboval to druhé trafo, ale celé bys to mohl napájet z toho hlavního (dneska je rozhodně levnější DC-DC měnič, než další trafo).
Nejjednodušší by ale bylo vzít 5V i 12V z PC, které k tomu stejně bude zřejmě připojeno.
5 - Zvaž spínání výkonového napětí signálem z PC. Pak se silařina připne až poté, co neběhne CNC SW, takže už nebude nic kmitat nebo plavat.
6 - Složité přemosťování limitačních odporů na primáru je pro takové příkony, jaké pro CNC budeš potřebovat, asi zbytečný overkill.
Nebude to asi třeba vůbec, ale pokud už bys to fakt chtěl, tak bych tam strčil klasické NTC třeba z vadného PC zdroje.
7 - Těch 24V a šílené proudy je dost nešťastná kombinace. Pokud použiješ malé drivery (ala TB6560 nebo dokonce Pololu) a malé motory, tak žádné šílené proudy nepotřebuješ, přes 3A celkového odběru na 24V se zřejmě nedostaneš. A pokud chceš nějaké mocnější drivery a motory, tak je 24V podle mě zase málo.
Uživatelský avatar
Thomeeque
Příspěvky: 9392
Registrován: 30. 1. 2012, 10:20
Bydliště: Mimo ČR

11. 6. 2015, 4:50

Postavit driver závislej na napájení z PC je imho dost nepraktický, signálem z PC zapínat výkonové napětí je možná i nebezpečný (pokud je řeč o signálu z LPT portu). Odběr z 5V bude tak mrňavej, že bych se topenim 7805 vůbec netrápil, naopak u DC-DC bych se bál, že těch 5V půjde dolu příliš brzo (pokud chci řešit power-down sekvenci), ale možná se pletu.
mimooborová naplavenina • kolowratský zázrak™ • NPS • GCU • HirthCalc • ncDP.ino
Mex
Příspěvky: 10287
Registrován: 6. 2. 2014, 10:29

11. 6. 2015, 5:09

Thomeeque píše:Postavit driver závislej na napájení z PC je imho dost nepraktický, signálem z PC zapínat výkonové napětí je možná i nebezpečný (pokud je řeč o signálu z LPT portu). Odběr z 5V bude tak mrňavej, že bych se topenim 7805 vůbec netrápil, naopak u DC-DC bych se bál, že těch 5V půjde dolu příliš brzo (pokud chci řešit power-down sekvenci), ale možná se pletu.
Napájení 5V a 12V bude předpokládám hlavně pro napájení oddělovací desky, případně levných driverů (lepší drivery si to už řeší samy). Takže tady mi přijde použité napájední ze zařízení, ke kterému je to přímo galvanicky připojeno, celkem bezproblémové.
Odběr na 5V zase tak malý být nemusí.
Napětí na DC-DC měniči naopak padá dost pomalu, protože ho napájíš třeba ze 24V, ale on dává stabilizovaný výstup až do vstupního napětí kolem 8V.
Spínání výkonového napájení kontolovaně pomoví CNC SW naopak považuju za nejlepší variantu - napětí je tam opravdu jen tehdy, když tam být má.
Samozřejmě nic z toho nikomu nenutím.
Odpovědět

Zpět na „Ostatní elektronika“