Prstencový motor

ostatní motory, vřetena, regulace, snímaní otáček a jiné
Reinkarnace
Příspěvky: 1227
Registrován: 21. 11. 2017, 9:16

28. 11. 2019, 10:25

Není lepší to vylisovávat? Kdysi dávno jsem používal na řemenice motorů a ložiska stahováky, byla to pakárna, ramena sjížděla, někdy to drželo jen na pár milimetrech a párkrát se mi stalo, že stahovák praskl, nebo jsem natáhl packu (i u poměrně bytelného, drželo to pekelně). Pak jsem pořídil lis a od té doby jen lisuji a to v maximální pohodě.
Milan199
Příspěvky: 3531
Registrován: 18. 8. 2010, 9:04

28. 11. 2019, 10:31

Jo pomůže, moc díky za tip. Ten v odkazu má díru jen 4 mm, ale ta TAMAGAWA má i větší :
Výstřižek.PNG
Ten už by použít šel, otázka je cena //zjistím// a max otáčky 6000. To by taky šlo, třeba se neroztrhne při 8000.

Musím v dohledné době dodělat tu serii co tu je rozdělaná a zatím tedy bez odměřování. Výhledově to ale budu muset dotáhnout.

dík Milan
Milan199
Příspěvky: 3531
Registrován: 18. 8. 2010, 9:04

28. 11. 2019, 10:41

Reinkarnace píše: 28. 11. 2019, 10:25 Není lepší to vylisovávat? Kdysi dávno jsem používal na řemenice motorů a ložiska stahováky, byla to pakárna, ramena sjížděla, někdy to drželo jen na pár milimetrech a párkrát se mi stalo, že stahovák praskl, nebo jsem natáhl packu (i u poměrně bytelného, drželo to pekelně). Pak jsem pořídil lis a od té doby jen lisuji a to v maximální pohodě.
Ale jo, lis mám k dispozici taky /20T/ jenže ta kotva je žmolek plechů zalitejch v hliníku a už jsem jednu z Atase zničil. Ten motor stojí 2750 a nikdo ti krom ložisek nic náhradního neprodá. Musel jsem to ohřát a i tak to byl opruz. Bez toho přípravku co se plošně opře o čelo kotvy to zničíš, lisem nebo stahovákem... Není to jednoduché - to je to co jsem chtěl říci.
chb
Příspěvky: 3903
Registrován: 12. 3. 2013, 7:24
Bydliště: Havl. Brod

28. 11. 2019, 10:51

už dost dlouhé vlákno :-) ale stejně mi přijde nereálné/neekonomické hledat "speciální" servo (za speciální cenu) na "obyčejný" soustruh
(PS - pokud jde o "speciální" soustruh, pak "speciální" cena nemusí vadit)
Víťa - BF20 - upraveno na CNC + Mach3 + SS, soustruh CJM250, MK3 Průša, ostřička nástrojů
Monteg
Příspěvky: 1514
Registrován: 30. 10. 2006, 5:37
Bydliště: LOUNY

28. 11. 2019, 11:03

Nevím jaké potřebujete rozlišení pokud malé tak by asi stačily 2 opto závory a ozubené kolečko
jedna na generování pulzu a jedna na nulový pulz pokud potřebujete rozlišovat i smět tak by musely být 3 ty závory. Ale asi by to muselo být mimo motor - rozumný průměr - rozlišení
Něco v tomto stylu
https://www.conrad.cz/opticka-zavora-ve ... mm.k184250
Milan199
Příspěvky: 3531
Registrován: 18. 8. 2010, 9:04

28. 11. 2019, 11:50

Monteg píše: 28. 11. 2019, 11:03 Nevím jaké potřebujete rozlišení pokud malé tak by asi stačily 2 opto závory a ozubené kolečko
jedna na generování pulzu a jedna na nulový pulz pokud potřebujete rozlišovat i smět tak by musely být 3 ty závory. Ale asi by to muselo být mimo motor - rozumný průměr - rozlišení
Něco v tomto stylu
https://www.conrad.cz/opticka-zavora-ve ... mm.k184250
Ahoj, mám vyzkoušeno, že 500 "drážek" tedy 2000 informací na otáčku stačí na tu M12 //stoupání 1,75// a je přesné i na závity M 1,0 // menší jsem nedělal //. Informace AB /tedy směr/ i R jsou prostě nezbytné, jinak se závitníkem dělat nedá.

Tyhle závorky jsem zkoušel už asi před 20 lety a seřídit to tak aby byly správně fázově posunuty je strašlivý vopruz. Ten plast se teplem (v motoru) hne a výsledkem je urvaný závitník.
Použitelné jsou laserové diody s optikou v kovovém pouzdře a clonka s 250 drážkami vyřezaná na "drátku". Pořád je to ale otevřená optika a v motoru se to časem zanese takovou mžurkou a přestane to chodit. Ten resolver se mi líbí víc.

ale děkuji za tipy Milan
Milan199
Příspěvky: 3531
Registrován: 18. 8. 2010, 9:04

28. 11. 2019, 12:28

chb píše: 28. 11. 2019, 10:51 už dost dlouhé vlákno :-) ale stejně mi přijde nereálné/neekonomické hledat "speciální" servo (za speciální cenu) na "obyčejný" soustruh
(PS - pokud jde o "speciální" soustruh, pak "speciální" cena nemusí vadit)
Ahoj, tak bavíme se o elektrovřetenu na malé stroje.
Má kupu výhod :
kompaktní zástavba
malé setrvačné hmoty
žádné řemeny // tedy hluk, teplo, špína, žerou výkon //
jedny ložiska

Kdysi jsem se zajímal co se dá sehnat na soustruh tak pro 125 sklíčidlo. Tak pokud máš 200k a více tak už jo. Nic menšího jsem neobjevil.

O tom Kolmorgenu už jsem psal : 60k nákup komponent pohonu.

Když vezmu asynchron //3 k//, ložiska // FAG 4 ks cca 8k //, materiál //odhad 2k //, a slušný měnič 8k tak mám za 30k hodně slušné elektrovřeteno. C osa to není, to je fakt. Za tu cenu se to prodávat nedá, protože CE, servis, záruky ...

Myslím Dawe tu chválil nějaká kosoúhlá ložiska z Ali tak to zkusit...

To servo bude mít kupu nevýhod :
Tutově potřebuješ dutou hřídel, tedy narazíš zase na problém prstencového resolveru /viz výše/
Dražší bude driver.
Určitě nižší otáčky
O konstrukci kotvy nic nevím ale taky bych čekal problémy.

Ten asynchron mi přije jako vhodný kompromis.
Mex
Příspěvky: 10287
Registrován: 6. 2. 2014, 10:29

28. 11. 2019, 12:49

Milan199 píše: 28. 11. 2019, 7:37 b) použité měření úhlu natočení hřídele
Montáž IRCu nebo resolveru do elektrovřetene je dost oříšek. Technicky čisté je použití prstencového resolveru ale - cena 18750 /bez DPH/
Ta dutá hřídel s dalšími komponenty za motorem znemožňuje použití magnetického snímače. Umístit běžný IRC mimo motor /a řemínek/ je trochu neelegantní.
Heds je bída kvalita. //neuzavřená optika//
Nedalo by se použít magnetické odměřování nikoli s rotačním magnetem, ale s lineárním páskem?
Ten pásek namotat a nalepit na hřídel, případně ještě přes něho přetáhnout nerezový kroužek (aby se pásek odstředivou silou neroztrhl).

Jediný problematický moment by asi byl udělal průměr hřídele přesně tak, aby na sebe na místě spoje navazovaly magnetické póly. To by možná chtělo pár pokusů. Ale jsi evidentně hodně šikovný (před těmi Tvými úpravami klobouk dolů), tak bys to možná dal.
A bylo by to velmi levné, v podstatě pro libovolný průměr. A kdyby se to povedlo, tak i hodně přesné, resp. s velkým rozlišením.

Pokud by se nepovedlo ty póly přesně navázat, tak by se ještě dal udělat nějaký špinavý trik a zapojit mezi snímač a výstup do systému nějakou elektroniku, která by v reálném čase ten případný "zub" na spoji linearizovala. Případně to použít tak, že by se ten zub (kdyby byl skutečně "viditelný") použil jako index.

Ještě ale poznámka: jako vřeteno pro soustruh mi teda klasický motor a k tomu řemen pro pohon vřetene přijde jako lepší varianta.
Milan199
Příspěvky: 3531
Registrován: 18. 8. 2010, 9:04

28. 11. 2019, 1:32

Mex píše: 28. 11. 2019, 12:49
Milan199 píše: 28. 11. 2019, 7:37 b) použité měření úhlu natočení hřídele
Montáž IRCu nebo resolveru do elektrovřetene je dost oříšek. Technicky čisté je použití prstencového resolveru ale - cena 18750 /bez DPH/
Ta dutá hřídel s dalšími komponenty za motorem znemožňuje použití magnetického snímače. Umístit běžný IRC mimo motor /a řemínek/ je trochu neelegantní.
Heds je bída kvalita. //neuzavřená optika//
Nedalo by se použít magnetické odměřování nikoli s rotačním magnetem, ale s lineárním páskem?
Ten pásek namotat a nalepit na hřídel, případně ještě přes něho přetáhnout nerezový kroužek (aby se pásek odstředivou silou neroztrhl).

Jediný problematický moment by asi byl udělal průměr hřídele přesně tak, aby na sebe na místě spoje navazovaly magnetické póly. To by možná chtělo pár pokusů. Ale jsi evidentně hodně šikovný (před těmi Tvými úpravami klobouk dolů), tak bys to možná dal.
A bylo by to velmi levné, v podstatě pro libovolný průměr. A kdyby se to povedlo, tak i hodně přesné, resp. s velkým rozlišením.

Pokud by se nepovedlo ty póly přesně navázat, tak by se ještě dal udělat nějaký špinavý trik a zapojit mezi snímač a výstup do systému nějakou elektroniku, která by v reálném čase ten případný "zub" na spoji linearizovala. Případně to použít tak, že by se ten zub (kdyby byl skutečně "viditelný") použil jako index.

Ještě ale poznámka: jako vřeteno pro soustruh mi teda klasický motor a k tomu řemen pro pohon vřetene přijde jako lepší varianta.
Ahoj, tak to mi připadá jako hodně dobrý nápad !
Jenom si nejsem jistý jak dlouhý je ten čtecí prvek, aby zvládl tu odchylu oblouku. Myslím že navázat ten pásek učitě nedokážu, to je moc filigránské. Ale v hradlovém poli ZYNQu je ještě volné kapacity dost, to by zmrzačit šlo. Budu muset pohledat, zda se to odměřování nedělá rotační /na čelní plochu/.

K té poznámce : Před pár lety jsem stavěl malý dvouvřetenový soustruh. Stojí u něj Marfuška a zatímco na jednom vřetenu se obrábí v druhém vyměňuje kusy. Tam je to klasika - motor, řemeny, vřeteník.
Loni jsem nahonem postavil podobný - ze dvou motorů - jenom na přírubě je mufna se dvěma ložisky /zesílení /. Místo Marfušky je tam Scara robůtek a protože umí CNC "říci" už mám klepítko pryč, neztrácí se čas ani s dvířkama. /// Marfušky, Nastěnky, ani Vasylové nemají Scara robůtky rádi. /// Pokud se týká použití elektrovřetene pro soustruh, připadá mi že to má jen samá pozitiva. Už jen to napínání řemenů, špína, kravál, kryty... Zatím tomu fandím.
Mex
Příspěvky: 10287
Registrován: 6. 2. 2014, 10:29

28. 11. 2019, 1:45

Teda moct si udělat u Tebe exkurzi by byl asi hooodně velký zážitek.
Každou chvilku vytáhneš z rukávu další překvapení.
Šikovnej.
:)
Milan199
Příspěvky: 3531
Registrován: 18. 8. 2010, 9:04

28. 11. 2019, 1:59

Mex píše: 28. 11. 2019, 1:45 Teda moct si udělat u Tebe exkurzi by byl asi hooodně velký zážitek.
Každou chvilku vytáhneš z rukávu další překvapení.
Šikovnej.
:)
Abys nebyl zklamaný. Jsem typický představitel kovářovy kobyly co chodí bosa. Většina strojů co mám doma se nedočkala nátěru a to už makají a vydělávají roky. Když vidím jak někteří "místní" umí stroje vymazlit - je mi stydno.
Uživatelský avatar
fmodel
Příspěvky: 10252
Registrován: 26. 10. 2011, 10:37
Kontaktovat uživatele:

28. 11. 2019, 2:38

Milan199 píše: 28. 11. 2019, 1:59 Většina strojů co mám doma se nedočkala nátěru a to už makají a vydělávají roky. Když vidím jak někteří "místní" umí stroje vymazlit - je mi stydno.
Podobně ,barva přesnost nevylepší ,do svejch mašin nejsem zamilovanej ,jména jim nedávám, a do postele je taky neberu :wink:
http://www.rm-reznicek.cz" onclick="window.open(this.href);return false;
Monteg
Příspěvky: 1514
Registrován: 30. 10. 2006, 5:37
Bydliště: LOUNY

28. 11. 2019, 8:14

Dvou vřetenový soustruh to je to co bych chtěl :D
Ale jak jsem psal místa je málo a chtěl bych se vejít do 1000mm délky :D
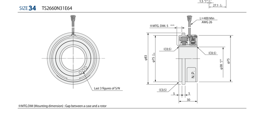
Tady jsem našel jeden TS 2660
https://www.ebay.de/itm/323386915546


K tomu snímání našel jsem výrobce magnetických pásku - kroužku když jsem se ptal na cenu chtěli po mě tel. email.DIČ.IČO pomalu velikost ponožek tak jsem řekl děkuji nemám zájem
Monteg
Příspěvky: 1514
Registrován: 30. 10. 2006, 5:37
Bydliště: LOUNY

29. 11. 2019, 6:49

Zvolil jste tu klasickou koncepci?
Přílohy
Snímek obrazovky (1).png
Monteg
Příspěvky: 1514
Registrován: 30. 10. 2006, 5:37
Bydliště: LOUNY

29. 11. 2019, 6:51

Já si teď pohrávám s myšlenkou staticky suport a pohyblivé vřeteníky
Přílohy
Snímek obrazovky (2).png
Odpovědět

Zpět na „Ostatní elektromotory“