Vačkový přepínač su 32

Vse o konvencnich strojich, nic o jejich prestavbe na cnc
Odpovědět
tonyyayo
Příspěvky: 36
Registrován: 10. 3. 2015, 8:21

2. 8. 2021, 4:37

Zdravím , soustruh přestal přepínat pravé , levé otáčky a zastavení je úplně na jiné poloze. Je tam přepínač obzor VS 16 . Nevíte někdo nejakou náhradu ?
20210802_170818.jpg
20210802_170818.jpg
Děkuji za každou radu
Přílohy
20210802_170859.jpg
Uživatelský avatar
Charon
Sponzor fora
Příspěvky: 6446
Registrován: 27. 7. 2019, 4:31
Bydliště: Praha

2. 8. 2021, 4:44

Třeba tady, jen to chce vědět spínací tabulku z dokumentace

https://www.elektro-hofman.cz/prepinac- ... -poloh-30/
SM16A, FN20, 3E710B, CDC7-2, HO02, CO2laser, Fiber.. propagator www.atreon.cz
Uživatelský avatar
salus
Příspěvky: 1528
Registrován: 1. 9. 2013, 1:30
Bydliště: Chrudimsko

2. 8. 2021, 5:56

Obzor Zlín stále existuje. Jenže ten přepínač nemá sériově vyráběné schema spínání, je to tzv. atypické schema spínání. Když jim zadáš schema, tak Ti to vyrobí na zakázku.
Kdysi tady putoval tenhle diagram spínání:
SU32 diagram spínání.Pdf
(5.51 KiB) Staženo 232 x
Ale, aby Ti to vyrobili, tak budou chtít vyplnit takovouto tabulku:
Image_00191.JPG
Soustruh: S-28 Žebrák
Stolní vrtačka: TOS V10A
Pásová pila: G5013W/400
tonyyayo
Příspěvky: 36
Registrován: 10. 3. 2015, 8:21

2. 8. 2021, 6:26

Děkuji moc skusim jim to poslat
tonyyayo
Příspěvky: 36
Registrován: 10. 3. 2015, 8:21

9. 8. 2021, 2:37

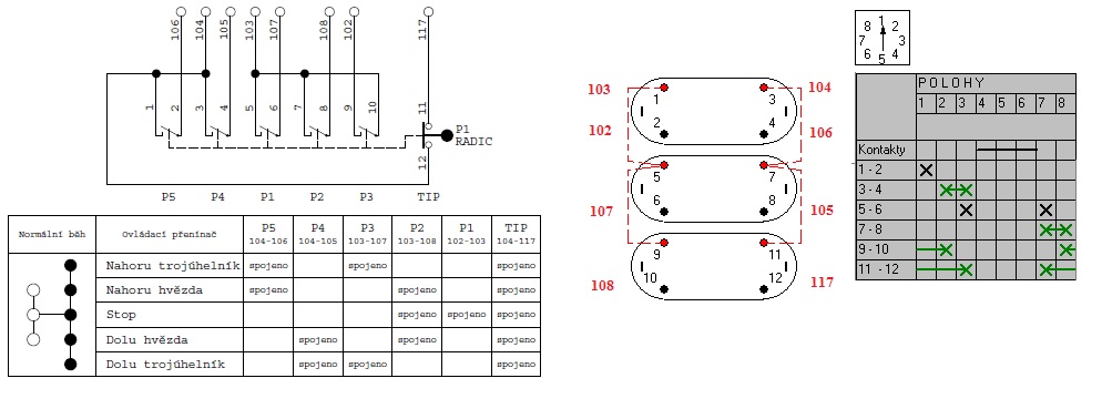
Spojil jsem se s firmou OBZOR a vačkový spínač vyrobí . Poslali pro kontrolu správnost zapojení . Bohužel se v tom moc nevyznám tak přikládám výkres , jestli někdo může zkontrolovat . Díky
Granovit 9.8.21.jpg
tonyyayo
Příspěvky: 36
Registrován: 10. 3. 2015, 8:21

1. 9. 2021, 11:51

Když spojim 104-105 a 103-108 + 117 na 104 tak se soustruh nerozbehne . Nevíte někdo proč ? Nebo to mám zapojené špatně ? Mela by to být hvězda dolů . Díky
Uživatelský avatar
salus
Příspěvky: 1528
Registrován: 1. 9. 2013, 1:30
Bydliště: Chrudimsko

1. 9. 2021, 12:29

Obrácený směr Ti jede? Pokud ne, mohlo by to být jistící nadproudové relé R1, nebo blokovací kontakt stykače S2
Soustruh: S-28 Žebrák
Stolní vrtačka: TOS V10A
Pásová pila: G5013W/400
tonyyayo
Příspěvky: 36
Registrován: 10. 3. 2015, 8:21

1. 9. 2021, 1:10

Zkoušel jsem zapojit i obrácený a nejede
tonyyayo
Příspěvky: 36
Registrován: 10. 3. 2015, 8:21

1. 9. 2021, 1:13

Na starý vačkový přepínač to běželo normálně akorát se vysypal a potrebuju zapojit aspoň jednu polohu ať můžu točit
Uživatelský avatar
salus
Příspěvky: 1528
Registrován: 1. 9. 2013, 1:30
Bydliště: Chrudimsko

1. 9. 2021, 1:22

JAké stykače jsou sepnuty na polohu hvězda dolů a jaké v poloze hvězda nahoru?
Soustruh: S-28 Žebrák
Stolní vrtačka: TOS V10A
Pásová pila: G5013W/400
Odpovědět

Zpět na „konvenční soustruhy“