Harrison TU150U Retrofit
Díky
Jo ty nerezové jsou skvělé. Za mě nejlepší klávesnici má starý siemens sinumerik, tyto nerezové se trochu nepříjemně vrťí pod prsty ale jinak jsou fajn. Trochu mě číňaňi vypekli, dělám teď druhý panel a dírky pro klávesnici jsem si v cadu vzal ctrl+c, ctrl+v z harrisona. Když dorazil výpalek tak jsem se nestačil divit, číňaňi udělali upgrade a musel jsem pálit znova. Nevšiml jsem si, moje chyba.
 . Musím ale pochválit že na nové klávesnici jsou i F funkce, to mi u harrisona chybí. Párkrát mi vyskočilo boot menu a musím hledat usb klávesnici kvůli F1.
 . Musím ale pochválit že na nové klávesnici jsou i F funkce, to mi u harrisona chybí. Párkrát mi vyskočilo boot menu a musím hledat usb klávesnici kvůli F1.Jsem spokojený ale nějaké mouchy to má.
1, v hadici upínacího válce kterou by se měl vracet olej co odkapne přes upínací válec jsem našel emulzi. Kolik se ji dostalo do olejové nádrže netuším, ještě jsem se nedíval ale myslím že by tudy neměla proniknout ani kapka.
2, ze začátku jsem měl problémy s opakovatelnou přesností při měnění čelistí. Vodící kameny(matice) jsou broušené docela žalostně - nejlépe si vyrobit nové. Zjistil jsem že když kameny popíšu 1, 2, 3 (stejně jako u čelisti) a nepřehazuju je mezi sebou, tak je přesnost při měnění čelistí přijatelná
Ty jsi si myslím taky koupil to sklíčidlo nebo se pletu? Funguje ti?
Díky za info ! Ten soustruh jsi zrepasoval parádně - smekám.Meki píše: ↑20. 10. 2025, 9:21Jsem spokojený ale nějaké mouchy to má.
1, v hadici upínacího válce kterou by se měl vracet olej co odkapne přes upínací válec jsem našel emulzi. Kolik se ji dostalo do olejové nádrže netuším, ještě jsem se nedíval ale myslím že by tudy neměla proniknout ani kapka.
2, ze začátku jsem měl problémy s opakovatelnou přesností při měnění čelistí. Vodící kameny(matice) jsou broušené docela žalostně - nejlépe si vyrobit nové. Zjistil jsem že když kameny popíšu 1, 2, 3 (stejně jako u čelisti) a nepřehazuju je mezi sebou, tak je přesnost při měnění čelistí přijatelná
Ty jsi si myslím taky koupil to sklíčidlo nebo se pletu? Funguje ti?
Sklíčidlo jsem opravdu koupil // lákal mne hlavně ten průchod // ale jak píšeš - zpracování poněkud fušerské. Takže zatím je někde ve skladu. Do výroby se mi ho použít nechce a čeká až budu stavět něco pro sebe. Čelisti se opravdu nesmí přehazovat. Rohm i Kitagawa je mají standardně očíslované. Dej i pozor pokud budeš sklíčidlo rozebírat, abys nepootočil kulisu. Nejenom si rozhodíš přesnost, ale sklíčidlo se i více opotřebovává.
Pokud se ti dostává emulze do hydraulického oleje, tak je to pravděpodobně závitem mezi tažnou trubkou a hydraulickým válcem. Pokud tam není místo na těsnění, mázni to takovým tím gumovým lepidlem od Loctite. Taky se navlékne O kroužek na hranu toho spoje a on pak působí jako ostřikový.
špatně jsme se pochopili, měl jsem na mysli tyto kameny: Zpracování děsné, co kus to originál. Musel jsem je očíslovat a nepřehazovat jinak obrobek v čelistech házel 0,1mm někdy i víc při výměně čelistí. Zatím jsem se nesetkal s tím aby byly v profi světě očíslované i kameny. naštěstí jsou ty kameny snadno vyrobitelné a někdy v budoucnu bych se do nich chtěl pustit.
Co se týká zbytku tak základové čelisti i tělo sklíčidla mají číňaňi očíslované, ale pozor na klínové pouzdro, je třeba jej opatrně vyndat a hned označit, tam jsem značení nenašel ale naštěstí jsem si na to dával pozor.
ok, pokud by mi to dělalo paseku tak tam zkusím něco takového. Problém je že to může pronikat i od sklíčidla mezi tažnou trubkou a vřetenem, tažnou trubku jsem sice solidně namazal vazelínou ale časem jí to stejně smyje. Beru to jako chybu konstrukce - od výrobce musí být ten válec těsněný, když jsem sundával autoblok na jiném stroji tak na mě z těchto míst vytekla nahromaděná emulze ale v hydraulice ani kapkaMilan199 píše: ↑21. 10. 2025, 2:38 Pokud se ti dostává emulze do hydraulického oleje, tak je to pravděpodobně závitem mezi tažnou trubkou a hydraulickým válcem. Pokud tam není místo na těsnění, mázni to takovým tím gumovým lepidlem od Loctite. Taky se navlékne O kroužek na hranu toho spoje a on pak působí jako ostřikový.
Zkoušel někdo nastavit režim řízení IM FOCPG u delty C2000?
Zatím jej provozuju v režimu V/F + encoder ale IM FOCPG by byl pro mne výhodnější. Problém je že v režimu IM FOCPG mi měnič pří zastavování motoru vypíná:
Když natáhnu decelerační rampu až na dlouhých 5s tak to stejně brzdí podivně, přerušovaně, a navíc si představuju daleko rychlejší deceleraci.
napětí meziobvodu je dobré, drží se pod maximem. Je sice vidět jak naroste ale zastaví se když měnič začne brzdit do rezistoru.
			
									
									
						Zatím jej provozuju v režimu V/F + encoder ale IM FOCPG by byl pro mne výhodnější. Problém je že v režimu IM FOCPG mi měnič pří zastavování motoru vypíná:
Jaký je maximální brzdný proud? je stejný a nebo menší než max. proud měniče/motoru? nenapadá mě po kterém parametru teď pátrat.(ocd) oc at deccel
Když natáhnu decelerační rampu až na dlouhých 5s tak to stejně brzdí podivně, přerušovaně, a navíc si představuju daleko rychlejší deceleraci.
napětí meziobvodu je dobré, drží se pod maximem. Je sice vidět jak naroste ale zastaví se když měnič začne brzdit do rezistoru.
koukal jsem se po rezistoru ale když jej (pro vylučovací metodu) odpojím tak vidím na grafu že napětí vystřelí nad 720V a vyskočí error přepětí.
Ale pokrok, zjistil jsem že autotuning nefungoval jak měl a našel mi špatné hodnoty.
Konkrétně:
- proud na prázdno
- hodnoty odporu vinutí
- odporu rotoru
- Magnetizing Inductance
- Stator Inductance
Bohužel nevím jak elegantněji zjistit než metodou pokus omyl.
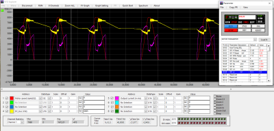
Už to začíná chodit tak jak bych si představoval.
žlutá - napětí meziobvodu. červená - otáčky. modrá - výstupní proud.
							
			
									
									
						Ale pokrok, zjistil jsem že autotuning nefungoval jak měl a našel mi špatné hodnoty.
Konkrétně:
- proud na prázdno
- hodnoty odporu vinutí
- odporu rotoru
- Magnetizing Inductance
- Stator Inductance
Bohužel nevím jak elegantněji zjistit než metodou pokus omyl.
Už to začíná chodit tak jak bych si představoval.
žlutá - napětí meziobvodu. červená - otáčky. modrá - výstupní proud.

 Přesně tyto taky už na všechny stroje dávám
 Přesně tyto taky už na všechny stroje dávám