Jestli chceš tak mám siemensácké stíněné káblíky (tuším že 1,5mm2) oranžové. Mám nějaké kousky které jsem kuchal z staršího CNC co putovalo do hutí. Jakou délku by jsi potřeboval? Můžu vzít na sraz
Vřeteno ER11, D=44 - 55mm
-
Telemaster
- Příspěvky: 513
- Registrován: 3. 4. 2016, 1:47
Mám podobné vřeteno vodníka z Ali 300W/60 t , 75 v . Z něj koukají kablíky tak max 0,5 mm2. Asi by úplně stačil kabel 0,75 mm2. Jinak perfektní vřeteno. Znám lidi co ho provozují i bez chlazení, na malé nástroje a je studené.
To vřetýnko se dělá i bez chlazení. Na některé práce to opravdu stačí.
https://www.aliexpress.com/item/1005009 ... in_prod%3A
https://www.aliexpress.com/item/1005009 ... in_prod%3A
-
Telemaster
- Příspěvky: 513
- Registrován: 3. 4. 2016, 1:47
Milane zkoušel si ho ? , to by bylo na plotry balsa, topol dobrý.Milan199 píše: ↑21. 10. 2025, 3:39 To vřetýnko se dělá i bez chlazení. Na některé práce to opravdu stačí.
https://www.aliexpress.com/item/1005009 ... in_prod%3A
předčasného ježíška- manželka by řekla bordel v dílně 
věčný rýpal,který musí mít poslední slovo, odpůrce low-cost zařízení končících v naprosté většině případů v hromadě šrotu
uživatelé hýbátek, kteří mají z mých příspěvků celoživotní trauma nechť si mé příspěvky VYPNOU
uživatelé hýbátek, kteří mají z mých příspěvků celoživotní trauma nechť si mé příspěvky VYPNOU
a taky ti říká proč to pořád kupuješ vždyť toho máš hromady? 
věčný rýpal,který musí mít poslední slovo, odpůrce low-cost zařízení končících v naprosté většině případů v hromadě šrotu
uživatelé hýbátek, kteří mají z mých příspěvků celoživotní trauma nechť si mé příspěvky VYPNOU
uživatelé hýbátek, kteří mají z mých příspěvků celoživotní trauma nechť si mé příspěvky VYPNOU
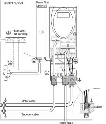
Zapojuji to takhle a zatím jsem problémy nezaznamenal :
To stínění na výstupu z rozvaděče nepřipojuji. Prý by to dávalo smysl pokud by kabely byly v rozvaděči přes 10 m.
Tyhle malé motory většinou nemají ani připojenou zem. Pokud to jde snažím se jí někam připojit.
To stínění na výstupu z rozvaděče nepřipojuji. Prý by to dávalo smysl pokud by kabely byly v rozvaděči přes 10 m.
Tyhle malé motory většinou nemají ani připojenou zem. Pokud to jde snažím se jí někam připojit.
-
zverodoktor
- Příspěvky: 3677
- Registrován: 3. 6. 2007, 9:49
- Bydliště: Bratislava
Ahoj,
Na tom obrázku (aspoň sa mi to tak vidí) je na FM tieniace opletenie motorového vodiča pripojené nejakou špeciálnou svorkou. To sa dá niekde kúpiť?
SU32, MN80, FN25, ISEL4433, Jakobsen SJ25, N1, VS16, Anycubic Kossel
Děkuji za odpovědi
1) zemění to vřeteno má
2) když se dívám na tvůj obrázek, tak si říkám, jestli mi tam nechybí "main filter"
Připomínám, že smysl projektu je mít příslušenství k Mesa kartě. Takže nebudu rád,
když bych ztrácel nějaké pakety, jen kvůli chybějícímu filtru.
Dokumenty: https://sdilej.cz/32677527/h100.pdf
1) zemění to vřeteno má
2) když se dívám na tvůj obrázek, tak si říkám, jestli mi tam nechybí "main filter"
Připomínám, že smysl projektu je mít příslušenství k Mesa kartě. Takže nebudu rád,
když bych ztrácel nějaké pakety, jen kvůli chybějícímu filtru.
Dokumenty: https://sdilej.cz/32677527/h100.pdf
LinuxCNC - MESA 7i96
zz912.webnode.cz
zz912.webnode.cz