Stránka 4 z 4
Re: TB6600
Napsal: 23. 7. 2020, 8:22
od Thomeeque
t256 píše: ↑23. 7. 2020, 7:29
Kdyz maji napsane 43V, mohou klidne nechat projit 45V i vic a to uz cinska kopie nemusi vydrzet.
Počkej, čínská kopie čeho? TB6600HG čipu? To existuje?
t256 píše: ↑23. 7. 2020, 7:29
Thomeeque píše: ↑23. 7. 2020, 6:01
Co je podle tebe jejich hlavní přínos (z hlediska řízeného stroje)?
Nizke rezonance, nesrovnatelne tissi a plynulejsi chod, spoustu rezimu a moznosti nastaveni vseho mozneho i nemozneho, jsou tam desitky az stovky parametru se kterymi si muzes hrat, napajeni 55V, proud zalezi pouze na pouzitych mosfetech, kdyz si das 20A, neni to zadny problem, provoz bez jakehokoliv chladice protoze muzes pouzit kvalitni mosfety a ne ty integrovane mizerne co jsou v TB6600 a milion dalsich veci. Ja osobne pouzivam TMC5160, myslim ze uz jsem to tu nekde probiral. Vyzkousej to a uvidis tu zmenu, je to opravdu uplne jina liga.
Jj,
bavili jsme se o tom i spolu, měl jsem pocit, že z trochu jiného úhlu (ptal jsem se tehdy primárně na TMC moduly do 3D printer shieldů), ale vlastně to až tak jiný úhel nebyl

a já to tu z tebe tahám v podstatě znovu, sorry. Mě ty modulky btw. nedávno přišly, ale ještě jsem je nezkoušel. Teď řeším drivery pro krokáče na soustruh, tam by byly slabé a na nějaký tuning (externí MOSFETy) se zatím necítím.
t256 píše: ↑23. 7. 2020, 7:29
Ale musim se priznat, ze jsem minuly tyden pouzil ten TB6600

Bylo to jen na pohon posuvu svareciho automatu, soupe to horakem sem a zpatky o par cm rychlosti kterou obsluha nastavi knoflikem. Mam jich vzdy par doma v supliku a na takove aplikace jsou uplne v pohode.
Uvidíme, no, jak se to bude chovat na tom soustruhu příp. kdy to zhoří
Dík, T.
Re: TB6600
Napsal: 23. 7. 2020, 9:24
od Thomeeque
Mex píše: ↑23. 7. 2020, 8:21
Thomeeque píše: ↑23. 7. 2020, 6:30
Jj, určitě s větráčkem, přemýšlím, jestli by mi prošlo něco jako toto:
Podle mě ano.
Bezva, díky! Zatím se mi btw. nepovedlo najít, na jakém potenciálu jsou záda čipu.
Mex píše: ↑23. 7. 2020, 8:21
U těch transilů si změř, při jakém napětí se otevírají. A těch 600W určitě neznamená, že by to vydrželo opravdu 600W déle než nějaké mikrosekundy (nebo maximálně milisekundy). Pro pochytání nějakých jehel je to fajn, ale u motoru, kde to generuje ten výkon dost často a dost dlouho nevím. Ale možná jo.
Na každé desce je jeden
P6KE43CA, ještě mi dva zbyly, můžu je dát na výstup zdroje. Píší, že dlouhodobě to dá 5W,
motory mají nominální příkon 11.2W na fázi, tak si říkám, že by to snad fungovat mohlo (a možná nepůjdu s proudem na plné 4A, určitě zkusím začít na menších hodnotách).
Ale zkusím najít i schema toho tranzistorového stabilizátoru, někde to tu bylo.
Mex píše: ↑23. 7. 2020, 8:21
Předpokládám, že uznáváš pravidlo "kondenzátor je můj kamarád". Nejlíp ty přetoky energie pochytají dobře dimenzované kondenzátory.
Možná

Na každé
desce jsou dva
LowERS 47uF, na výstupu zdroje (toroid, diody) bude zhruba 11mF (normální, 4m7 a 6m8, co jsem zrovna měl doma). Ze začátku budu provozovat jen dvě osy, na třetí jen tak nedojde (pokud vůbec).
Re: TB6600
Napsal: 23. 7. 2020, 9:59
od t256
Thomeeque píše: ↑23. 7. 2020, 8:22
Počkej, čínská kopie čeho? TB6600HG čipu? To existuje?
To jsou prakticky vsechny co koupis na ebay a spol

Ale nema cenu nat tim nejak zoufat, funguji normalne pokud se nezenou do meznich hodnot. Uz se mi dokonce stalo, ze jsem zaprasenou desku umyval acetonem a napis na pouzdru se smazal

Obvod ale funguje normalne.
Thomeeque píše: ↑23. 7. 2020, 8:22
Teď řeším drivery pro krokáče na soustruh, tam by byly slabé a na nějaký tuning (externí MOSFETy) se zatím necítím.
Zmineny driver ma externi mosfety vzdy, jde jen o to vypajet ty puvodni, dat tam vykonnejsi dle potreby a zmensit hodnotu snimaciho odporu.
Re: TB6600
Napsal: 23. 7. 2020, 10:22
od Thomeeque
t256 píše: ↑23. 7. 2020, 9:59
Thomeeque píše: ↑23. 7. 2020, 8:22
Počkej, čínská kopie čeho? TB6600HG čipu? To existuje?
To jsou prakticky vsechny co koupis na ebay a spol

Ale nema cenu nat tim nejak zoufat, funguji normalne pokud se nezenou do meznich hodnot. Uz se mi dokonce stalo, ze jsem zaprasenou desku umyval acetonem a napis na pouzdru se smazal

Obvod ale funguje normalne.
To jsou věci

Já se chtěl pohybovat celkem blízko mezních hodnot.. no, zkusím být opatrný.
t256 píše: ↑23. 7. 2020, 9:59
Zmineny driver ma externi mosfety vzdy, jde jen o to vypajet ty puvodni, dat tam vykonnejsi dle potreby a zmensit hodnotu snimaciho odporu.
Jasně, já vím, myslel jsem externí ve smyslu mimo ten modul (počítám, že výkonnější MOSFETy jsou větší a nevešly by se, navíc i spoje a piny na modulu by asi nevyhověly).
Dík, T.
Re: TB6600
Napsal: 23. 7. 2020, 10:41
od Mex
Umí ten tvůj zdroj trochu snížit napětí? Nebo máš případně nějaký jiný, třeba 24V?
Pokud si správně pamatuju, tak nějaký osciloskop máš.
Tak to připoj na zdroj s nižším napětím (abys měl rezervu) a hoň ty motory jako nadmutou kozu, co nejrychleji s ostrou decelerací. No a přitom se osciloskopem podívej jak Ti cvičí to napájecí napětí.
Hned budeš vědět na čem jsi.
Re: TB6600
Napsal: 24. 7. 2020, 12:01
od Mex
t256 píše: ↑23. 7. 2020, 9:59
Thomeeque píše: ↑23. 7. 2020, 8:22
Počkej, čínská kopie čeho? TB6600HG čipu? To existuje?
To jsou prakticky vsechny co koupis na ebay a spol

Ale nema cenu nat tim nejak zoufat, funguji normalne pokud se nezenou do meznich hodnot. Uz se mi dokonce stalo, ze jsem zaprasenou desku umyval acetonem a napis na pouzdru se smazal

Obvod ale funguje normalne.
Jseš si tím jistý? Nemáš k tomu prosím nějaký odkaz nebo fotku?
Pokud Čína vyrábí klony nějakých součástek, tak se to většinou na internetu dost probírá. O TB6600 jsem to nezaznamenal.
Ty drivery oni šidí jinak. Prodávají krabičku s nápisem XY6600, takže to působí jako by tam byla TB6600, ale je tam jiný chip.
Pokud by vyráběli svoje levné klony chipu TB6600 tak by snad tohle ani nedělali, nebo aspoň ne tak moc, řekl bych.
Ale samozřejmě se můžu mýlit. Proto by nějaký relevantní odkaz potěšil.
Díky.
Re: TB6600
Napsal: 24. 7. 2020, 12:54
od Mex
Thomeeque píše: ↑23. 7. 2020, 9:24
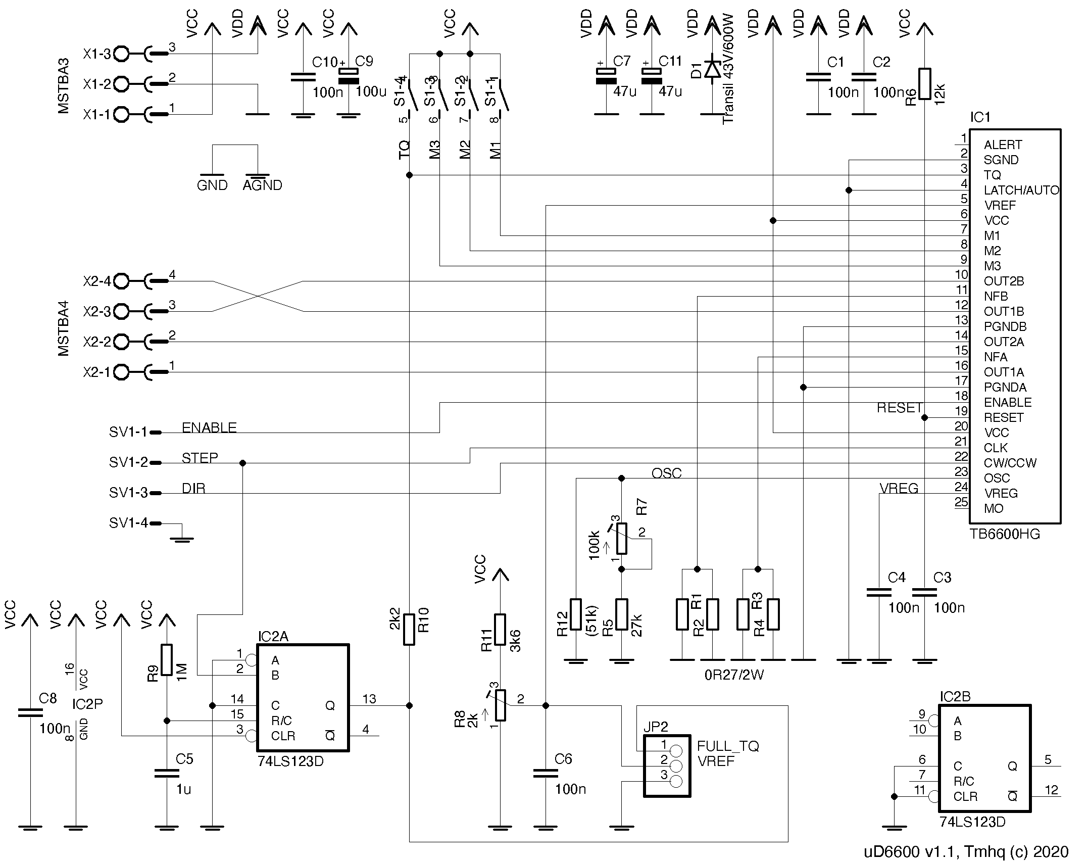
Ale zkusím najít i schema toho tranzistorového stabilizátoru, někde to tu bylo.
Ten stabilizátor je triviální zapojení, to namaluješ z hlavy a nemusíš nic hledat.

Tady jsem Ti jedno namaloval. Zenerka by měla mít napětí o něco nižší, než jaké chceš limitovat. Teoreticky o 0.7V, tedy o úbytek na přechodu BE. Ale v praxi nejsou zenerky zase tak moc přesné, mají docela rozptyl napětí svého kolene.
Můžeš tam použít místo zenerky i ten svůj transil, když už ho máš.
Jen jsem tak očima přelítnul to Tvé schema. Ty kondíky 2x 47M nejsou teda nic moc. Mohl jsi tam dát třeba něco jako 1000M/63V nebo něco podobného.
Naštěstí tam nemáš ochrannou diodu na vstupu napájení (jako je to třeba v těch kupovaných driverech), takže si ty jednotlivé drivery a případně ještě nějaký externí kondík můžou navzájem pomoct.
Opravdu tam máš 74LS123 a nikoli třeba 74HC123?
Pokud ano, tak jsi tedy asi pěkný milovník starých časů.
Pokud ne, a máš tam to 74HC/HCT, tak by to chtělo ošetřit vstupy toho druhého nezapojeného MKO. Tedy ty vstupy A, B dát na GND nebo na +5V. Nezapojené vstupy na CMOS obvodech jsou velmi nevhodné řešení.
Případně když už ho tam máš a je nevyužitý, tak jsi s ním mohl vyrobit přesně definovanou délku pulzu STEP.

- Omezovac.jpg (7.76 KiB) Zobrazeno 2633 x
Re: TB6600
Napsal: 24. 7. 2020, 6:18
od t256
Mex píše: ↑24. 7. 2020, 12:01
Jseš si tím jistý? Nemáš k tomu prosím nějaký odkaz nebo fotku?
Pokud Čína vyrábí klony nějakých součástek, tak se to většinou na internetu dost probírá. O TB6600 jsem to nezaznamenal.
Ty drivery oni šidí jinak. Prodávají krabičku s nápisem XY6600, takže to působí jako by tam byla TB6600, ale je tam jiný chip.
Pokud by vyráběli svoje levné klony chipu TB6600 tak by snad tohle ani nedělali, nebo aspoň ne tak moc, řekl bych.
To co jsem zminoval nebylo v krabicce, byla to tahle deska
https://www.ebay.com/itm/TB6600-4-5a-cn ... SwkqZcnY~O Tam je obvod videt, neda se tam nacpat nic jineho jako v tech krabicovych verzich. Fotku zmineneho fake kde se setrel napis bohuzel nemam, uz si ani nevzpominam kde nakonec skoncil protoze fungoval uplne stejne jako kousek s napisem ktery drzel - porovnaval jsem to. Ja u techto driveru vzdycky chladic sundam a napatlam tam pastu, protoze tam casto nebyva vubec, nebo tam je blbe nanesena a pri te prilezitosti jsem na to prisel. Horni strana se mi zdala takova jakoby mirne lesklejsi, byla tam tlusta kapka bile pasty kterou byly zakydane i vyvody a pri jejim cisteni se sundalo i znaceni IO. Pasta nesla dolu lihem (to popis vydrzel), tak jsem pouzil aceton nebo xylen a bylo
Co muzu udelat, tak je fotka falesneho DRV8825 se stejnym problemem. Ten jsem koupil dokonce u nas na aukru, protoze jsem ho potreboval rychle. Kdyz jsem ho cistil od tavidla po prepnuti do fast decay rezimu kde je prece jen pouzitelnejsi (provadi se zkratovanim dvou vyvodu kapkou cinu), tak se z nej sundal napis taky. Ale nic moc na tom na koukani neni, proste pouzdro bez napisu. Samotny obvod opet fungoval normalne, byla to nahrada za zniceny a neni s nim po vymene problem.
Dokonce i relativne seriozni cinsky distributor od ktereho obcas beru ma v nabidce TB6600 jednou za $2,5 a podruhe za $5 pri 200ks

Re: TB6600
Napsal: 24. 7. 2020, 7:26
od Thomeeque
Mex píše: ↑23. 7. 2020, 10:41
Umí ten tvůj zdroj trochu snížit napětí? Nebo máš případně nějaký jiný, třeba 24V?
Pokud si správně pamatuju, tak nějaký osciloskop máš.
Tak to připoj na zdroj s nižším napětím (abys měl rezervu) a hoň ty motory jako nadmutou kozu, co nejrychleji s ostrou decelerací. No a přitom se osciloskopem podívej jak Ti cvičí to napájecí napětí.
Hned budeš vědět na čem jsi.
Dobrý nápad, zkusím, dík
Mex píše: ↑24. 7. 2020, 12:54
Ten stabilizátor je triviální zapojení, to namaluješ z hlavy a nemusíš nic hledat.

Tady jsem Ti jedno namaloval...
Super, opět dík. Uvidíme, jak to bude cvičit, toto by asi stálo za to spáchat.
Mex píše: ↑24. 7. 2020, 12:54
Jen jsem tak očima přelítnul to Tvé schema. Ty kondíky 2x 47M nejsou teda nic moc. Mohl jsi tam dát třeba něco jako 1000M/63V nebo něco podobného.
Naštěstí tam nemáš ochrannou diodu na vstupu napájení (jako je to třeba v těch kupovaných driverech), takže si ty jednotlivé drivery a případně ještě nějaký externí kondík můžou navzájem pomoct.
Ono v katalogovém zapojení také nejsou velké kapacity. Mají to být rychlé kondíky co nejblíže napájecích pinů. Funkce ale není pohlcovat pohybovou energii, na to je tam ten tonsil a kapacity ve zdroji. Je to další ze "série" mých
mikro driverů, kdy je na desce jen to nejnutnější. Jen to uspávadlo už se mi nechtělo dávat bokem.
Mex píše: ↑24. 7. 2020, 12:54
Opravdu tam máš 74LS123 a nikoli třeba 74HC123?
Pokud ano, tak jsi tedy asi pěkný milovník starých časů.
Pokud ne, a máš tam to 74HC/HCT, tak by to chtělo ošetřit vstupy toho druhého nezapojeného MKO. Tedy ty vstupy A, B dát na GND nebo na +5V. Nezapojené vstupy na CMOS obvodech jsou velmi nevhodné řešení.
Jak asi správně tušíš, nejsem staromilec, jen lenoch

, vybral jsem v Eagle první 74xx123 součástku a nechal tak, jak byla. Ono to schema je vůbec takové pracovní, moc jsem se s ním nepáral. Je tam tento
74HC123D. Ty vstupy ještě uzemním, díky!
Mex píše: ↑24. 7. 2020, 12:54
Případně když už ho tam máš a je nevyužitý, tak jsi s ním mohl vyrobit přesně definovanou délku pulzu STEP.
To už by to bylo příliš dokonalé

Ale díky

Re: TB6600
Napsal: 24. 7. 2020, 11:15
od Mex
Thomeeque píše: ↑24. 7. 2020, 7:26
Ono v katalogovém zapojení také nejsou velké kapacity. Mají to být rychlé kondíky co nejblíže napájecích pinů. Funkce ale není pohlcovat pohybovou energii, na to je tam ten tonsil a kapacity ve zdroji. Je to další ze "série" mých
mikro driverů, kdy je na desce jen to nejnutnější. Jen to uspávadlo už se mi nechtělo dávat bokem.
Energie chycená v kondenzátoru = energie zachráněná, bude znovu využita (Uršula a lední medvědi se usmívají).
Energie chycená transilem = energie zmařená, přeměněná v teplo (Uršula a lední medvědi pláčou).
Ale pokud máš slušné koďany aspoň u zdroje, tak pak jo.
Re: TB6600
Napsal: 24. 7. 2020, 11:24
od Mex
t256 píše: ↑24. 7. 2020, 6:18
... Fotku zmineneho fake kde se setrel napis bohuzel nemam ...
... Co muzu udelat, tak je fotka falesneho DRV8825 se stejnym problemem ... tak se z nej sundal napis taky...
Nevím, jestli trochu nepřeceňuješ kvalitu popisu.
Je známo, že mnoho obvodů se dělá s různě kvalitním a různě pěkným/škaredým popisem podle toho, ve které (oficiální) pobočce daného výrobce se dělají.
Že sundáš popis agresivním rozpouštědlem i z originálního obvodu také není nic neobvyklého. Jsou výrobci, jejich popisy lezou dolů i prstem když se po nich víckrát přejede.
Tohle bych opravdu za bernou minci nebral.
Rozlišení popisem funguje tehdy, když jsou to nějaké profláklé padělky a buď si někdo dá práci a odpouzdří to, potvrdí padělek a pak udělá a popíše rozdíly v popisu a případně tvarových odchylkách pouzdra. Nebo ideálně pokud to udělá přímo originální výrobce.
Tím nechci zpochybnit, že to možná opravdu jsou padělky. Jen si myslím, že podle kvality popisu to bez dalších informací nelze tak snadno určit.
Re: TB6600
Napsal: 24. 7. 2020, 11:40
od t256
Tak to tezko rict, ale u novych soucastek koupenych u velkych distributoru od vyrobcu typu TI nebo Toshiba se mi to nastalo, oni znaci laserem.
Ale uz mi prisly i desky ktere jsem nechal osazovat v Cine a tam nebyly na nekterych IO popisy pro jistotu vubec zadne

Ale vse fungovalo.