Výroba vřetene Sieg C0
Pravidla fóra
Toto forum vyzaduje schvaleni prispevku moderatorem.
Toto forum vyzaduje schvaleni prispevku moderatorem.
- Zdenek Valter
- Příspěvky: 5425
- Registrován: 9. 1. 2009, 5:16
- Bydliště: Ústí n. L.
Dokázal by někdo vyrobit tohle vřeteno s MORSE 1?
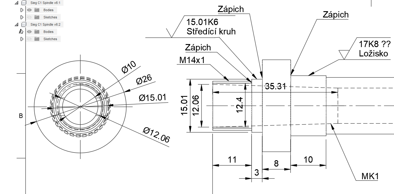
na výkres je potřeba doplnit zápichy a výrobní tolerance pro ložiska - s tím nemám zkušenosti a potřebuju poradit, včetně vhodného materiálu.
na výkres je potřeba doplnit zápichy a výrobní tolerance pro ložiska - s tím nemám zkušenosti a potřebuju poradit, včetně vhodného materiálu.
- Přílohy
-
- C1-spindle with MT1.pdf
- (115.06 KiB) Staženo 190 x
Naposledy upravil(a) Zdenek Valter dne 28. 2. 2021, 11:27, celkem upraveno 1 x.
Hobbík - obráběč i 3D tiskař začátečník - strojní park je konečně instalován
- Zdenek Valter
- Příspěvky: 5425
- Registrován: 9. 1. 2009, 5:16
- Bydliště: Ústí n. L.
Sklíčidlo
Hobbík - obráběč i 3D tiskař začátečník - strojní park je konečně instalován
přesně tak, ten konec s M14x1 + MK1 je špatně
navrhuju:
buď ten závit zvětšit na 15x1, bude mít vnější pr. +-14,9, pr. 15 přes něj přeleze (14x1 je na nějakém příslušenství?)
nebo posunout ten kužel ven, třeba 20mm délky taky bude stačit
kužely ve vřetenu jsou běžně kratší
materiál bych zvolil cementačku 14220
cementovat, kalit
povrchy brousit
hoď sem (nebo do SZ) výkres sestavy
jestli ti to nenabídne někdo, kdo se tím živí, tak ti to udělám, vč. broušení a cementace
edit
jestli to existuje jen s válcovou dírou, tak by ten kužel šel dodělat
navrhuju:
buď ten závit zvětšit na 15x1, bude mít vnější pr. +-14,9, pr. 15 přes něj přeleze (14x1 je na nějakém příslušenství?)
nebo posunout ten kužel ven, třeba 20mm délky taky bude stačit
kužely ve vřetenu jsou běžně kratší
materiál bych zvolil cementačku 14220
cementovat, kalit
povrchy brousit
hoď sem (nebo do SZ) výkres sestavy
jestli ti to nenabídne někdo, kdo se tím živí, tak ti to udělám, vč. broušení a cementace
edit
jestli to existuje jen s válcovou dírou, tak by ten kužel šel dodělat
Obvykle se dějí věci obvyklé. Méně často se dějí věci neobvyklé a zcela vyjímečně se dějí věci vyjímečné...
Masturn 40 CNC, Hermle UWF1200H CNC a pár klasik
http://www.radialengine.cz" onclick="window.open(this.href);return false;
http://www.autopejsek.cz" onclick="window.open(this.href);return false;
Masturn 40 CNC, Hermle UWF1200H CNC a pár klasik
http://www.radialengine.cz" onclick="window.open(this.href);return false;
http://www.autopejsek.cz" onclick="window.open(this.href);return false;
- Zdenek Valter
- Příspěvky: 5425
- Registrován: 9. 1. 2009, 5:16
- Bydliště: Ústí n. L.
Závit musí být co tam je - M14x1
Posunout kužel ven není problém.
Problém na originálu je průměr středícího kroužku - je 14,95 na novém vřeteni je to výrazně lepší ale jen 14,99 a právě i ta setina je u tohohle prcka problém.
Z výkresu je na kraji tloušťka stěny cca 0,4mm kolik má být minimální tloušťka ?
EDIT sorry je to 0,1 mm.
Posunout kužel ven není problém.
Problém na originálu je průměr středícího kroužku - je 14,95 na novém vřeteni je to výrazně lepší ale jen 14,99 a právě i ta setina je u tohohle prcka problém.
Z výkresu je na kraji tloušťka stěny cca 0,4mm kolik má být minimální tloušťka ?
EDIT sorry je to 0,1 mm.
- Přílohy
-
- Sieg C1 Spindle TEst v1.zip
- Fusion360 file
- (101.66 KiB) Staženo 141 x
Hobbík - obráběč i 3D tiskař začátečník - strojní park je konečně instalován
mimooborová naplavenina • kolowratský zázrak™ • NPS • GCU • HirthCalc • ncDP.ino
mimochodem neměl by být ten průměr 15k6 místo 15,01k6? protože k6 tolerance ti už tu cca 0,01 přidá? takže tak jak to máš to bude třeba už 15,02 a příjde mi to 15,01k6 takové divné, třeba jako 14,98s6 
věčný rýpal,který musí mít poslední slovo, odpůrce low-cost zařízení končících v naprosté většině případů v hromadě šrotu
uživatelé hýbátek, kteří mají z mých příspěvků celoživotní trauma nechť si mé příspěvky VYPNOU
uživatelé hýbátek, kteří mají z mých příspěvků celoživotní trauma nechť si mé příspěvky VYPNOU
- Zdenek Valter
- Příspěvky: 5425
- Registrován: 9. 1. 2009, 5:16
- Bydliště: Ústí n. L.
Z výkresu je to mnohem méně:
průměr 12,4 - průměr 12,06 to je 0,34 / 2 to je 0,17 mm.
průměr 12,4 - průměr 12,06 to je 0,34 / 2 to je 0,17 mm.
- Přílohy
-
- C1-spindle with MT1 V 2.pdf
- (115.15 KiB) Staženo 157 x
Hobbík - obráběč i 3D tiskař začátečník - strojní park je konečně instalován
- tumlik
- Sponzor fora
- Příspěvky: 3759
- Registrován: 19. 12. 2007, 8:20
- Bydliště: já su z Moravskej :-)
- Kontaktovat uživatele:
0,1 je tloušťka kancelářského papíru, ale spíš to bude kolem 0,4, nechce se mě to měřit na konci závitu díky sestupnému kuželu třeba dvojnásobek mínus "zápich" a na to nějaké sklíčidlo.....to jako myslíš zdenku vážně?Zdenek Valter píše: ↑28. 2. 2021, 9:39 Závit musí být co tam je - M14x1
Posunout kužel ven není problém.
Problém na originálu je průměr středícího kroužku - je 14,95 na novém vřeteni je to výrazně lepší ale jen 14,99 a právě i ta setina je u tohohle prcka problém.
Z výkresu je na kraji tloušťka stěny cca 0,4mm kolik má být minimální tloušťka ?
EDIT sorry je to 0,1 mm.
není lepší když už potřebuješ soustružit mezi hroty tam udělat vnější kužel?
http://www.tumlikovo.cz/
Popularizační web nástrojařství a kovoobrábění
Popularizační web nástrojařství a kovoobrábění
- Zdenek Valter
- Příspěvky: 5425
- Registrován: 9. 1. 2009, 5:16
- Bydliště: Ústí n. L.
Sorry za moje zmatky tak především je to vřeteno k C0 - zápich na konci závitu - díky za upozornění - dávám do pryč.tumlik píše: ↑28. 2. 2021, 10:580,1 je tloušťka kancelářského papíru, ale spíš to bude kolem 0,4, nechce se mě to měřit na konci závitu díky sestupnému kuželu třeba dvojnásobek mínus "zápich" a na to nějaké sklíčidlo.....to jako myslíš zdenku vážně?Zdenek Valter píše: ↑28. 2. 2021, 9:39 Závit musí být co tam je - M14x1
Posunout kužel ven není problém.
Problém na originálu je průměr středícího kroužku - je 14,95 na novém vřeteni je to výrazně lepší ale jen 14,99 a právě i ta setina je u tohohle prcka problém.
Z výkresu je na kraji tloušťka stěny cca 0,4mm kolik má být minimální tloušťka ?
EDIT sorry je to 0,1 mm.
není lepší když už potřebuješ soustružit mezi hroty tam udělat vnější kužel?
Potřebuju udělat nové vřeteno, které má správný středící kroužek a má navíc i ten Morse1 kužel, kvůli dalším nástrojům - Kleštinám, ER kleštinovým upínačům atp.
C0 je dost specifický "soustruh" a já se pokouším zachránit co se dá.
Posunout ten kužel ven z vřetene není problém, ale já bych rád aby ve vřeteni byla co nejdelší možná část toho kužele.
- Přílohy
-
- C0-spindle with MT1 V 3.pdf
- (115.02 KiB) Staženo 178 x
Hobbík - obráběč i 3D tiskař začátečník - strojní park je konečně instalován
Jestli to máš jen na hrot tak možná M0 :tumlik píše: ↑28. 2. 2021, 10:580,1 je tloušťka kancelářského papíru, ale spíš to bude kolem 0,4, nechce se mě to měřit na konci závitu díky sestupnému kuželu třeba dvojnásobek mínus "zápich" a na to nějaké sklíčidlo.....to jako myslíš zdenku vážně?Zdenek Valter píše: ↑28. 2. 2021, 9:39 Závit musí být co tam je - M14x1
Posunout kužel ven není problém.
Problém na originálu je průměr středícího kroužku - je 14,95 na novém vřeteni je to výrazně lepší ale jen 14,99 a právě i ta setina je u tohohle prcka problém.
Z výkresu je na kraji tloušťka stěny cca 0,4mm kolik má být minimální tloušťka ?
EDIT sorry je to 0,1 mm.
není lepší když už potřebuješ soustružit mezi hroty tam udělat vnější kužel?
https://aukro.cz/472-pevny-hrot-narex-t ... 6982590288
- Zdenek Valter
- Příspěvky: 5425
- Registrován: 9. 1. 2009, 5:16
- Bydliště: Ústí n. L.
Kolik by měla být bezpečná síla stěny mezi začátkem Morse a vnitřním průměrem závitu?
Hobbík - obráběč i 3D tiskař začátečník - strojní park je konečně instalován
- Zdenek Valter
- Příspěvky: 5425
- Registrován: 9. 1. 2009, 5:16
- Bydliště: Ústí n. L.
Ne jenom na hrot to není.Milan199 píše: ↑28. 2. 2021, 11:28Jestli to máš jen na hrot tak možná M0 :tumlik píše: ↑28. 2. 2021, 10:58 ........
0,1 je tloušťka kancelářského papíru, ale spíš to bude kolem 0,4, nechce se mě to měřit na konci závitu díky sestupnému kuželu třeba dvojnásobek mínus "zápich" a na to nějaké sklíčidlo.....to jako myslíš zdenku vážně?
není lepší když už potřebuješ soustružit mezi hroty tam udělat vnější kužel?
https://aukro.cz/472-pevny-hrot-narex-t ... 6982590288
Hobbík - obráběč i 3D tiskař začátečník - strojní park je konečně instalován
Proč tam musí být za každou cenu ten pidi závit? Jen kvůli přírubě na univerzálu? Pokud ano, nebylo by lepší udělat pár přírub s větším závitem? A zesílit tu stěnu? Třeba M18x1. Jinak by to bylo dobrý harakiri. Nechtěl bych mít u toho hlavu, až to uletí.
Obecně tak o 0,5 mm // alespoň // víc nežli je procementovaná vrstva. Aby zůstalo houževnaté jádro. Musíš s tím ale počítat už při výrobě. Tedy :Zdenek Valter píše: ↑28. 2. 2021, 11:30 Kolik by měla být bezpečná síla stěny mezi začátkem Morse a vnitřním průměrem závitu?
vyhrubovat s příd cca 0,5 na plochu
vyžíhat
přetočit s přídavkem 0,1 na plochu
cementovat v plynu // 0,3 // a zavěšené
brousit + 0,05
vyvařit v oleji / odležet
brousit načisto
Závit bude taky broušený ? // měl by //