Poptávka soustružení - jednoduchá ocelová příruba

Požadavky na výrobu dílů - poptávkové fórum
Pravidla fóra
Toto forum vyzaduje schvaleni prispevku moderatorem.
Odpovědět
Kudlas
Příspěvky: 9
Registrován: 7. 2. 2023, 11:12

23. 2. 2023, 1:23

Dobrý den,
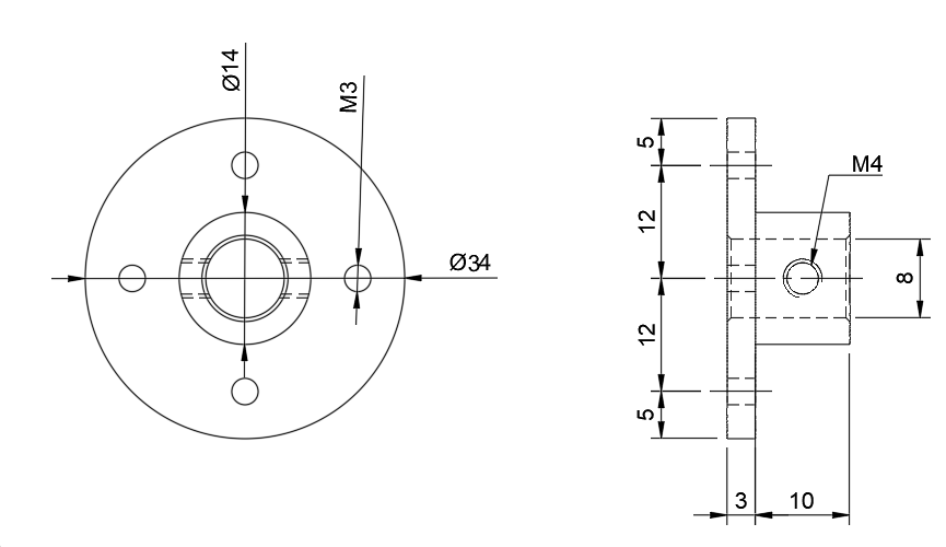
potřeboval bych vyrobit dvě stejné příruby, viz nákres. Má za úkol držet dřevěné kolo niněry (hudební nástroj). Tolerance a typ oceli nechávám na vás (já potřebuji prostě aby se kolo 16cm v průměru pak na ose "nekynklalo").
priruba.png
Prosím o odhad ceny do SZ, díky!
Přílohy
priruba-ng.pdf
(358.77 KiB) Staženo 187 x
Kudlas
Příspěvky: 9
Registrován: 7. 2. 2023, 11:12

23. 2. 2023, 2:54

Tak jsem zjistil, že jsem na fóru moc krátce, než abych mohl odpovídat na soukromé zprávy :oops: . Co se týče průměru té hřídelky, na kterou se to bude nasazovat, měřil jsem jí dvěma šuplerami, s uplně odlišným výsledkem.

Čínská digitální ukazuje 7.9mm
332941190_876193023488349_1177019299743531956_n.jpg
Čínská posuvná (která je ukázkou čínské kvality), podle mého čtení ukazuje 8.15mm
332959059_932195981121341_3868921868160500010_n.jpg
No a nakonec ložiska, která používám 608zz (na kolečkové brusle, skateboary a podobně) tak sedí na hřídelku tak jak bych si přál. Ve výkresu toho ložiska se uvádí ID (vnitřní průměr) jako 8mm, proto jsem ho uvedl i ve výkresu.
332434700_1123922511608263_3639267223216222868_n.jpg
@Dratenik: dík za nabídku, poslal jsem ti email!
Lify
Příspěvky: 1479
Registrován: 14. 1. 2016, 4:33

23. 2. 2023, 5:43

Ahoj, mohu ti to v příštím týdnu vyrobit. Jsem z Prahy východ.
Šikovnej nerozhodnej trpaslík
Věčný tazatel
Uživatelský avatar
Habešan
Příspěvky: 1187
Registrován: 12. 12. 2013, 2:25
Bydliště: Čechy
Kontaktovat uživatele:

23. 2. 2023, 6:52

Kudlas píše: 23. 2. 2023, 2:54měřil jsem ji dvěma šuplerami, s úplně odlišným výsledkem.
To je docela ... špatně.
Vnitřní průměr hohoto typu ložiska je 8mm s tolerancí -0,008 až 0 mm.
Pokud je vyrobené správně, tak nemůže jít nasunout na hřídelku o průměru 8,15mm, takže ta šuplera, která ukázala 8,15mm, je pravděpodobně ta, která měří hůř...
Koupím hliníkové profily délky cca 60cm, nabízím 90,-Kč/kg.
Kudlas
Příspěvky: 9
Registrován: 7. 2. 2023, 11:12

23. 2. 2023, 7:49

Habešan píše: 23. 2. 2023, 6:52
Kudlas píše: 23. 2. 2023, 2:54měřil jsem ji dvěma šuplerami, s úplně odlišným výsledkem.
To je docela ... špatně.
Vnitřní průměr hohoto typu ložiska je 8mm s tolerancí -0,008 až 0 mm.
Pokud je vyrobené správně, tak nemůže jít nasunout na hřídelku o průměru 8,15mm, takže ta šuplera, která ukázala 8,15mm, je pravděpodobně ta, která měří hůř...
Taky si to myslím
Lify
Příspěvky: 1479
Registrován: 14. 1. 2016, 4:33

23. 2. 2023, 10:21

Kudlas píše: 23. 2. 2023, 7:49
Habešan píše: 23. 2. 2023, 6:52
Kudlas píše: 23. 2. 2023, 2:54měřil jsem ji dvěma šuplerami, s úplně odlišným výsledkem.
To je docela ... špatně.
Vnitřní průměr hohoto typu ložiska je 8mm s tolerancí -0,008 až 0 mm.
Pokud je vyrobené správně, tak nemůže jít nasunout na hřídelku o průměru 8,15mm, takže ta šuplera, která ukázala 8,15mm, je pravděpodobně ta, která měří hůř...
Taky si to myslím
Mohu přeměřit mikrometrem. Máš SZ s cenou.
Šikovnej nerozhodnej trpaslík
Věčný tazatel
jaroslavf
Příspěvky: 53
Registrován: 1. 7. 2015, 3:30

26. 2. 2023, 10:24

Zdravim, pokud jste ještě nikoho nenašel, tak nabízím výrobu za 125kč/kus + pošta. Nebo možnost vyzvednout v Praze.
Uživatelský avatar
Dratenik
Příspěvky: 417
Registrován: 29. 10. 2013, 8:18
Bydliště: SM
Kontaktovat uživatele:

27. 2. 2023, 7:02

Předej kolegovi viz nabídka výše.
CNC: frézování 4-osy, Heidenhain iTNC530, soustruhy Heidenhain 4110, Fanuc Oi TC, 3x drátové řezačky, až Z+400, (+9let praxe)
CAD/CAM: SolidWorks 2015, HSMWorks 2016, MasterCam X5, X6, Kovoprog
Kudlas
Příspěvky: 9
Registrován: 7. 2. 2023, 11:12

27. 2. 2023, 2:53

jaroslavf píše: 26. 2. 2023, 10:24 Zdravim, pokud jste ještě nikoho nenašel, tak nabízím výrobu za 125kč/kus + pošta. Nebo možnost vyzvednout v Praze.
Psal jsem PM
Odpovědět

Zpět na „Potřebuji vyrobit - vypomoc pri vyrobe“